Добавить в корзинуПозвонить
Найти в Дзене
птица говорун

ЛОС с аэратором своими руками

ну что же дошли у меня руки до автономной канализации. но делать обычный септик - это не для меня. покупать "тверь" - это слишком просто, да и на тот объем который я легко сделаю сам - дорого. существует два процесса очиски фикальных вод: с использованием бактерий которым нужен кислород и которым кислород не нужен (аэробные и анаэробные). (иногда говорят шелочной) протекает в обычном септике хотя правильно сказать в выгребной яме. это процесс гниения - происходит довольно медленно и противно пахнет т.к. выделяются газы в основном метан и сероводород. (кислотный) возможен только в присутствии кислорода - протекает довольно быстро и без неприятных запахов так выделяется уксусная кислота. такой процесс используют станции глубокой биоочистки воды и большие государственные очистные сооружения.
т.е. можно просто заменить щелочной процесс на кислотной и запахи исчезнут. например в станциях "тверь" просто аэротанк (емкость с обогащением сточных вод кислородом). по сути, вам нужны две ёмкост
Оглавление

ну что же дошли у меня руки до автономной канализации. но делать обычный септик - это не для меня. покупать "тверь" - это слишком просто, да и на тот объем который я легко сделаю сам - дорого.


немного теории

существует два процесса очиски фикальных вод: с использованием бактерий которым нужен кислород и которым кислород не нужен (аэробные и анаэробные).


анаэробный процесс

(иногда говорят шелочной) протекает в обычном септике хотя правильно сказать в выгребной яме. это процесс гниения - происходит довольно медленно и противно пахнет т.к. выделяются газы в основном метан и сероводород.


аэробный процесс

(кислотный) возможен только в присутствии кислорода - протекает довольно быстро и без неприятных запахов так выделяется уксусная кислота. такой процесс используют станции глубокой биоочистки воды и большие государственные очистные сооружения.

принцип работы


т.е. можно просто заменить щелочной процесс на кислотной и запахи исчезнут. например в станциях "тверь" просто аэротанк (емкость с обогащением сточных вод кислородом). по сути, вам нужны две ёмкости. в первую необходимо насыщать кислородом, после чего вытесненную из аэротанка воду отстоять.

единственное что стоит отметить, что вода в обычном проточном отстойнике должна находится не менее 3 суток. при этом вода значительно осветляется, но её все равно необходимо рассеивать на фильтрационном поле или сливать в фильтрационный колодец.

в "твери" объёмы используются более эффективно за счёт использования быстрого кислотного процесса, но если вы чётко решили сэкономить на "твери", то экономить еще и на кольцах занятие глупое и бессмысленное. бонусом же будет не восприимчивость системы к залповым сбросам и предельная простота конструкции.

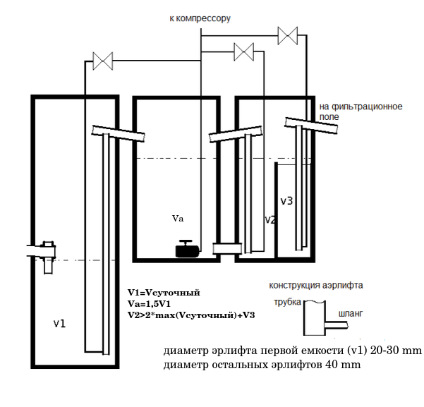
за основу берём обычный септик. замечу, что количество ёмкостей слабо влияют на улучшение очистки. как классический септик принципиально состоит из одной ёмкости так и система с аэратором тоже принципиально состоит из двух емкостей - аэротанка и отстойника. для получения высокой степени очистки необходимо правильно выбрать их объёмы. имеются ввиду конечно объём занятый водой, а не общий объём.

вспомогательную емкость на схеме (v3) можно сделать из асбестоцементной трубы диаметром не менее 200 мм в которой устанавливается насос для подъёма воды ближе к поверхности и рассеивания её на фильтрационном поле. вспомогательная ёмкость не участвует непосредственно в очистке воды, а служит для сбора отстоянной воды.

диаметр трубки айрлифта первой ёмкости (v1 на схеме) 20 mm, остальных аэролифтов  40 mm. объем аэротанка должен быть равен 1-2 суточному сбросу. фактически вам нужно суточный объем сточных вод перелить в аэротанк часов за 20. объем отстойника (v3 на схеме) должен быть больше 2 объёмов максимального залпового сброса + емкость в которой будет размешаться насос или айрлифт.


работает это так

  • сток попадает в первую ёмкость для предварительного отстаивания. кроме того первая ёмкость выполняет роль уравнивающей ёмкости, в которую стоки приходят очень неравномерно, и потом медленно переливаются в аэротанк

    при падении уровня воды в первой ёмкости ниже критического айрлифт становится крупнопузырчатым аэратором. это режим довольно шумный и не очень эффективный - см. недостатки.
  • в аэротанке происходит основная очистка. находится сток в аэротанке должен сутки.
  • из аэротанка вода вытесняется в отстойник где то, что оседает на дно снова переливается в аэротанк при помощи аэролифта, что обеспечивает
    постоянное перемешивание стоков с активным илом и обеспечивает рециркуляцию ила.
  • из верхней части отстойника очищенная и осветлённая вода переливается в вспомогательную ёмкость
  • из вспомогательной ёмкости очищена вода выбрасывается насосом или айрлифтом (как на схеме).

запуск

  1. заполнить систему до уровня показанного на схеме водой.
  2. настроить айрлифты так чтобы производительность айрлифта выбрасывающего сток на фильтрационное поле была большей чем аэрлифта подающего сток в аэротанк, изменяя расход воздуха айрлифтов.
  3. залить в аэротанк аэробных бактерий

недостатки

  • как с любой аэробной системой с активным илом, крайне желательно использовать быстроразлагаемую туалетную бумагу и моющие средства без хлора.
  • система довольно шумная.
  • в первой емкости через какое-то время появится вонючий осадок.
  • попадание осадков и продуктов брожения из первой емкости в аэротанк крайне не желательно. необходимо своевременно удаление осадка из первой ёмкости периодичность раз в 4-6 месяцев.

    внимание! если в первой ёмкости появился неприятный запах. её нужно срочно отчищать и делать крупно пузырчатую аэрацию принудительно.
  • в аэротанке рано или поздно появится осадок(ил), который тоже придётся удалять.
  • относительная энергозависимость.

еще раз напоминаю, что сливать хлор содержащие моющие средства  в систему нельзя.

в чем же техническая новизна - септик как септик только с компрессором?

  • при правильном использовании практически полное отсутствие запахов.
  • высокая степень очистки. при правильном использование выше 90% по ряду показателей.
  • лучшая технологичность.
  • особо не страшны выключения подачи воздуха. к переливам это вряд ли приведёт.

типичные ошибки

  • отсутствие фановой трубы. а продукты гниения горючи и взрывоопасны.
  • очень узкие трубы стока аэролифтов - через них осуществляется еще и вентиляция
  • очень маленькая мощность компрессора. воздуха системе нужно много - компрессор должен быть не менее ~60 ватт.
  • заужение диаметра сточной трубы.
  • в этой схеме компрессор должен стоять на улице. и
    желательно выше "рабочего" уровня септика. т.е. в аэротанк
    должен нагнетаться "свежий" воздух. но помните большая длина магистрали - больше сопротивление току воздуха. в трубе может образоваться конденсат и замёрзнуть.
  • расположения труб подачи стока в аэротанк и трубы отвода осветлённой воды на одном уровне. сток должен подаваться сверху, а осветлённая вода вытесняться снизу. можно использовать г-образную трубу.
  • сбрасывать воду в сточную канаву (на горизонт или водоём) НЕЛЬЗЯ.