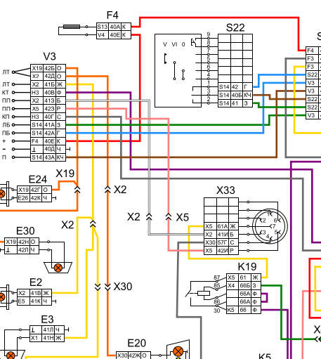
Схемы электрооборудования КамАЗ ЕВРО-1 Схемы распределены по категориям. Световая и звуковая сигнализация, система пуска и система энергосбережения. Контрольно-измерительные приборы и система отопления. Схемы хорошо масштабируются.
Схемы электрооборудования КамАЗ ЕВРО-1 Схемы распределены по категориям. Световая и звуковая сигнализация, система пуска и система энергосбережения. Контрольно-измерительные приборы и система отопления. Схемы хорошо масштабируются.
...Читать далее
Схемы электрооборудования КамАЗ ЕВРО-1
Схемы распределены по категориям. Световая и звуковая сигнализация, система пуска и система энергосбережения. Контрольно-измерительные приборы и система отопления. Схемы хорошо масштабируются.