Найти в Дзене
Меандр Радиолюбитель

DSP всеволновой радиоприёмник.

Всем доброго, сегодня расскажу о простом приёмнике с цифровой обработкой сигнала. Для сборки такого аппарата понадобится:
Микросхема SI4732 или SI4735.
Отладочная плата МК ESP32.
Сенсорный TFT дисплей на длайвере ILI9341.
Энкодер.
Щепотка "рассыпухи" в которую затесался "часовой" кварц на 32.768КГц.
Ферритовое колечко с проницаемостью 600-3000 (не критично). Собрал устройство навесом прямо на передней панели приёмника. Панель сделана из фольгированного текстолита который используется в качестве общего провода.
Дисплей крепится винтами через латунные стойки, а модуль ESP32 и переходная плата микросхемы DSP приёмника припаяны угловыми штырьками к пятачкам из текстолита которые приклеенные к панели. Все ножки кроме опорных угловых, висят в воздухе.
В качестве УНЧ применен готовый модуль pam8403. На схеме, для "глушения" НЧ сигнала в режиме "Mute", установлены два транзистора в цепях выходов SI4732/5, в моем исполнении их нет, но режим "mute" работает нормально.
Вся схема питается о

Всем доброго, сегодня расскажу о простом приёмнике с цифровой обработкой сигнала.

Для сборки такого аппарата понадобится:
Микросхема SI4732 или SI4735.
Отладочная плата МК ESP32.
Сенсорный TFT дисплей на длайвере ILI9341.
Энкодер.
Щепотка "рассыпухи" в которую затесался "часовой" кварц на 32.768КГц.
Ферритовое колечко с проницаемостью 600-3000 (не критично).

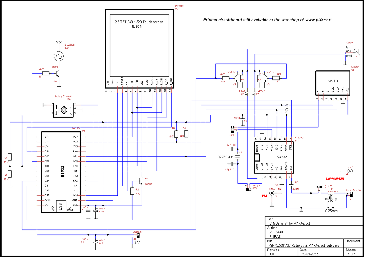
Схема с "Гитхаб"
Схема с "Гитхаб"

Собрал устройство навесом прямо на передней панели приёмника.

-3

Панель сделана из фольгированного текстолита который используется в качестве общего провода.
Дисплей крепится винтами через латунные стойки, а модуль ESP32 и переходная плата микросхемы DSP приёмника припаяны угловыми штырьками к пятачкам из текстолита которые приклеенные к панели.

-4
-5

Все ножки кроме опорных угловых, висят в воздухе.

В качестве УНЧ применен готовый модуль pam8403.

Фото с сайта "Озон"
Фото с сайта "Озон"

На схеме, для "глушения" НЧ сигнала в режиме "Mute", установлены два транзистора в цепях выходов SI4732/5, в моем исполнении их нет, но режим "mute" работает нормально.
Вся схема питается от сетевого трансформатора и линейного стабилизатора на КРЕн5.
В приёмнике реализованы режимы сканирования и анализа спектра охватываемых частот выбранного диапазона. Есть список предустановленных станций и "блокнот" для ручной забивки часто используемых частот с запоминанием не только частоты, но и режима модуляции. Так же в приёмнике есть НЧ фильтры и ручной выбор шага перестройки

Огромный выбор пользовательских настроек делает эту самоделку весьма привлекательным для повторения изделием.

Выходит конечно не дешево, однако затраты на детали, несоизмеримо меньше стоимости готового заводского аппарата, с которого и "слизан" этот приёмник.

-7

Самоделка обойдётся в 2-2,5К при том-же функционале. Ну а красота и эстетичность это уже дело каждого, я вот красиво делать не умею, а у многих получается красивее чем заводское.

В этом архиве лежит прошивка и архив с библиотеками которые лежат в моей IDE. Какие-то из них обязательно потребуются. Папку из архива нужно будет временно подсунуть вашей IDE, временно изменив имя своей папки. После прошивки сами решите, оставить так или все вернуть на место.
Модуль синтезатора SI5351 не обязателен, я его не подключал.
Если возникнут проблемы с компиляцией скетча, то это скорее всего связано с версией платформы ESP32 установленной в Arduino IDE. Как это решить описывал в
этой статье.

Под видеороликом этого приёмника, опубликованным ранее, читатель мне подсказывал, что на входе желательно установить диапазонные полосовые фильтры, полностью с ним согласен, но как реализовать автоматическое переключение оных, пока не придумал.

Всем спасибо за внимание. Всем удачи в повторении данного устройства, оно вас не разочарует!


Внимание: если вы читаете эту статью в "Одноклассниках" - знайте, весь контент внутри "Одноклассников" под авторством "Меандр Радиолюбитель", скопирован "Одноклассниками" очень хитрым способом. Все ссылки внутри статей, будут вас водить по скопированным статьям, там же в "Ок.ru". Там вы не сможете задать мне вопрос по интересующей теме, а так же, все ваши лайки/дизлайки так и останутся незамеченными мною на ресурсе с которого "ОК" это всё умыкнул. Так-что если хотите взаимодействовать с оригинальным контентом в первоисточнике, переходите по этой ссылке на мой Дзен канал и там, уже внутри канала, читайте, комментируйте, оценивайте.