Добавить в корзинуПозвонить
Найти в Дзене

Заказать гидравлические цилиндры по чертежам

Заказ гидравлических цилиндров по чертежам в ООО «ХК «Локус»
ООО «ХК «Локус» специализируется на изготовлении гидравлических цилиндров по чертежам заказчика, предлагая широкий спектр решений для предприятий различных отраслей. Мы разрабатываем как простые, так и сложные цилиндры, которые могут использоваться в самых разных производственных условиях. Наши гидравлические цилиндры создаются в полном соответствии с требованиями и спецификациями клиента, что делает их идеальными для конкретных задач. Например, ниже представлены основные технические характеристики одного из наших цилиндров: Наша команда предоставляет возможность заказать гидравлические цилиндры по чертежам, адаптированные к различным условиям эксплуатации. Мы гарантируем, что каждый цилиндр будет произведен с учетом всех деталей, указанных в чертеже, включая требования по качеству материалов, герметичности и плавности хода штока. Чертежи ООО "ХК "Локус" www.locus.ru При производстве гидравлических цилиндров важно учитывать м
Оглавление

Заказ гидравлических цилиндров по чертежам в ООО «ХК «Локус»
ООО «ХК «Локус» специализируется на изготовлении гидравлических цилиндров по чертежам заказчика, предлагая широкий спектр решений для предприятий различных отраслей. Мы разрабатываем как простые, так и сложные цилиндры, которые могут использоваться в самых разных производственных условиях. Наши гидравлические цилиндры создаются в полном соответствии с требованиями и спецификациями клиента, что делает их идеальными для конкретных задач.

Например, ниже представлены основные технические характеристики одного из наших цилиндров:

  • Рабочее давление: 20 МПа
  • Рабочая жидкость: минеральное масло ВМГЗ-60 или его аналог
  • Усилие толкающее: 39 кН
  • Усилие тянущее: 18 кН
  • Температура эксплуатации: от -45°C до +45°C
  • Материал корпуса: сталь Q345E
  • Материал штока: сталь 35CrMo с термообработкой до твердости HB 260-300

Наша команда предоставляет возможность заказать гидравлические цилиндры по чертежам, адаптированные к различным условиям эксплуатации. Мы гарантируем, что каждый цилиндр будет произведен с учетом всех деталей, указанных в чертеже, включая требования по качеству материалов, герметичности и плавности хода штока.

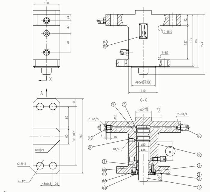
Чертежи ООО "ХК "Локус" www.locus.ru

Процесс производства гидравлических цилиндров

При производстве гидравлических цилиндров важно учитывать множество параметров, таких как температура окружающей среды, рабочее давление и совместимость с рабочими жидкостями. Мы следим за соблюдением всех этих факторов, чтобы обеспечить надежность и долговечность изделий.

Перед отправкой цилиндры проходят испытания на герметичность, проверяются на плавность движения штока и соответствие чертежу. В комплект поставки всегда входят гидроцилиндр, паспорт изделия и комплект ЗИП для обеспечения дальнейшей эксплуатации.

Преимущества заказа цилиндров по чертежам

Возможность заказать гидравлические цилиндры по чертежам открывает перед нашими клиентами множество преимуществ:

  1. Полная индивидуализация. Заказчик может предоставить собственные чертежи, что позволяет изготовить изделие, полностью соответствующее нуждам его предприятия.
  2. Точное соответствие требованиям. Наши инженеры работают с чертежами любой сложности, гарантируя, что все технические параметры, включая рабочее давление, материал, размер и функциональные особенности, будут учтены.
  3. Качество и контроль. На каждом этапе производства мы тщательно проверяем гидравлические цилиндры, чтобы они соответствовали всем необходимым стандартам.

Как заказать гидравлические цилиндры по чертежам

Если вам нужно заказать гидравлические цилиндры по чертежам, вы можете связаться с нашими специалистами. Мы поможем вам с выбором материалов, определением необходимых параметров и другими важными аспектами, чтобы обеспечить успешное завершение проекта. Независимо от сложности задачи, ООО «ХК «Локус» готово предоставить решение, которое удовлетворит все ваши потребности в гидравлическом оборудовании.

Заказ гидравлических цилиндров по индивидуальным чертежам позволяет вам получить высококачественное оборудование, полностью адаптированное к вашим условиям эксплуатации.

Заказать гидравлические цилиндры - перейти к бланку заявки.