Найти в Дзене
Immit

Простейшая мигалка на транзисторах

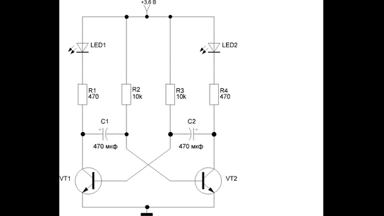
В данной статье будет рассмотрена мигалка (простейший генератор прямоугольных импульсов) построенная на 2-х NPN транзисторах. Работа данного генератора происходит следующим образом: В момент подачи тока (момент коммутации/ тот момент когда вставляется батарейка) создаются условия для открытия обоих транзисторов: через резисторы R2 и R3 начинает течь ток в их базы, что инициирует их «открытие», но ввиду неидеальности всех элементов, одновременного открытия не происходит и один из транзисторов открывается раньше. Допустим первым открылся VT1. В этот же момент условия для открытия VT2 исчезают. Происходит это за счёт образования на коллекторе VT1 околонулевого потенциала, дублируемого с земли (к которой подсоединён эмиттер). Этот околонулевой потенциал дублируется с коллектора VT1 на базу VT2, через конденсатор C1. Как только это происходит, ток который через резистор R2 “тёк” в базу VT2 начинает перетекать через конденсотор C1 на землю. Это приводит к зарядке конденсатора C1. Как только
Оглавление

В данной статье будет рассмотрена мигалка (простейший генератор прямоугольных импульсов) построенная на 2-х NPN транзисторах.

принципиальная генератора прямоугольных импульсов
принципиальная генератора прямоугольных импульсов

Работа данного генератора происходит следующим образом:

В момент подачи тока (момент коммутации/ тот момент когда вставляется батарейка) создаются условия для открытия обоих транзисторов: через резисторы R2 и R3 начинает течь ток в их базы, что инициирует их «открытие», но ввиду неидеальности всех элементов, одновременного открытия не происходит и один из транзисторов открывается раньше. Допустим первым открылся VT1. В этот же момент условия для открытия VT2 исчезают. Происходит это за счёт образования на коллекторе VT1 околонулевого потенциала, дублируемого с земли (к которой подсоединён эмиттер). Этот околонулевой потенциал дублируется с коллектора VT1 на базу VT2, через конденсатор C1. Как только это происходит, ток который через резистор R2 “тёк” в базу VT2 начинает перетекать через конденсотор C1 на землю. Это приводит к зарядке конденсатора C1. Как только он будет заряжен, ток снова начнёт поступать в базу VT2 и тот откроется, что мгновенно создаст около нулевой потенциал на его коллекторе и развернёт ток с базы VT1 в конденсотор C2 и тот закроется. Далее всё будет посторяться, приводя к попеременному открытию транзисторов.

Светодиоды же мигают за счёт протекания через них тока. Например при открытии транзистора VT1 ток протекает из батарейки через LED1-R1-VT1 на землю («-» контакт батарейки).
Графически протекающие токи выглядят следующим образом:

-2

С принципами работы вроде разобрались, но что влияет на частоту мигания светодиодов?

Как можно догадаться из описания работы, на это влияет емкость конденсаторов. Именно их заряд регулирует открытие и закрытие транзисторов. Чем больше емкость конденсатора, тем дольше он заряжается, тем дольше период мигания.

Помимо емкости конденсатора, время его зарядки регулируется резистором (R2 и R3 в схеме). Чем выше сопротивление этих резисторов, тем меньшим током заряжается конденсатор, тем дольше это происходит, а значит и период мигания увеличивается. Тут стоит отметить, что есть ограничения по увеличению сопротивления резисторов, если взять слишком большое сопротивление, то тока, текущего в базу транзистора, может не хватить для его открытия.

Для расчёта времени зарядки конденсатора можно использовать формулу:

T= (U*C)/I

Для вычисления силы тока можно воспользоваться законом Ома для участка цепи:

U = I*R, следовательно I= U/R

Тогда получим

T = (U*C)/(U/R) = (R*U*C)/U= R*C

Подставим наши значения (указазаны в схеме) R= 10000 Ом, С= 470 мкФ

T = 10.000 *470 * 10^(-6) = 4,7 секунд

Что означает что каждый светодиод будет гореть приблизительно по пять секунд.