Найти в Дзене
Обогрев Люкс

Монтаж системы обогрева кровли для жилого дома

Оглавление

В условиях сурового климата Ленинградской области, где зимы могут быть особенно снежными и холодными, системы электрообогрева кровли и водосточной системы становятся неотъемлемой частью обеспечения безопасности и комфорта частных домов. В данной статье мы расскажем о проекте, реализованном нашей компанией в частном доме в СНТ Гарболово всего за 4 дня. Мы подробно опишем используемые материалы, этапы установки и результаты нашей работы, чтобы продемонстрировать профессионализм и надежность наших решений.

Описание объекта и задачи:

Адрес расположения объекта: Ленинградская обл., деревня Гарболово.

Задача: Обогрев кровли и водосточной системы для предотвращения образования наледи и снега.

Для реализации проекта были использованы следующие материалы:

  • Комплект соединительной заделки для греющего кабеля КПШ в блистере
  • Трос в ПЭ оболочке 2,8
  • Крепление для троса PSK цинк
  • Коуш для троса 3мм
  • Зажим крепежный LP/Т.1-25 Ц
  • Кронштейн для опуска кабеля в трубу KD.04 Ц
  • Полоса крепежная 0,5х15 мм Ц
  • Зажим крепежный LP.1-25 Ц
  • Коробка монтажная Abox100 с клеммником
  • Коробка монтажная Abox040
  • Сальник SKINTOP ST PG 16 мини
  • Щит обогрева КР 3/10/330 с терморегулятором РТ-330
  • Датчик температуры TST05-2,0 (-50 до +40)
  • Кабель силовой ВВГнг(А)-LS 5*2,5
  • Кабель силовой ВВГнг LS 3х2,5
  • ПВС 3*0,75
  • Гофрошланг с зондом
  • Комплект снегозадержания
  • Саморегулирующийся нагревательный кабель PSK16-2BT

Этапы установки системы электрообогрева

1. Подготовительные работы
В первую очередь, монтажная бригада провела тщательный осмотр кровли и водосточной системы, чтобы определить оптимальные места для укладки греющего кабеля и установки датчиков. Были проведены замеры и расчеты, чтобы определить необходимое количество материалов и мощность системы.

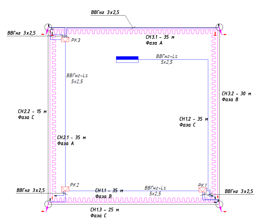
План раскладки объекта
План раскладки объекта

2. Укладка и фиксация греющего кабеля
Греющий кабель PSK16-2BT был уложен в желобе и водосточных трубах в одну нитку, что обеспечило равномерное распределение тепла и предотвращение образования льда. На краю козырька кабель был уложен змейкой, что позволило эффективно обогревать наиболее уязвимые участки кровли. Для фиксации кабеля использовались крепежные зажимы LP/Т.1-25 Ц и LP.1-25 Ц, а также трос в ПЭ оболочке 2,8 с креплениями PSK цинк и коушами для троса 3мм непосредственно в водосточной трубе.

3. Монтаж оборудования для управления системой
В щит заказчика было смонтировано оборудование для управления системой электрического обогрева, включая щит обогрева
КР 3/10/330 с терморегулятором РТ-330, к которому был подключен датчик температуры TST05-2,0. Это  обеспечило возможность гибкого управления и мониторинга состояния системы. Применение терморегулятора РТ-330 обеспечило возможность автоматического и ручного управления системой (установка дипазона температур, в котором будет работать обогрев).

4. Установка распределительных коробок и подключение кабелей
Монтажная бригада установила распределительные коробки
Abox100 с клеммником и Abox040, которые обеспечили надежное соединение всех элементов системы. Для защиты кабелей от внешних воздействий использовались сальники SKINTOP ST PG 16 мини и гофрошланг с зондом. Силовые кабели ВВГнг(А)-LS 5*2,5 использовались для соединения щита с распределительными коробками, в то время как ВВГнг(А)-LS 3х2,5 были подключены к греющему кабелю и распределительным коробкам, обеспечивая надежное электропитание системы.

-5

5. Установка датчиков и пусконаладочные работы
На кровле был установлен датчик температур, который обеспечил точный контроль работы системы обогрева, за счет срабатывания терморегулятора в зависимости от погодных условий. После установки всех элементов системы были проведены пусконаладочные работы, включающие проверку работоспособности всех компонентов и настройку параметров работы системы.

Результаты и выводы

В результате проведенных работ была успешно установлена система электрообогрева кровли и водосточной системы, которая обеспечивает надежную защиту от образования наледи и снега. Итоговая мощность системы составила 4 кВт, что позволяет эффективно обогревать кровлю и водосточную систему даже в самых суровых погодных условиях. Система работает в автоматическом режиме, что обеспечивает удобство и безопасность эксплуатации. Если Вы хотите подключить схожую систему обогрева кровли, оставляйте заявку через почту info@obogrev-lux.ru.