Добавить в корзинуПозвонить
Найти в Дзене
ТГКО.РУ новости

Ученые запатентовали новый композит для производства прочных полиэтиленовых труб

Специалисты ФИЦ "Институт катализа СО РАН" совместно с коллегами из Института проблем нефти и газа СО РАН (Якутия) запатентовали композиционный материал на основе трубного полиэтилена с добавлением углеродных нановолокон, устойчивый к истиранию. Для получения нановолокон методом пиролиза углеводородов в ИК СО РАН разработали катализаторы на основе никеля и меди.
Полимеры как материал для производства труб показывают более высокие качественные характеристики, чем сталь, которая сильнее уязвима перед абразивными средами. Чтобы повысить прочность полимеров, используют углеродные наноматериалы.
Старший научный сотрудник лаборатории материаловедения ИПНГ СО РАН к.т.н. Евгения Петухова рассказала, что трубы, изготовленные из стали, изнашиваются в процессе транспортировки через них абразивной среды достаточно быстро. Таким образом, использование полимерных композитных труб более целесообразно. Основным видом износа для систем водоотведения и канализации остается гидроабразивный износ, когда т

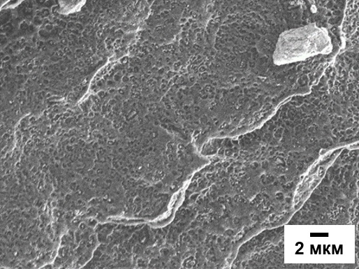
Специалисты ФИЦ "Институт катализа СО РАН" совместно с коллегами из Института проблем нефти и газа СО РАН (Якутия) запатентовали композиционный материал на основе трубного полиэтилена с добавлением углеродных нановолокон, устойчивый к истиранию. Для получения нановолокон методом пиролиза углеводородов в ИК СО РАН разработали катализаторы на основе никеля и меди.
Полимеры как материал для производства труб показывают более высокие качественные характеристики, чем сталь, которая сильнее уязвима перед абразивными средами. Чтобы повысить прочность полимеров, используют углеродные наноматериалы.
Старший научный сотрудник лаборатории материаловедения ИПНГ СО РАН к.т.н. Евгения Петухова рассказала, что трубы, изготовленные из стали, изнашиваются в процессе транспортировки через них абразивной среды достаточно быстро. Таким образом, использование полимерных композитных труб более целесообразно. Основным видом износа для систем водоотведения и канализации остается гидроабразивный износ, когда твердые частицы постепенно разрушают материал. Однако, если ввести дополнительный наноструктурированный агент, можно продлить срок эксплуатации труб.
Нановолокна получают разными способами, но в промышленных масштабах перспективен метод пиролиза метана. С его помощью производят так называемый "бирюзовый" водород, а нановолокна становятся вторым крупнотоннажным продуктом. Получение "бирюзового" водорода дает низкий уровень выброса углерода. Его можно либо захоронить, либо использовать в промышленности, включая сталелитейное производство. Специалисты Центра компетенций Национальной технологической инициативы "Водород как основа низкоуглеродной экономики" на базе ИК СО РАН разработали катализаторы на основе никеля и меди для пиролиза легких углеводородов, входящих в состав природного и попутного нефтяного газа.
Старший научный сотрудник Центра компетенций НТИ и отдела материаловедения и функциональных материалов ИК СО РАН к.х.н. Юрий Бауман пояснил, что основными продуктами каталитического разложения метана и других легких углеводородов являются водородсодержащий газ и углеродные нановолокна. При реализации промышленной технологии получения водорода методом пиролиза ожидаемый объем производства УНВ будет достаточно велик, в связи с чем остро встает вопрос поиска наиболее перспективных областей применения углеродного материала.
Преимущества полученных нановолокон заключаются в том, что для усиления стойкости полиэтилена к износу необходимо меньше 1% от массы продукта. Младший научный сотрудник Института катализа СО РАН Софья Афонникова отметила, что для достижения необходимого эффекта в состав композита вводится менее 1 масс. % УНВ. В итоге удается добиться снижения абразивного износа полиэтилена в 1,5 раза.
Ученые планируют исследовать возможность применения углеродных материалов в составе других полимерных матриц.

Источник: ТГКО.РУ