Добавить в корзинуПозвонить
Найти в Дзене
Кот🐈‍⬛

Замена датчика хода диафрагмы вакуумного усилителя мерседес w210

С момента покупки меня настигла ошибка BAS. Диагностика показала что не справен датчик хода диафрагмы ВУТ. И вот настал тот момент чтоб его заменить) Не много пошерстив интернет, нашел схему где все описано, времени займет минут 15 максимум) Перед началом нужно нажать пару раз на педаль тормоза, чтоб убрать давление в системе ВУТ. При установке столкнулся с небольшими трудностями, датчик не садился плотно, пришлось воспользоваться силиконовой смазкой, пшикнул на уплотнительное кольцо и датчик встал на свое место.

С момента покупки меня настигла ошибка BAS.

Диагностика показала что не справен датчик хода диафрагмы ВУТ.

И вот настал тот момент чтоб его заменить)

Вот сам датчик его нам и предстоит поменять
Вот сам датчик его нам и предстоит поменять

Не много пошерстив интернет, нашел схему где все описано, времени займет минут 15 максимум)

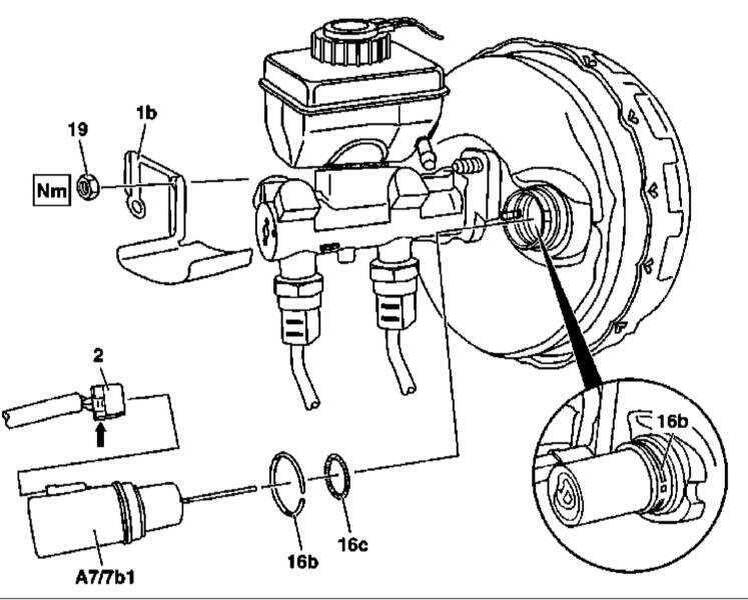
Вот и сама схема
Вот и сама схема

Перед началом нужно нажать пару раз на педаль тормоза, чтоб убрать давление в системе ВУТ.

  1. Отжав расположенный снизу язычок фиксатора (стрелка), рассоедините контактный разъем (2) электропроводки датчика хода диафрагмы BAS.
  2. Поддев подходящим инструментом, снимите стопорное кольцо (16b).
  3. Потянув наружу, извлеките из своего посадочного гнезда датчик хода диафрагмы BAS (А7/7b1).
  4. Проверьте состояние уплотнительного кольца (16с), в случае необходимости произведите его замену.
  5. Установка производится в обратном порядке, - проследите за полнотой посадки датчика в приемное гнездо.

При установке столкнулся с небольшими трудностями, датчик не садился плотно, пришлось воспользоваться силиконовой смазкой, пшикнул на уплотнительное кольцо и датчик встал на свое место.