Найти в Дзене
Меандр Радиолюбитель

Синтезатор частоты с ретро шкалой. Часть 1.

Всем доброго, Наконец-то он завершен!
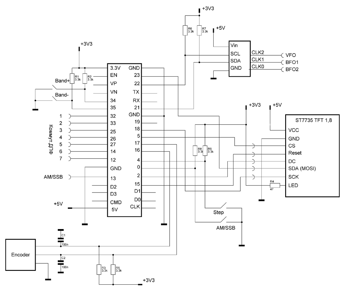
Синтезатор частоты на схеме приведенной ниже, предназначен для работы в составе супергетеродинного приемника или трансивера с одним преобразованием частоты. Синтезатор со стоковой прошивкой работает в девяти диапазонах:
1. MW.
2. 160м.
3. 100м. (тройка).
4. 80м.
5. 49м.
6. 40м.
7. 20м.
8. 15м.
9. 10м.
Устройство кроме напряжения ГПД (VFO) так-же формирует и напряжение опорного гетеродина (BFO). Частота опоры задается один раз при заливке прошивки в контроллер.
Если ваш трансивер или приёмник раньше принимал только одну боковую полосу, с этим синтезатором вы сможете принимать любую из боковых по выбору. При переключении режима модуляции, сигнал гетеродина смещается на величину ПЧ, либо вверх (LSB) относительно принимаемой частоты, либо вниз (USB) относительно принимаемой. Так же в режиме АМ на 13 пине платы контроллера появляется логическая единица, что можно использовать для переключения между АМ и SSB детекторами.
В зависимости от частоты и

Всем доброго, Наконец-то он завершен!

Синтезатор частоты на схеме приведенной ниже, предназначен для работы в составе супергетеродинного приемника или трансивера с одним преобразованием частоты.

-2

Синтезатор со стоковой прошивкой работает в девяти диапазонах:
1. MW.
2. 160м.
3. 100м. (тройка).
4. 80м.
5. 49м.
6. 40м.
7. 20м.
8. 15м.
9. 10м.
Устройство кроме напряжения ГПД (VFO) так-же формирует и напряжение опорного гетеродина (BFO). Частота опоры задается один раз при заливке прошивки в контроллер.
Если ваш трансивер или приёмник раньше принимал только одну боковую полосу, с этим синтезатором вы сможете принимать любую из боковых по выбору. При переключении режима модуляции, сигнал гетеродина смещается на величину ПЧ, либо вверх (LSB) относительно принимаемой частоты, либо вниз (USB) относительно принимаемой. Так же в режиме АМ на 13 пине платы контроллера появляется логическая единица, что можно использовать для переключения между АМ и SSB детекторами.
В зависимости от частоты и/или выбранного диапазона на одном из пинов платы контроллера (от 12, до 32, (См. схему)) присутствует логическая единица. Это напряжение подается на коммутатор диапазонных фильтров.
Описанный синтезатор уже два месяца работает в трансивере Радио-76 М2 и показал свою полезность на практике. Товарищи оператора на 80ке, как и на сороковке, нередко балуются верхней боковой, и вот тут как раз и пригождается возможность переключения на верхнюю боковую.
Кроме того - на частотах от 2900кГц, до 2950кГц, (100м) тоже есть активность свободных вещателей, и вот как раз там работают верхней боковой.

На данный момент имеется два варианта исполнения устройства:
1. Одноплатный.

-3

Тут все модули и органы управления установлены на одну общую плату. Подойдет для трансивера или приемника собираемого с нуля.

2. С выведенными модулями и кнопками за пределы основной платы.

-4

Тут на основной плате установлен только контроллер и дисплей. Кнопки, энкодер и плата синтезатора SI5351, выводятся проводами и крепятся в нужных местах уже действующего приемника/трансивера. Именно так и сделано в моем Радио-76.

По этой ссылке можно скачать схему, печатки и прошивку.

Все модули SI5351, работают на немного различных частотах, что неизбежно приводит к неточности синтезируемой частоты. Откорректировать частоту можно во вкладке si5351.cpp.

-5

На этом пока всё, если что-то непонятно - жду в комментариях.
Спасибо за внимание и до новых встреч!

Трансивер "Радио-76 М2" часть первая, S-Метр.

Радиоприём.

Пы.Сы. Нумерация компонентов на плате и схеме не совпадает, не паникуйте, там деталей мало и итак все понятно ;)