Найти в Дзене

Лего-кирпич надо?

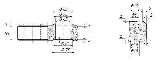
Лего-кирпич, как вид строительного изделия имеет небольшую историю. Данный блок нашел свое широкое применение только лишь в 2015 году. А уже сегодня мы видим хороший спрос на данное строительное изделие. Настоящим открытием для строителей стали его характеристики. Основными преимуществами лего-кирпича являются: - Морозостойкий - Гладкий - Данный кирпич может использовать как в строительстве стен, так и в облицовке- Благодаря своей геометрической форме, кладка такого кирпича осуществляется быстро и без усилий - Кирпич можно укладывать на клей Лего-кирпич имеет особый соединительный элемент – замок. Замок представляет собой отверстие с углублением с нижней стороны и выпирающим кольцом сверху. Данное соединение обеспечивает быстроту кладки. Также, стоит отметить что простота укладывания кирпича может значительно сэкономить на строительстве, ведь, кладку можно осуществлять своими силами. Лего-кирпич изготавливается способом вибропрессования. В отличие от стандартного кирпича, такая техноло

Лего-кирпич, как вид строительного изделия имеет небольшую историю. Данный блок нашел свое широкое применение только лишь в 2015 году. А уже сегодня мы видим хороший спрос на данное строительное изделие. Настоящим открытием для строителей стали его характеристики. Основными преимуществами лего-кирпича являются:

- Морозостойкий

- Гладкий

- Данный кирпич может использовать как в строительстве стен, так и в облицовке- Благодаря своей геометрической форме, кладка такого кирпича осуществляется быстро и без усилий

- Кирпич можно укладывать на клей

Лего кирпич
Лего кирпич

Лего-кирпич имеет особый соединительный элемент – замок. Замок представляет собой отверстие с углублением с нижней стороны и выпирающим кольцом сверху. Данное соединение обеспечивает быстроту кладки. Также, стоит отметить что простота укладывания кирпича может значительно сэкономить на строительстве, ведь, кладку можно осуществлять своими силами.

Лего-кирпич изготавливается способом вибропрессования. В отличие от стандартного кирпича, такая технология не требует последующего обжига. Благодаря процессу вибропрессования на установках «Рифей-Кондор» обеспечивается сильное уплотнение лего-кирпича. После изготовления изделия на вибропрссе, необходимо лишь вылеживание камня и его дальнейшее применение на стройке.

Клиентам, которые уже работают на установке «Кондор» необходимо лишь приобрести специальную пуансон-матрицу и установить её на свой станок. Дальнейшее переоборудование и перенастройка не требуется. Использование фирменной оснастки «Рифей» гарантирует высокое качество выпускаемых лего-кирпичей.