Найти в Дзене
PRACTICAL ELECTRONICS

Электронный предохранитель для слаботочных цепей

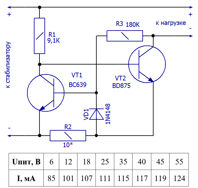
В сети и печатных изданиях описано немало устройств, защищающих стабилизаторы напряжения от перегрузки. Несмотря на широкое распространение интегральных стабилизаторов со встроенной защитой, необходимость в подобных приборах всё же существует. В публикации предложен ещё один вариант простого электронного предохранителя. Схема отличается своей простотой, содержит всего два транзистора и предназначена для работы с нагрузкой постоянного тока напряжением от 6 до 55 В. Ток срабатывания можно настроить по своему усмотрению начиная от 10 до 600 мА. Хотелось бы также отметить, что в популярных схемах электронных предохранителей нижний предел срабатывания довольно высок и начинается, как правило, от 200 мА. А между тем, на мой взгляд, актуальность электронного предохранителя, наиболее выражена именно на малых токах, в районе 100 мА. Именно в слаботочных схемах обычный плавкий предохранитель может «подвести». При номинальном токе падение напряжения на резисторе R2 недостаточно для открывания тра

В сети и печатных изданиях описано немало устройств, защищающих стабилизаторы напряжения от перегрузки. Несмотря на широкое распространение интегральных стабилизаторов со встроенной защитой, необходимость в подобных приборах всё же существует.

В публикации предложен ещё один вариант простого электронного предохранителя. Схема отличается своей простотой, содержит всего два транзистора и предназначена для работы с нагрузкой постоянного тока напряжением от 6 до 55 В. Ток срабатывания можно настроить по своему усмотрению начиная от 10 до 600 мА.

Хотелось бы также отметить, что в популярных схемах электронных предохранителей нижний предел срабатывания довольно высок и начинается, как правило, от 200 мА.

А между тем, на мой взгляд, актуальность электронного предохранителя, наиболее выражена именно на малых токах, в районе 100 мА. Именно в слаботочных схемах обычный плавкий предохранитель может «подвести».

При номинальном токе падение напряжения на резисторе R2 недостаточно для открывания транзистора VT1. Он закрыт, а транзистор VT2 открыт током, протекающим через резистор R1. Сопротивление резистора подобрано так, чтобы в рабочем режиме транзистор VT2 был полностью открыт.

Когда ток нагрузки достигнет порога срабатывания, падение напряжения на резисторе R2 увеличится до 1... 1,1 В, которого за вычетом напряжения на диоде VD1 хватит для открывания транзистора VT1.

В результате транзистор VT2 закроется, а ток, протекающий через резистор R3, ещё больше откроет транзистор VT1.

Сопротивление резистора R2 подбирают в зависимости от тока нагрузки. В таблице (см. рис.) приведены значения тока срабатывания от напряжения питания при сопротивлении резистора R2 10 Ом.

Вместо указанных на схеме транзисторов можно применить наши отечественные аналоги: VT1 – КТ503Е, а VT2 – КТ972А. Диод VD1 – любой маломощный кремниевый.

При налаживании желательно, подбирая резистор R3, добиться триггерного режима работы устройства.