Найти в Дзене

CREATIVE WAY | Применение систем позиционирования персонала на современных дискретных производствах

В пределах производственного объекта, такого как цех, такая система становится важным инструментом для повышения эффективности и безопасности на современных дискретных производствах. Говоря о дискретном производстве, стоит отметить, что это тип производственного процесса, характеризующийся изготовлением отдельных, четко различимых единиц продукции или изделий. В дискретном производстве исходный материал проходит через конечное число технологических и сборочных операций, с прерыванием процесса между этапами. Этот вид производства широко применяется в таких отраслях, как машиностроение и автомобилестроение, где каждое изделие проходит через определенные этапы обработки, прежде чем стать готовым продуктом​ 1. Разница в производительности смен. Одной из ключевых проблем на производстве является различие в производительности между сменами, особенно между дневной и ночной. При отсутствии должного контроля ночная смена часто показывает более низкую производительность. Система позиционирования
Оглавление

В пределах производственного объекта, такого как цех, такая система становится важным инструментом для повышения эффективности и безопасности на современных дискретных производствах.

Говоря о дискретном производстве, стоит отметить, что это тип производственного процесса, характеризующийся изготовлением отдельных, четко различимых единиц продукции или изделий. В дискретном производстве исходный материал проходит через конечное число технологических и сборочных операций, с прерыванием процесса между этапами. Этот вид производства широко применяется в таких отраслях, как машиностроение и автомобилестроение, где каждое изделие проходит через определенные этапы обработки, прежде чем стать готовым продуктом​

Предпосылки внедрения системы позиционирования

1. Разница в производительности смен.

Одной из ключевых проблем на производстве является различие в производительности между сменами, особенно между дневной и ночной. При отсутствии должного контроля ночная смена часто показывает более низкую производительность. Система позиционирования позволяет точно отслеживать, сколько времени сотрудники каждой смены проводят на рабочих местах, что помогает выявить причины снижения эффективности.

Онлайн трансляция положения сотрудника в реальном времени
Онлайн трансляция положения сотрудника в реальном времени

2. Неоптимальное расположение оборудования / Неправильное размещение станков, рабочих столов и другого.

Неправильное размещение станков, рабочих столов и другого оборудования может приводить к увеличению времени перемещения персонала по цеху. Система позиционирования позволяет построить маршруты движения сотрудников, на основе которых можно оптимизировать расположение оборудования. Это способствует сокращению непроизводительных перемещений и повышению общей эффективности работы.

Хранение и обработка в реальном времени координат положения сотрудников в пределах заданной территории.
Хранение и обработка в реальном времени координат положения сотрудников в пределах заданной территории.

3. Контроль недобросовестных сотрудников.

Система позволяет выявить сотрудников, которые проводят недостаточное количество времени на рабочем месте. Это помогает руководству принимать обоснованные решения по повышению дисциплины и эффективности труда.

4. Безопасность в аварийных ситуациях.

В случае возникновения чрезвычайных ситуаций, таких как пожар или задымление, система позиционирования позволяет быстро определить местонахождение всех сотрудников. Это критически важно для обеспечения их безопасности и проведения эффективной эвакуации

Построение маршрутов перемещения сотрудников за выбранный период
Построение маршрутов перемещения сотрудников за выбранный период

5. Оповещение о нахождении в опасных зонах.

Система может автоматически предупреждать сотрудников о входе в зоны повышенной опасности, например, с высокой загазованностью. Персональная метка сотрудника фиксирует его вход в опасную зону и немедленно подает сигнал о необходимости покинуть данное помещение, что значительно повышает уровень производственной безопасности.

Компоненты системы позиционирования

Система позиционирования персонала состоит из трех основных компонентов

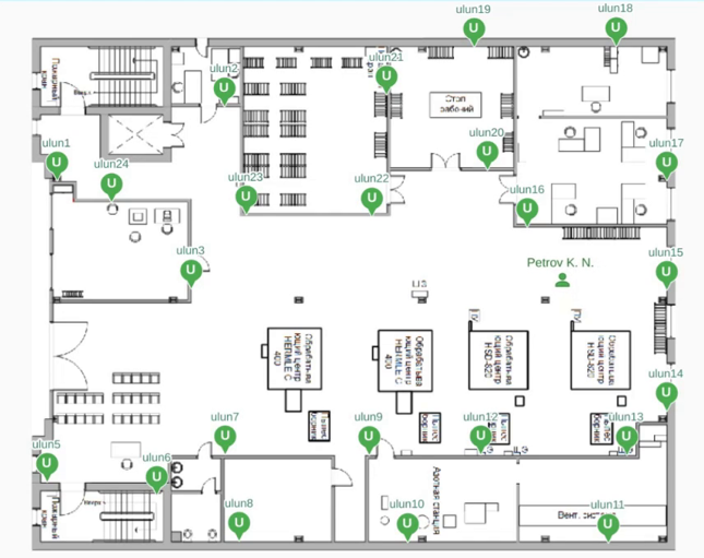
  1. Анкеры- это ключевые элементы инфраструктуры системы позиционирования, представляющие собой радиочастотные устройства. Они размещаются на стенах или других стационарных объектах производственного помещения, образуя сеть для идентификации и позиционирования контролируемых объектов. Анкеры выполняют функцию своеобразных "антенн", которые взаимодействуют с метками, носимыми сотрудниками или прикрепленными к отслеживаемым предметам. Они способны определять расстояние до меток путем измерения времени прохождения сигнала, что позволяет системе вычислять точное местоположение объектов в режиме реального времени. Эти устройства могут использоваться для отслеживания широкого спектра объектов, включая людей, транспортные средства, подвижные механизмы и различные предметы. Благодаря своей универсальности, анкеры являются незаменимым компонентом в современных системах позиционирования, обеспечивая высокую точность и надежность работы всей системы.
  2. Метки - это малогабаритные персональные устройства, которые выдаются каждому сотруднику или прикрепляются к контролируемым объектам (людям, предметам, транспортным средствам и т.п.). Они служат для идентификации и отслеживания местоположения работника или объекта в пределах контролируемой зоны. Каждая метка имеет уникальный идентификатор, что позволяет системе точно определять, какой именно объект или сотрудник отслеживается. Благодаря своим небольшим размерам, метки удобны в использовании и не мешают выполнению рабочих обязанностей.Метки - это персональные устройства, которые выдаются каждому сотруднику. Они служат для отслеживания местоположения работника в пределах контролируемой зоны.
  3. Зарядный шкаф - это специализированное устройство, играющее ключевую роль в системе позиционирования персонала. Он выполняет несколько важных функций: - Хранение и зарядка меток: Когда сотрудники не находятся на смене, их метки хранятся и заряжаются в этом шкафу, обеспечивая их постоянную готовность к работе. - Учет выдачи устройств: Шкаф интегрируется с системой контроля доступа (СКУД), что позволяет автоматизировать процесс выдачи и сдачи меток. - Персонализированный доступ: Каждый сотрудник имеет доступ только к своей ячейке, что обеспечивает безопасность и персональную ответственность за устройство. Оптимизация количества меток: Использование зарядного шкафа позволяет иметь количество меток, равное числу работников на двух сменах плюс небольшой запас, вместо того чтобы обеспечивать меткой каждого сотрудника предприятия. Процесс использования шкафа выглядит следующим образом: в начале смены сотрудник прикладывает свою карту СКУД к считывателю, после чего открывается ячейка с его меткой. В конце смены процедура повторяется для сдачи метки обратно в шкаф. Такой подход не только обеспечивает сохранность и заряд меток, но и делает всю систему более компактной и экономически эффективной. Это особенно важно для предприятий с большим количеством сотрудников и сменным графиком работы. Зарядный шкаф используется для хранения и зарядки меток, когда сотрудники не находятся на смене.
Оптимизация количества меток: Использование зарядного шкафа позволяет иметь количество меток, равное числу работников на двух сменах плюс небольшой запас, вместо того чтобы обеспечивать меткой каждого сотрудника предприятия. Процесс использования шкафа выглядит следующим образом: в начале смены сотрудник прикладывает свою карту СКУД к считывателю, после чего открывается ячейка с его меткой. В конце смены процедура повторяется для сдачи метки обратно в шкаф. Такой подход не только обеспечивает сохранность и заряд меток, но и делает всю систему более компактной и экономически эффективной. Это особенно важно для предприятий с большим количеством сотрудников и сменным графиком работы. Зарядный шкаф используется для хранения и зарядки меток, когда сотрудники не находятся на смене.

Принципы работы системы

Зональное позиционирование.

В этом режиме система просто определяет, в каком помещении находится сотрудник, основываясь на том, какой анкер "видит" его метку.

Точное позиционирование

Для определения точного местоположения сотрудника необходимо, чтобы его метку "видели" как минимум три анкера. Расстояние от анкеров до метки измеряется путем определения времени прохождения сигнала. Затем, используя метод триангуляции, система вычисляет точную позицию человека. Метод триангуляции основан на геометрических принципах и работает следующим образом: каждый анкер, получив сигнал от метки, определяет расстояние до нее. Это расстояние можно представить как радиус окружности с центром в месте расположения анкера. Когда три таких окружности пересекаются, точка их пересечения и является местоположением метки (и, соответственно, сотрудника). Система, зная точные координаты анкеров и расстояния от каждого из них до метки, может математически вычислить координаты этой точки пересечения, тем самым определив местоположение сотрудника с высокой точностью.

Серверная и сетевая инфраструктура

  1. Объединение анкеров в единую сеть для централизованного сбора данных.
  2. Подключение сети анкеров к центральному серверу
  3. Установка и настройка специализированного ПО на сервере для обработки данных, вычисления координат и предоставления информации пользователям.
  4. Возможность работы с различными вендорами вендорами систем позиционирования (RTLS, RealTech и др.).
  5. Проектирование с учетом возможности масштабирования системы.
  6. Обеспечение безопасности хранения и передачи конфиденциальных данных о местоположении сотрудников.
Эта инфраструктура обеспечивает бесперебойную работу системы, позволяя эффективно собирать, обрабатывать и анализировать данные в реальном времени.

Основные функции системы позиционирования и их применение

1. Онлайн-трансляция положения сотрудников

Система обеспечивает мониторинг местоположения персонала в реальном времени. Это позволяет оперативно реагировать на нештатные ситуации, контролировать присутствие сотрудников на рабочих местах и оценивать эффективность использования рабочего времени.

2. Отчеты по нахождению в рабочих зонах

Функция формирования отчетов о пребывании сотрудников в заданных зонах за выбранный период времени. Зоны могут быть определены как отдельные помещения или группы помещений.

  1. Анализировать эффективность использования рабочего времени
  2. Выявлять отклонения от нормативов пребывания на рабочих местах
  3. Сравнивать производительность различных смен

3. Построение маршрутов перемещения

Система способна визуализировать маршруты движения сотрудников за выбранный период. Это дает возможность:

  1. Оптимизировать расположение оборудования для минимизации непроизводительных перемещений
  2. Анализировать эффективность текущей планировки производственных помещений
  3. Выявлять нетипичные маршруты, которые могут указывать на нарушения трудовой дисциплины

Эти функции в комплексе решают основные задачи, стоящие перед системой позиционирования:

  1. Повышение производительности труда
  2. Оптимизация использования производственных площадей
  3. Усиление контроля за соблюдением трудовой дисциплины
  4. Обеспечение безопасности персонала в чрезвычайных ситуациях
Интеграция данных функций позволяет руководству предприятия принимать обоснованные решения по улучшению производственных процессов и повышению общей эффективности работы. Внедрение систем позиционирования персонала на производствах - это эффективный способ повысить производительность и безопасность труда. Особенно полезны такие системы для контроля работников с более низкой квалификацией, которым требуется более тщательное руководство и поддержка в рабочем процессе.

Отчеты по нахождению в рабочих зонах сотрудников за выбранный период
Отчеты по нахождению в рабочих зонах сотрудников за выбранный период

Система обеспечивает постоянный и беспристрастный мониторинг, что помогает улучшить рабочие процессы, укрепить дисциплину и эффективнее использовать рабочее время. При этом важно не только установить оборудование, но и правильно организовать работу с ним, обучив персонал. В современных условиях, когда производства все больше полагаются на автоматизацию и цифровые технологии, системы позиционирования становятся необходимым инструментом для поддержания конкурентоспособности предприятия

Наш web-site - CREATIVE WAY