Добавить в корзинуПозвонить
Найти в Дзене

Немного о цветомузыке. Часть-5

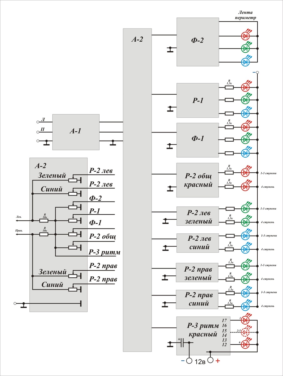
Приветствую подписчиков и гостей канала. В этой части статьи продолжим речь об устройствах цветового сопровождения музыки. Погоняв последний вариант цветомузыки, заметил, что большой барабан, задающий ритм и явно воспринимающийся на слух, на экране размывается широкой полосой низкочастотного канала, поэтому решил добавить еще один канал красного цвета, с узкой полосой настроенной на частоту барабана (назовем её схема Р-3 ритм). Поэкспериментировав с различными вариантами схем, решил сделать этот канал на основе микросхемы LM3914 (индикатор уровня аналогового сигнала с логарифмической шкалой отображения) и LC фильтра. Использовал только шесть выводов микросхемы, начиная с 17. Дроссель индуктивностью 600 мГн взял готовый, от радиолы «Гамма», но можно изготовить и самостоятельно. Поскольку все каналы и усилители у меня были выполнены с общим плюсом, а схема канала на основе микросхемы с общим минусом, на входе со стороны минуса поставил развязывающий конденсатор. Один из читателей задался

Приветствую подписчиков и гостей канала. В этой части статьи продолжим речь об устройствах цветового сопровождения музыки.

Погоняв последний вариант цветомузыки, заметил, что большой барабан, задающий ритм и явно воспринимающийся на слух, на экране размывается широкой полосой низкочастотного канала, поэтому решил добавить еще один канал красного цвета, с узкой полосой настроенной на частоту барабана (назовем её схема Р-3 ритм). Поэкспериментировав с различными вариантами схем, решил сделать этот канал на основе микросхемы LM3914 (индикатор уровня аналогового сигнала с логарифмической шкалой отображения) и LC фильтра. Использовал только шесть выводов микросхемы, начиная с 17.

Дроссель индуктивностью 600 мГн взял готовый, от радиолы «Гамма», но можно изготовить и самостоятельно.

Поскольку все каналы и усилители у меня были выполнены с общим плюсом, а схема канала на основе микросхемы с общим минусом, на входе со стороны минуса поставил развязывающий конденсатор.

Ф
Ф

Один из читателей задался вопросом, можно ли сделать на основе такой микросхемы цветомузыку с более четким разделением частот, возможностью подключения более мощных светодиодов и каналом «пауза».

Я решил попробовать реализовать эти идеи, хотя я бы назвал это устройство не цветомузыка, а СДУ (светодинамическое устройство) которое можно использовать для оформления дискотек, или вечеринок.

Поскольку более четкого разделения частот можно добиться с помощью LC фильтров, на них и решил экспериментировать.

Хотя чувствительность данной схемы позволяет подключить её к линейному выходу напрямую, все же на входе надо поставить усилитель желательно с большим входным сопротивлением, иначе фильтры работают как темброблок и звук становится «блеклым».

-3

Можно использовать входной усилитель, собранный по схеме конструктора «Прометей-1» изменив схему для использования транзисторов с обратной проводимостью, или иной простенький усилитель на одном транзисторе.

-4

Микросхема позволяет включать от одного до 3-х светодиодов с рабочим током до 10 мА, включенных последовательно к каждому выводу микросхемы, то есть до 30 светодиодов каждого цвета.
Для возможности подключения более мощной нагрузки к каждому используемому выходу микросхемы можно добавить транзисторный ключ, используемый транзистор и будет определять максимальную мощность. Но даже маломощный транзистор типа МП26, МП40 и т.п., позволяют подключить до 1 метра светодиодной ленты в каждом канале микросхемы (3 канала по 10 выходов и плюс 10 выходов канала фона = 40 метров).

-5

Я думаю, что при использовании всех выводов будет слишком много проводов, считаю, что использование 5 – 6 выводов будет достаточно. Для подключения светодиодных лент к устройству, можно использовать кабели с четырьмя витыми парами (8 проводов) используемых для локальных компьютерных сетей. Кабели можно уложить в кабель-канал, на котором установить светодиоды или приклеить светодиодную ленту. Так же светодиоды можно сгруппировать в прожектора соответствующего цвета.
В данную трехканальную схему можно добавить светодиоды фона, (один общий канал, или для каждого канала отдельно).

-6

Включение светодиодов фона в каждый канал (при увеличении уровня сигнала в одном из частотных каналов, происходит поочередное переключение желтых светодиодов фона, на основные светодиоды канала)

-7

Вариант с использованием светодиодных лент.

-8

Если все же решили использовать все выводы микросхемы, то для уменьшения соединительных проводов микросхему каждого канала с «обвесом» можно разместить непосредственно в прожекторе, или кабель-канале, тогда к каждому прожектору будет подходить всего три провода.

В схему входного усилителя можно добавить АРУ (автоматическая регулировка уровня входного сигнала) выполненного на основе фоторезистора и светодиода.

-9

Схемы с LC фильтрами выгодно отличаются четким разделением каналов. Единственное что меня напрягало, это намотка дросселей (большое количество витков с использованием тонкого провода), единственный плюс намотку можно вести «в навал» и плюс, минус 100 витков большей погоды не делают (даже заводские дроссели от «Гаммы» имеют разброс индуктивности).

В дальнейшем, когда приобрел тестер для проверки емкости конденсаторов и индуктивности катушек вообще перестал считать витки. Исходя из требуемого количества витков и сечения провода прикидывал объем, который займет катушка, изготавливал каркас (конечно немного добавив объем, ведь намотка идет не виток к витку) и наматывал дроссель, используя шуруповерт. Если индуктивность отличается от требуемой можно подкорректировать количество витков, при отклонении индуктивности на 15-20%, можно для сохранения нужной частоты контура несколько изменить емкость конденсатора (для необходимых расчетов полосы пропускания LC контура, в интернете имеются онлайн калькуляторы)

Предлагаю несколько способов изготовления дросселей, в зависимости от ваших возможностей.
Первый вариант, который предлагают при повторении дросселей «Гаммы» на основе выточенных стальных сердечников (размеры немного увеличил, лучше пусть останется свободное место).
Упрощенный сердечник можно сделать из болта (М4 или М5) двух шайб и гайки. На болт одевается шайба, потом несколько витков изоленты, или кембрик нужной длины, вторая шайба и гайка.

-10
Справа дроссель 100 мГ от радиолы "Гамма" слева дроссель на болте М5 намотанный проводом большего сечения, и примерно такой же индуктивностью 118 мГ
Справа дроссель 100 мГ от радиолы "Гамма" слева дроссель на болте М5 намотанный проводом большего сечения, и примерно такой же индуктивностью 118 мГ

Второй способ, на основе ферритового сердечника диаметром 8 мм.
Можно взять сердечник от магнитной антенны транзисторного приемника, отламывать от него куски нужного размера, для этого отмерив нужный размер, надфилем делаем насечку и обернув стержень полосками бумаги, слева и справа от насечки отламываем кусок, прикладывая усилие в противоположную сторону от насечки. Используя стержень как оправку, из полоски бумаги склеивают трубочку нужной длины и приклеивают щечки из картона (у кого есть возможность, каркас можно напечатать на 3д-принтере или подобрать готовый каркас от катушек контуров радиоприемников). При использовании ферритового сердечника требуется меньшее количество витков.

-12

Третий вариант, с использованием металлических шпулек от челнока швейной машинки (можно купить в отделах, где продаются нитки, иголки и прочее,
Я для эксперимента купил несколько за 20р штука). Вставил внутрь болт М6 и с помощью шуруповерта, произвел намотку проводом сечением 0,15 мм.

-13

Получился дроссель индуктивностью 109 мГн, если взять провод тоньше, витков войдет больше, и индуктивность будет больше, при необходимости большей индуктивности можно намотать две шпульки и соединить их последовательно.

-14

Если совсем ничего мотать не хочется, и имеется тестер для определения индуктивности, можно в качестве дросселей использовать катушки реле, магнитные головки от магнитофонов, или плееров (причем, если головка двухдорожечная, можно соединить выводы последовательно и индуктивность увеличится вдвое), можно так же использовать катушки от звонков электромеханических будильников и прочее.

-15

Раньше на катушках реле обычно писали их данные. Нашел у себя неисправное реле, на катушке указаны данные; сопротивление катушки, количество витков и сечение провода. Если прижать якорь к сердечнику, индуктивность увеличится, (Реле было без якоря, поэтому для демонстрации положил в место него шайбу, индуктивность увеличилась на 130 мГ, изменяя расстояние между якорем и сердечником можно изменять индуктивность).

-16

Для экспериментов с дросселями провод взял с катушки электромагнитного пускателя первой величины. На катушке так же указаны её данные. Для демонстрации влияния длины и положения сердечника на индуктивность, сделал несколько снимков при разном положении сердечника. Индуктивность при среднем положении сердечника в четыре раза больше чем без сердечника. Если сердечник взять короче, индуктивность станет меньше, чем с длинным.

-17

Изменяя длину и положение сердечника, можно изменять индуктивность катушки (дросселя).

Надеюсь что статья оказалась вам полезной.

До свидания!

Предыдущие части можно посмотреть по ссылкам:
https://dzen.ru/a/ZeXNChGQgSPt8fv1 Часть-1
https://dzen.ru/a/ZecQdOkqLBLULf20 Часть-2
https://dzen.ru/a/ZechAOMjlS_NKDhZ Часть-3
https://dzen.ru/a/ZgpQVbBUGgdolVDL Часть-4