Добавить в корзину
Позвонить
Найти в Дзене
Войти
Dokstan.ru
99 подписчиков
Подписаться
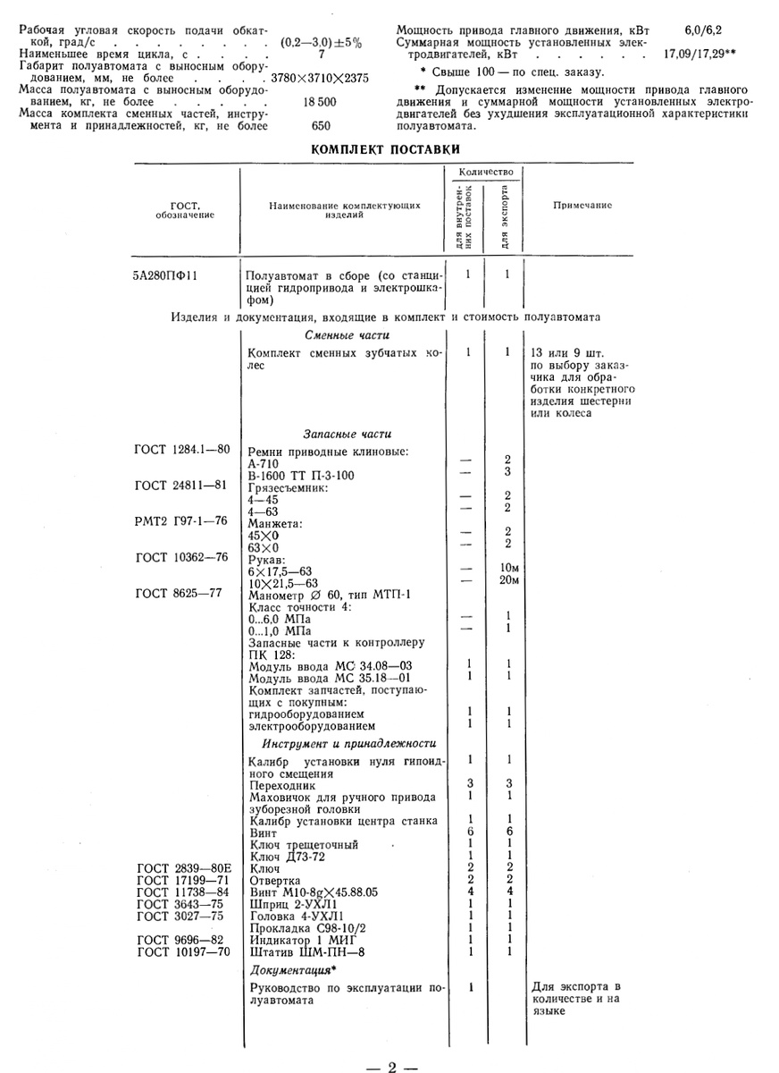
Технические характеристики на полуавтомат зуборезный 5А280ПФ11
9 августа 2024
9 авг 2024
...
Читать далее
3746239397.931.1775878570824.47298