Добавить в корзинуПозвонить
Найти в Дзене

Взрывозащищённые тормоза

Взрывозащищённые тормоза играют ключевую роль в обеспечении безопасности промышленных объектов, особенно там, где существует риск взрыва. Взрывозащищённый тормоз ТКГ является одним из таких устройств, предназначенных для использования в условиях повышенной опасности. Этот тип тормоза оснащён специальными взрывозащищёнными толкателями серий РВ, МРВ или В, которые обеспечивают его надежную работу даже в самых сложных условиях. Взрывозащищённый тормоз ТКГ представляет собой колодочный тормоз, который обеспечивает эффективное торможение и фиксацию вращающихся частей механизмов. Важным элементом конструкции является взрывозащищённый толкатель, который выполняет функцию основного приводного механизма. Толкатели серии РВ и МРВ предназначены для эксплуатации в угольных шахтах, где существует высокая вероятность скопления опасных газов, таких как метан. Эти толкатели обладают специальной конструкцией, предотвращающей возникновение искр и обеспечивающей безопасность работы в потенциально взрывоо
Оглавление

Взрывозащищённые тормоза играют ключевую роль в обеспечении безопасности промышленных объектов, особенно там, где существует риск взрыва. Взрывозащищённый тормоз ТКГ является одним из таких устройств, предназначенных для использования в условиях повышенной опасности. Этот тип тормоза оснащён специальными взрывозащищёнными толкателями серий РВ, МРВ или В, которые обеспечивают его надежную работу даже в самых сложных условиях.

Конструкция и Принцип Работы

Взрывозащищённый тормоз ТКГ представляет собой колодочный тормоз, который обеспечивает эффективное торможение и фиксацию вращающихся частей механизмов. Важным элементом конструкции является взрывозащищённый толкатель, который выполняет функцию основного приводного механизма. Толкатели серии РВ и МРВ предназначены для эксплуатации в угольных шахтах, где существует высокая вероятность скопления опасных газов, таких как метан. Эти толкатели обладают специальной конструкцией, предотвращающей возникновение искр и обеспечивающей безопасность работы в потенциально взрывоопасных средах.

Толкатели серии В разработаны для работы в средах с воздушными взрывоопасными смесями категорий IIA, IIB и IIC (исключая ацетилен), а также групп Т1, Т2, Т3 и Т4. Эти толкатели обеспечивают надежное торможение и предотвращают возникновение взрывов, что особенно важно для предприятий химической и нефтегазовой отраслей.

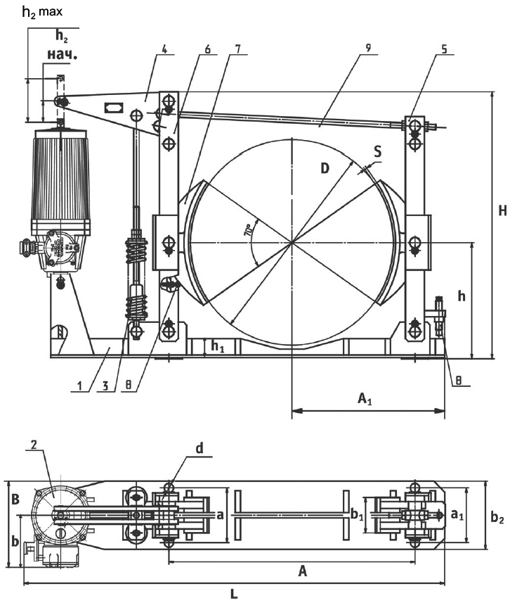
Габаритные, установочные, присоединительные размеры тормозов.

-2

Преимущества и Особенности

Одним из главных преимуществ взрывозащищённых тормозов ТКГ является их высокая надежность и безопасность. Они обеспечивают эффективное торможение и фиксацию даже в самых сложных условиях эксплуатации. Важной особенностью этих тормозов является то, что взрывозащитную функцию выполняет исключительно толкатель, в то время как рамка тормоза имеет стандартное исполнение. Это позволяет значительно снизить стоимость устройства без ущерба для его безопасности и эффективности.

Применение

Взрывозащищённые тормоза ТКГ широко применяются на предприятиях угольной промышленности, где существует риск скопления метана и других опасных газов. Они также находят применение на химических и нефтегазовых предприятиях, где используются в установках, работающих с воздушными взрывоопасными смесями. Благодаря своей надежности и безопасности, эти тормоза обеспечивают защиту оборудования и персонала от возможных взрывов.

Установка и Обслуживание

Установка взрывозащищённых тормозов ТКГ требует соблюдения определённых правил и стандартов. Важно правильно выбрать модель тормоза и толкателя в зависимости от условий эксплуатации и характеристик среды. Специалисты компании, производящей эти устройства, готовы оказать всю необходимую поддержку при выборе и установке тормозов, а также предоставить подробные инструкции по их обслуживанию.

Регулярное техническое обслуживание взрывозащищённых тормозов ТКГ является залогом их долгосрочной и безопасной эксплуатации. Важно проводить регулярные проверки состояния толкателей, тормозных колодок и других элементов конструкции. При необходимости следует своевременно производить замену изношенных деталей, чтобы избежать аварийных ситуаций и обеспечить надежную работу оборудования.

Заключение

Взрывозащищённый тормоз ТКГ является незаменимым элементом системы безопасности на предприятиях с повышенной опасностью взрыва. Благодаря своей надежной конструкции и использованию взрывозащищённых толкателей, эти тормоза обеспечивают эффективное торможение и фиксацию механизмов даже в самых сложных условиях эксплуатации. Широкое применение в угольной, химической и нефтегазовой промышленностях подтверждает их высокую эффективность и безопасность.

При правильной установке и регулярном обслуживании взрывозащищённые тормоза ТКГ станут надежным элементом системы безопасности вашего предприятия, защищая оборудование и персонал от возможных аварий и взрывов.