Добавить в корзинуПозвонить
Найти в Дзене
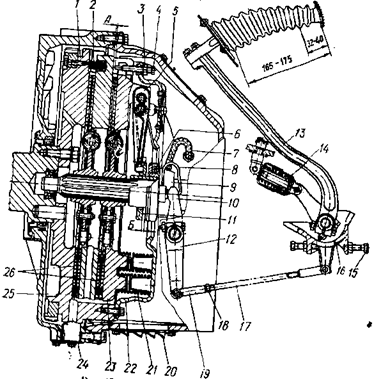
КрАЗ

Регулировка сцепление.

Регулировка сцепление. Сцепление (рис. 15) регулируется в два этапа: вначале регулируется величина отхода среднего ведущего диска 25 (зазор А) для обеспечения необходимых зазоров между рабочими поверхностями сцепления при его выключении, а затем-свободный ход педали (зазора Б). Поэтому надо строго соблюдать указанный порядок регулировки. Порядок регулировки зазора А: 1-Устоновить рычаг переключения передач в нейтральнее положение. 2-Снять крышки 20 и 24 люков картера сцепления и картера маховика. 3-Проворачивая маховик специальным ломиком, входящий в комплект ЗИП, необходимо поочередно: ввернуть до упора в средний ведущий диск 25 все четыре регулировочных винта 4, предварительно отпустив контргайки 3; отвернуть все регулировочные винты 4 на один оборот и законтрить их контргайками 3. Контргайки затягивать при зафиксированного винте и без значительных усилий во избежание нарушения отрегулированного зазора. Этой регулировки обеспечивается зазор, равный 1 мм между торцами регулировочных в

Регулировка сцепление.

Сцепление (рис. 15) регулируется в два этапа: вначале регулируется величина отхода среднего ведущего диска 25 (зазор А) для обеспечения необходимых зазоров между рабочими поверхностями сцепления при его выключении, а затем-свободный ход педали (зазора Б). Поэтому надо строго соблюдать указанный порядок регулировки.

Порядок регулировки зазора А:

1-Устоновить рычаг переключения передач в нейтральнее положение.

2-Снять крышки 20 и 24 люков картера сцепления и картера маховика.

3-Проворачивая маховик специальным ломиком, входящий в комплект ЗИП, необходимо поочередно: ввернуть до упора в средний ведущий диск 25 все четыре регулировочных винта 4, предварительно отпустив контргайки 3; отвернуть все регулировочные винты 4 на один оборот и законтрить их контргайками 3. Контргайки затягивать при зафиксированного винте и без значительных усилий во избежание нарушения отрегулированного зазора.

Этой регулировки обеспечивается зазор, равный 1 мм между торцами регулировочных винтов 4 и средним ведущим диском 25.

4-Установить на место крышки 20 и 24 люков картера сцепления и картера маховика.

Порядок регулировки зазора Б:

1-Отсоединить вилку 19 тяги от рычага 12.

2- Отпустить контргайку 18 и, ввертывая вилку 19, установить такую длину тяги 17, при которой свободный ход педали сцепления находился бы в пределах 32-40 мм, что соответствует зазору Б (3,2-4,0 мм) между упорным кольцом оттяжных рычагов 11 и выжимным подшипником 6.

3-Соединить вилку 19 с рычагом 12, зашплинтовать палец и затянуть контргайку 18 вилки тяги.

4-Проверить величину свободного хода педали сцепления.

5-После регулировки проверить сцепление на отсутствие «введение». Эта проверка производится на работающем двигателе при включенной первой передачи.

Если свободный ход педали невозможен восстановить изменение длины тяги 17, необходимо рычаг 12 вала вилки выключения сцепления переставить на один шлиц, повернув его в сторону тяги 17, а затем отрегулировать сцепление и привод его выключения в последовательности, описанной выше.

При эксплуатации автомобиля могут быть случаи, когда педаль сцепления не возвращается в исходное положение. Причинами этого являются увеличенный свободный ход педали и недостаточное при этом усилие вспомогательной пружины сервоусилителя 14. Чтобы устранить неисправность, надо отрегулировать свободный ход педали.

Если педаль не возвращается в исходное положение, необходимо вывернуть упорный болт 15 настолько, чтобы обеспечивался четкий возврат педали, если и после этого свободный ход педали будет больше 40 мм, его следует отрегулировать изменением длины тяги 17. В остальных случаях для обеспечения безотказной работы сцепления нельзя нарушить заводскую установку упорных болтов 15 рычаги педали сцепления.

Рис. 15. Сцепление и привод его выключения:

1-маховик; 2-отжимная пружина; 3- контргайка регулировочного винта; 4-регулировочный винт; 5-оттяжной рычаг; 6-выжимной подшипник; 7-шланг для смазки муфты включения сцепления; 8-пружина муфты; 9-муфта включения сцепления; 10-вилка включения сцепления; 11-упорное кольцо оттяжных рычагов; 12-рычаг вала вилки выключения сцепления; 13-педаль сцепления; 14-сервоусилитель; 15-упорные болты; 16-кронштейн; 17-тяга включения сцепления; 18-контргайка вилки; 19-вилка тяги; 20-крышка люка картера сцепления; 21-нажимные пружины; 22-кожух сцепления; 23-нажимной диск; 24-крышка люка картера маховика; 25-средний ведущий диск; 26-ведомые диски.