Добавить в корзинуПозвонить
Найти в Дзене

Изготовление кольцевых подставок для часовых механизмов.

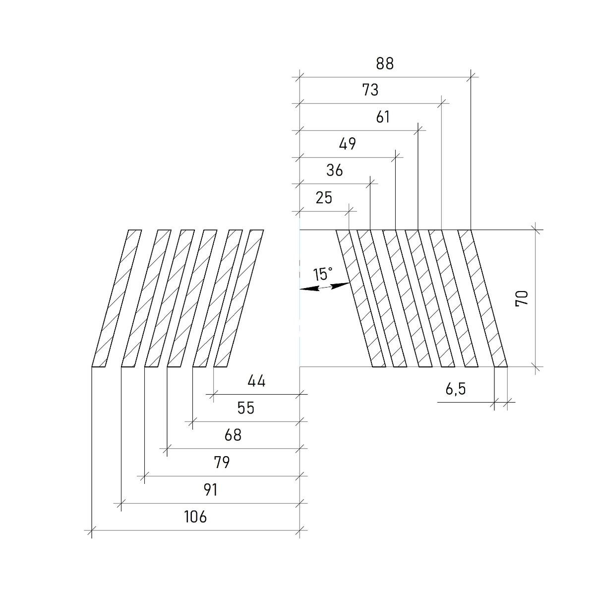
Один из моих подписчиков, часовой мастер из Питера, ремонтирует различные часовые механизмы, в том числе старинные, музейные экземпляры. Он попросил выточить ему для работы деревянные подставки под часовые механизмы. Каждая подставка представляет собой усеченный конус с углом от оси вращения к вершине 15 градусов. Высота подставки 70 мм, толщина стенки 6,5 мм. Наибольший наружный диаметр 212 мм, наименьший 25 мм. Подставок 6 штук. Точить их на токарном станке по дереву от руки я не рискнул. Здесь, чтобы обеспечить точность размеров, угол и толщину стенок, необходим суппорт. Поэтому было решено точить на токарном станке по металлу. Работа не типовая, поэтому перед работой технология прорабатывается в общих чертах, а по ходу корректируется. Начал я с одной заготовки, чтобы понять как пойдёт. Нашёл подходящую доску шириной 220 мм, обработал плоскости и оторцевал на два квадрата. Склеил их между собой. Получилась заготовка высотой 100 мм. Как раз 70 мм кольцо + отрезная операция ~5 мм.

Один из моих подписчиков, часовой мастер из Питера, ремонтирует различные часовые механизмы, в том числе старинные, музейные экземпляры. Он попросил выточить ему для работы деревянные подставки под часовые механизмы. Каждая подставка представляет собой усеченный конус с углом от оси вращения к вершине 15 градусов. Высота подставки 70 мм, толщина стенки 6,5 мм. Наибольший наружный диаметр 212 мм, наименьший 25 мм. Подставок 6 штук.

Точить их на токарном станке по дереву от руки я не рискнул. Здесь, чтобы обеспечить точность размеров, угол и толщину стенок, необходим суппорт. Поэтому было решено точить на токарном станке по металлу. Работа не типовая, поэтому перед работой технология прорабатывается в общих чертах, а по ходу корректируется.

Начал я с одной заготовки, чтобы понять как пойдёт. Нашёл подходящую доску шириной 220 мм, обработал плоскости и оторцевал на два квадрата. Склеил их между собой.

Склеивание первой заготовки.
Склеивание первой заготовки.

Получилась заготовка высотой 100 мм. Как раз 70 мм кольцо + отрезная операция ~5 мм. И остаётся около 25 мм.

Когда заготовка склеилась, я разметил центр и положение планшайбы от токарного станка по дереву. После отпилил углы, чтобы получился восьмигранник.

Шурупы для планшайбы подбирал по длине таким образом, чтобы при отрезании колец они не встретились с резцом.

Установка планшайбы
Установка планшайбы

На первой заготовке я решил, что правильнее будел её оцилиндровать на токарном станке по дереву после чего устанавливать на токарный по металлу. Со второй заготовкой я уже не проделывал эту операцию, потому что она не нужна.

Зажал планшайбу в патрон токарного станка по металлу. Выставил суппорт под углом 15 градусов к оси вращения. Перебрал расточные резцы. Не подходят. Попробовал даже токарный резец по дереву со сменными пластинами зажать в резцедержатель, но не прокатило.

Начал делать резец из старого напильника квадратного сечения. Болгаркой поднутрил державку и сформировал режущую кромку. Несколько раз примерял, пробовал, дорабатывал плоскости. В итоге получилось добиться необходимого результата и дело пошло потихоньку.

Почему потихоньку? Потому что объём снимаемого материала достаточно большой, диаметры большие. Много стружки, которую собирал пылесосом непосредственно из зоны резания. У резца достаточно большой вылет и его постоянно норовит заготовкой отжимать вниз при резании. Поэтому режущая кромка должна быть очень остро заточена, чтобы не создавать лишнего сопротивления и, соответственно, вибрации. По ходу выполнения работ я несколько раз снимал резец и затачивал. Так же экспериментировал со скоростью вращения заготовки, чтобы вышло оптимальное сочетание резания без вибраций, скоростью подачи и чистотой обработки.

Из первой заготовки я выточил три кольца. Каждое отрезал на токарном по дереву после шлифования наружной плоскости. Шероховатость плоскостей после резца была нормальная, я думал будет хуже :)

-7

Вторая заготовка уже обрабатывалась более уверенно, на ней я точил оставшиеся три кольца сразу. Потому что результат уже предсказуемый.

Вторая заготовка в работе.
Вторая заготовка в работе.

После того как все кольца были срезаны с заготовок и пошлифованы наружные плоскости я поставил патрон с прорезиненными кулачками и пошлифовал внутренние плоскости.

Шлифование внутренних плоскостей.
Шлифование внутренних плоскостей.

Затем покрыл маслом на два раза с промежуточным шлифованием.

Покрытые маслом конусы.
Покрытые маслом конусы.

Но чего-то не хватает. Отдавать их в таком виде заказчику не хотелось. Мысли о том, как они будут храниться не давали мне покоя и я решил сделать футляр, в котором кольца будут фиксироваться.

Изготовление футляра для подставок.
Изготовление футляра для подставок.

На донце футляра проточил углубления, под каждую подставку с небольшим припуском. Высота у них одинаковая, крышку подогнал, чтобы при закрытии и переворачивании коробки подставки оставались на своих местах.

На крышке тоже решил сделать проточки с чисто декоративной целью.

Подставки в работе.
Подставки в работе.

Мастеру подставки понравились, сейчас они задействованы в ремонтах самых редких музейных часовых механизмов! Ну а мне, как любителю механических интерьерных часов, это как бальзам на душу!

Спасибо, что дочитали статью до конца!

Мой Telegram-канал.

Здесь Вы найдёте материалы по станкам и приспособлениям для судомоделизма.

Здесь материалы по строительству модели традиционного средиземноморского рыболовецкого судна Gozzo S.Caterina 1759 в масштабе 1:12 по чертежам издательства Ancre.

До встречи на канале!