Найти в Дзене
Радиотехника

ТЕРМОПАРНЫЙ ПИД — регулятор

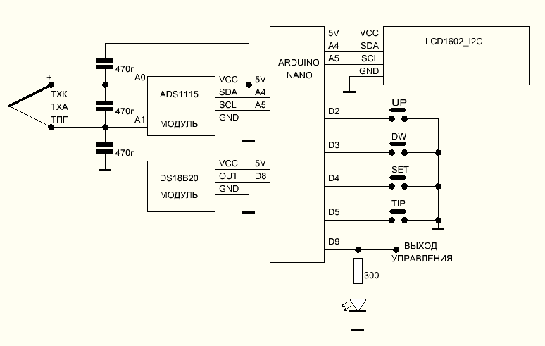
Термопарный ПИД регулятор — регулятор может работать со следующими типами термопар: ПИД регулятор — регулятор собран на Arduino Nano (Atmega168, Atmega328, LGT8F328 с тактовой 16 МГц), для более точного измерения термо-ЭДС термопар используется АЦП-модуль ADS1115 16 bit который позволяет измерять двух полярное напряжение в диапазоне от -256 мВ до +256 мВ,  что вполне приемлемо при измерении ТЭДС термопар (1 бит = 8 мкВ). При измерении температуры при помощи термопары необходимо учитывать температуру окружающей среды, в качестве датчика температуры окружающей среды используется цифровой датчик температуры DS18B20. Показания текущей температуры и температура регулирования выводится на дисплей LCD1602 с модулем I2C. Что такое ПИД терморегулятор и как его настроить рассказано в — http://rcl-radio.ru/?p=131968. На дисплей выводится следующая информация: Подключение термопары к терморегулятору можно напрямую или использовать термокомпенсационные провода того же типа что и термопара. Управлен

Термопарный ПИД регулятор — регулятор может работать со следующими типами термопар:

  • S — ТПП (Платина — 10 % родий/платина)
  • К — ТХА [Никель — хром/никель — алюминий (хромель/алюмель)]
  • L — ТХК (Хромель/копель)

ПИД регулятор — регулятор собран на Arduino Nano (Atmega168, Atmega328, LGT8F328 с тактовой 16 МГц), для более точного измерения термо-ЭДС термопар используется АЦП-модуль ADS1115 16 bit который позволяет измерять двух полярное напряжение в диапазоне от -256 мВ до +256 мВ,  что вполне приемлемо при измерении ТЭДС термопар (1 бит = 8 мкВ).

При измерении температуры при помощи термопары необходимо учитывать температуру окружающей среды, в качестве датчика температуры окружающей среды используется цифровой датчик температуры DS18B20.

Показания текущей температуры и температура регулирования выводится на дисплей LCD1602 с модулем I2C.

Что такое ПИД терморегулятор и как его настроить рассказано в — http://rcl-radio.ru/?p=131968.

На дисплей выводится следующая информация:

  • Измеренная температура с учетом температуры окружающей среды (Т=)
  • Температура регулирования (t=)
  • Тип применяемой термопары L K или S (ТХА ТХК или ТППs) (type)
  • Мощность нагревательного уст-ва в %

Подключение термопары к терморегулятору можно напрямую или использовать термокомпенсационные провода того же типа что и термопара.

Управление терморегулятором очень простое, кнопка TIP позволяет переключать тип термопарного входа, а кнопки UP и DW позволяют изменить температуру регулирования. Температура регулирования и тип теромопарного входа сохраняются в энергонезависимой памяти.

Кнопка SET позволяет настроить ПИД регулирующие коэффициенты kp, ki, kd.

Схема терморегулятора

-2

ПИД регулятор будет иметь диапазон регулирования от 0°С до максимальной температуры выбранного типа термопары:

  • ТХА до 1372 °С
  • ТХК до 800 °С
  • ТППs до 1768 °С

Регулирующий ПИД сигнал (D9) подается на светодиод (для зрительного наблюдения) и одновременно на управляющий элемент нагревателя.

ПИД сигнал это ШИМ сигнал низкой частоты (порядка 6 Гц), в процессе изменения ПИД сигнала меняется скважность импульса ШИМ сигнала.

-3
-4
-5

Скетч - http://rcl-radio.ru/?p=131984#:~:text=%23include%20%3CWire,%D0%B8%20%D0%B2%D1%8B%D0%B2%D0%BE%D0%B4%0A%7D

ТЕРМОПАРНЫЙ ПИД — регулятор — rcl-radio.ru