Найти в Дзене
Старые схемы...

Про емкость конденсатора в блоке питания. Простой опыт.

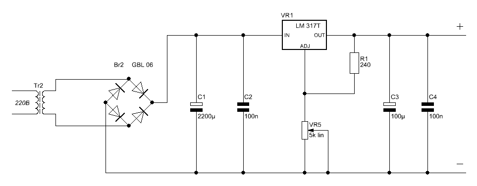
Как-то прочитал статью про блоки питания, в которой рекомендовалось ставить конденсатор на входе блока питания из расчета 1000мкФ на 1А потребляемого тока, затем увидел статью, в которой рекомендовалось устанавливать емкость 2000мкФ на 1А потребляемого тока. Поэтому решил собрать стандартную схему стабилизатора напряжения, что бы посмотреть, как емкость конденсатора влияет на пульсации. Измерения на точность не претендуют. Измерял амплитудное значение пульсаций, простым осциллоскопом. Все измерения проводились при токе нагрузки 1А. Значение переменного резистора было взято с запасом, для испытаний это не важно. Результаты измерений записал в таблицу. В низу таблицы указана минимальная разница напряжений между входом и выходом до начала роста пульсаций. В итоге пришел к выводу, что оба утверждения верны, все зависит от разницы напряжений между входом и выходом стабилизатора. Без нагрузки разница напряжений между входом и выходом будет больше.
Схема используемая в опыте.
Схема используемая в опыте.

Как-то прочитал статью про блоки питания, в которой рекомендовалось ставить конденсатор на входе блока питания из расчета 1000мкФ на 1А потребляемого тока, затем увидел статью, в которой рекомендовалось устанавливать емкость 2000мкФ на 1А потребляемого тока. Поэтому решил собрать стандартную схему стабилизатора напряжения, что бы посмотреть, как емкость конденсатора влияет на пульсации. Измерения на точность не претендуют. Измерял амплитудное значение пульсаций, простым осциллоскопом. Все измерения проводились при токе нагрузки 1А. Значение переменного резистора было взято с запасом, для испытаний это не важно. Результаты измерений записал в таблицу. В низу таблицы указана минимальная разница напряжений между входом и выходом до начала роста пульсаций.

Таблица.
Таблица.

Собранный макет.
Собранный макет.

В итоге пришел к выводу, что оба утверждения верны, все зависит от разницы напряжений между входом и выходом стабилизатора. Без нагрузки разница напряжений между входом и выходом будет больше.