Добавить в корзинуПозвонить
Найти в Дзене
Чиним тачку

Как горят BMW

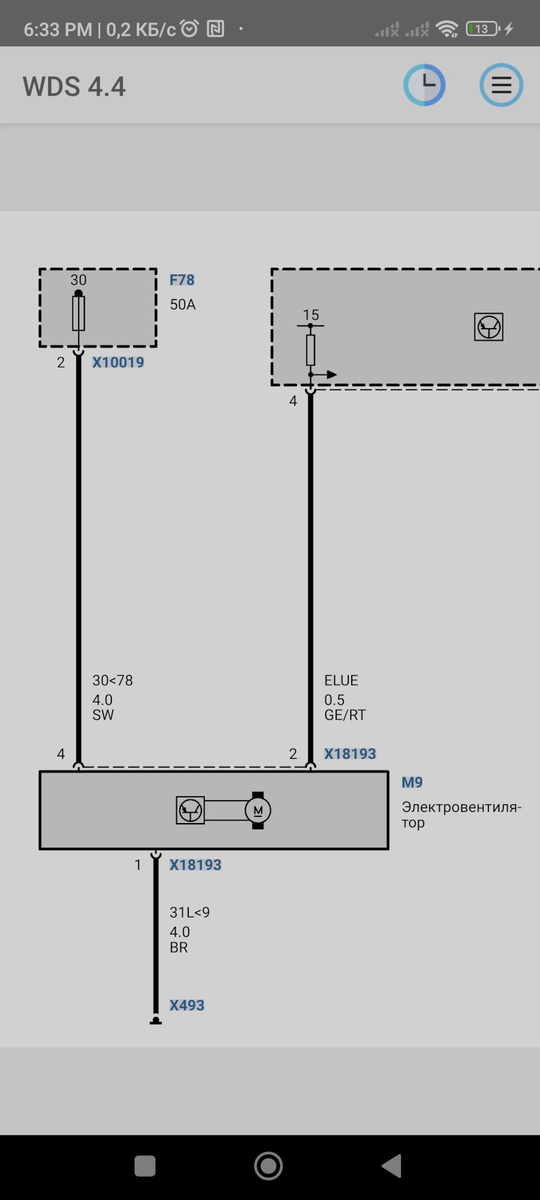
В комментариях одного поста прочитал историю как сгорел кажись X5. Был припаркован. По камерам увидели что пожар начался в районе дополнительного вентилятора. Решил я проверить эту историю. Оказывается правда. На вентилятор через предохранитель 50A а затем 100A приходит постоянный плюс прямо с аккумулятора. Т.е даже когда вы спите ночью на вашей тачке на вертушке транзисторы подключены. А теперь вспомним как обычно выглядит плата вентилятора на таких моторчиках. Все окисленное, да и изоляция на проводах может начать от времени сыпаться. Что будет если транзистор пробьёт? Или в плату моторчиках попадет пена с мойки? Сами все понимаете. Предохранители спасут только от полного замыкания проводки, но не защитят от частичного, вызванного горением платы электроники. Что мешало сделать реле и активировать его во время включения зажигания? Конечно информация касается не всех авто. Например BMW E39 только после 1998 с трех-пиновым новым вентилятором. Электрику BMW X5 и других моделей я не смотр

В комментариях одного поста прочитал историю как сгорел кажись X5. Был припаркован. По камерам увидели что пожар начался в районе дополнительного вентилятора.

-2

Решил я проверить эту историю. Оказывается правда. На вентилятор через предохранитель 50A а затем 100A приходит постоянный плюс прямо с аккумулятора.

Т.е даже когда вы спите ночью на вашей тачке на вертушке транзисторы подключены. А теперь вспомним как обычно выглядит плата вентилятора на таких моторчиках. Все окисленное, да и изоляция на проводах может начать от времени сыпаться.

-3

Что будет если транзистор пробьёт? Или в плату моторчиках попадет пена с мойки? Сами все понимаете. Предохранители спасут только от полного замыкания проводки, но не защитят от частичного, вызванного горением платы электроники.

Что мешало сделать реле и активировать его во время включения зажигания?

-4

Конечно информация касается не всех авто. Например BMW E39 только после 1998 с трех-пиновым новым вентилятором. Электрику BMW X5 и других моделей я не смотрел, но подозреваю, что там такая же история.

На BMW E39 до 1998 года с однованосным моторов стоит простой 3х скоростной вентилятор и еще 3 реле по каждой на каждую скорость. Так что можете спать спокойно. А вот владельцам более свежих авто стоило бы задуматься.

Ведь остальная электрика мотора, такая как катушки зажигания, форсунки, все датчики, все это отключается в момент отключения зажигания с помощью разгрузочного реле.

-5

Поэтому советую приобрести такое же разгрузочное реле для размыкания питания дополнительного вентилятора, которое так же, как и электрика мотора, будет управляться включением / отключением зажигания.

Конечно до какого-то времени ничего такого не должно произойти, но инженеры явно не рассчитывали, что вы будете столько лет ездить на этих автомобилях, а новые китайские вентиляторы не являются гарантией вашего спокойного сна.