Добавить в корзинуПозвонить
Найти в Дзене
Nost Solutions

Кулинарный (фильтрованный) пар. Особенности «приготовления» и эксплуатации оборудования.

Значительное количество предприятий пищевой промышленности использует в технологических и вспомогательных процессах так называемый кулинарный, или фильтрованный пар. Такая необходимость возникает там, где возможен прямой непосредственный впрыск или опосредованный – через другую среду или конденсат контакт с продуктом. Примеры таких процессов – UHT пастеризация молока прямым впрыском пара, приготовление плавленных сыров, стерилизация тары перед упаковкой, стерилизация фильтров воздуха и т.п. Обычно такие процессы являются точками контроля по НАССР, так как несоблюдение правил эксплуатации и требований к установке оборудования может негативно сказаться на качестве и безопасности продукта. В России руководствуются двумя документами (их требования схожи) - документом 3-А’s 609-3 “Method of Producing Culinary Steam” и ВНТП12-94к «Нормы технологического проектирования предприятий плодоовощной консервной промышленности». Требования к пару для фильтрации можно свести к следующим условиям: На
Оглавление

Значительное количество предприятий пищевой промышленности использует в технологических и вспомогательных процессах так называемый кулинарный, или фильтрованный пар. Такая необходимость возникает там, где возможен прямой непосредственный впрыск или опосредованный – через другую среду или конденсат контакт с продуктом. Примеры таких процессов – UHT пастеризация молока прямым впрыском пара, приготовление плавленных сыров, стерилизация тары перед упаковкой, стерилизация фильтров воздуха и т.п.

Обычно такие процессы являются точками контроля по НАССР, так как несоблюдение правил эксплуатации и требований к установке оборудования может негативно сказаться на качестве и безопасности продукта.

В России руководствуются двумя документами (их требования схожи) - документом 3-А’s 609-3 “Method of Producing Culinary Steam” и ВНТП12-94к «Нормы технологического проектирования предприятий плодоовощной консервной промышленности».

Требования к пару для фильтрации можно свести к следующим условиям:

  • пар не должен содержать химических компонентов вредных для здоровья человека;
  • пар должен быть сухим;
  • фильтр очистки пара должен задерживать не менее 95% частиц размером 2мкм и более;
  • фильтр тонкой очистки пара, арматура за фильтром и паропровод после фильтра должны быть выполнены из нержавеющей стали

На практике, для обеспечение «химической» чистоты пара достигается за счёт использования разрешённых реагентов в водоподготовке котельной, для достижения необходимой сухости пара применяют сепараторы пара и организуют постоянный дренаж фильтра очистки пара, для обеспечения требуемой «механической» чистоты пара применяют фильтры тонкой очистки с фильтрующим элементом с рейтингом 5 мкм.

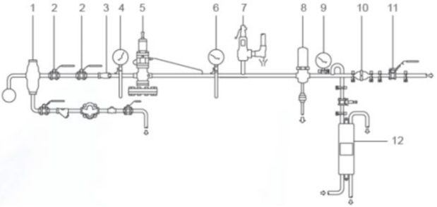
Полная схема установки фильтрации пара приведена на рисунке 1.

1. Сепаратор пара                                                                                                                                      2. Шаровый кран 
3. Фильтр грубой очистки 100-mesh  (мелкоячеистый) 
4. Манометр + принадлежности 
5. Редукционный клапан 
6. Манометр + принадлежности 
7. Предохранительный клапан 
8. Фильтр тонкой очистки 5 мкм 
9. Манометр с санитарным  присоединением 
10. Обратный клапан с санитарным  присоединением 
11. Шаровый кран с санитарным  присоединением 
12. Холодильник отбора проб
1. Сепаратор пара 2. Шаровый кран 3. Фильтр грубой очистки 100-mesh (мелкоячеистый) 4. Манометр + принадлежности 5. Редукционный клапан 6. Манометр + принадлежности 7. Предохранительный клапан 8. Фильтр тонкой очистки 5 мкм 9. Манометр с санитарным присоединением 10. Обратный клапан с санитарным присоединением 11. Шаровый кран с санитарным присоединением 12. Холодильник отбора проб

Требование к сухости пара, установке сепаратора и дренажа обусловлено тем, что фильтр достаточно «плотный». При наличии влаги в паре и скоплении конденсата в самом фильтре, он создаёт высокое сопротивление потоку, приводящее к разрушению фильтрующего элемента и загрязнению продукта.

Состояние фильтров тонкой очистки контролируют по манометрам «до» и «после». При разнице превышающей 0,5 ати необходимо производить замену или очистку фильтрующего элемента.

Есть некоторые особенности конструкции самих фильтров тонкой очистки о которых стоит знать и принимать во внимание при выборе фильтров и их дальнейшему обслуживанию.

Фильтр тонкой очистки пара представляет собой фильтродержатель (корпус) и вставленный в него фильтр-элемент. В зависимости от необходимой пропускной способности фильтра в корпус может быть вставлено несколько фильтр-элементов (до 6-ти).

При использовании фильтра для пара, корпус фильтра необходимо изолировать. Это нужно не только по причине энергосбережения и защиты персонала от ожогов, но и по причине того, что на поверхности неизолированного фильтра происходит активная конденсация пара и ухудшаются условия работы фильтрующих элементов. Последствия могут быть самыми нежелательными, вплоть до разрушения фильтрующего элемента. По той же причине, необходимо обеспечить постоянный дренаж фильтра через подходящий конденсатоотводчик.

Сами фильтр-элементы могут быть разных конструкций и обладают разными эксплуатационными характеристиками. Рассмотрим их по подробнее.

Фильтр элементы из «спечённого» металла (рис. 2)

Рис. 2 - Фильтр элементы из «спечённого» металла
Рис. 2 - Фильтр элементы из «спечённого» металла

Фильтр-элемент представляет собой как бы «губку» через которую проходит поток фильтруемой среды.

При загрязнении фильтр полностью блокируется. Возможно разрушение фильтр-элемента. При повреждении фильтр «рассыпается». Фильтр-элемент возможно «регенерировать» с помощью моющих растворов и обратного хода среды. Однако, количество таких циклов регенерации, как правило, ограничено 5-10.

Необходимо контролировать перепад давления на фильтре для своевременной очистки или замены фильтр-элементов.

-3

Фильтр элементы на базе тонкой сетки (рис. 3)

Рис. 3 - Фильтр элементы на базе тонкой сетки
Рис. 3 - Фильтр элементы на базе тонкой сетки

Фильтр-элемент представляет ткань тонкого плетения из нержавеющей стали, натянутую на жёсткий каркас.

При высоких перепадах давления (загрязнении фильтра) нити ткани могут «разъезжаться» и грязь может пройти через фильтр-элемент. Фильтр элемент стоек к различным нагрузкам, при повреждении фильтр-элемент деформируется, но не образует мелких частиц. Фильтр-элемент возможно «регенерировать» с помощью моющих растворов и обратного хода среды практически неограниченное количество раз.

Для обеспечения чистоты фильтрации необходимо контролировать перепад давления на фильтре и своевременно его очищать.

-5

В настоящее время на рынке существует дефицит запасных фильтр-элементов к фильтрам компаний Donaldson, Ulrafilter, Spirax Sarco, PALL и т.п.

Компания «НОСТ-Солюшенс» предлагает своим клиентам как полные решения для получения кулинарного пара, так и сменные фильтр-элементы для фильтр-держателей других производителей, выполненные на базе тонкой сетки.

Отправить заявку или задать вопрос : site@nost-solutions.ru

Сайт:

ООО "НОСТ-СОЛЮШЕНС"