Добавить в корзинуПозвонить
Найти в Дзене

Доисторический токарный станок. Часть 2: Вращающийся центр

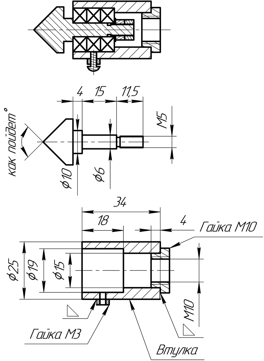
Мне понадобилось выточить из капролона втулки для рычагов передней подвески. Купил капролоновую болванку диаметром 50мм и загрустил, ибо обратных кулачков к патрону у меня нет, снимать патрон с планшайбы и мудрить какой-то переходник на 125-й патрон - жалко, ибо с патроном и без того вышла целая эпопея. Решил обточить заготовке хвостик до 25мм в центрах и после, зажав заготовку за хвостик, - обтачивать. Единственная проблема – у меня нет вращающегося центра, а даже если и был – нет пиноли в задней бабке, куда бы стандартный центр можно было вставить. В общем, о том. как я восстанавливал остальной станок я напишу, когда займусь очисткой суппортов перед точением втулок и засниму самодельные маточные гайки. Пока расскажу, как сделал дендрофекальный вращающийся центр. Для восьми заготовок из капролона аховой прочности центра не надо, подумал я, и нашел длинную некаленую втулку с внутренним диаметром 15 и наружным – 25 мм, здоровый болт М20, найденный под мостом и три подшипника 19х6х6 мм.
Оглавление

Мне понадобилось выточить из капролона втулки для рычагов передней подвески. Купил капролоновую болванку диаметром 50мм и загрустил, ибо обратных кулачков к патрону у меня нет, снимать патрон с планшайбы и мудрить какой-то переходник на 125-й патрон - жалко, ибо с патроном и без того вышла целая эпопея.

Решил обточить заготовке хвостик до 25мм в центрах и после, зажав заготовку за хвостик, - обтачивать. Единственная проблема – у меня нет вращающегося центра, а даже если и был – нет пиноли в задней бабке, куда бы стандартный центр можно было вставить.

В общем, о том. как я восстанавливал остальной станок я напишу, когда займусь очисткой суппортов перед точением втулок и засниму самодельные маточные гайки. Пока расскажу, как сделал дендрофекальный вращающийся центр.

Подготовка

Для восьми заготовок из капролона аховой прочности центра не надо, подумал я, и нашел длинную некаленую втулку с внутренним диаметром 15 и наружным – 25 мм, здоровый болт М20, найденный под мостом и три подшипника 19х6х6 мм. Набросал такой эскиз:

Эскиз составных частей конуса
Эскиз составных частей конуса

Поскольку родная пиноль станка имела неизвестный конус и болталась в задней бабке (после расклинивания) я сделал новую, в виде втулки с наружным диаметром 16 мм и внутренней сквозной резьбой М10. Еще я сделал ходовой винт М10, закрутил в патрончик от старой дрели, который имел посадку на вал с резьбой М10 кусок шпильки и получил полноценную заднюю бабку, в которую можно вставлять все, что следует бойцу.

Присоединительная шпилька пиноли
Присоединительная шпилька пиноли

Перегон стружки

Поэтому я накрутил на какой-то ржавый вал две гайки М10 и одну на половину длины обточил до диаметра 15 мм, чтобы забить молотком запрессовать ее во втулку.

После поджал гайку с обратной стороны длинным болтом с шайбой и обварил вкруг на хорошем токе.

Обточил и отторцевал.

Обточка и торцевание корпуса
Обточка и торцевание корпуса

Отложил проточку внутреннего отверстия до появления вала с подшипниками, чтобы использовать его как своеобразный калибр.

Срезал с болта М20 головку болгаркой и принялся перегонять в стружку. Посадку 6 мм немного просадил, ибо на подходе к нужному диаметру побоялся, что сниму лишнего, и решил для верности подснять последние две десятки напильником помягче. Не помогло.

Перегон болта в стружку
Перегон болта в стружку

После перевернул заготовку, на глазок сделал ступенчатый конус и шлифанул болгаркой. Результат вполне терпимый.

Конус с подшипниками на валу
Конус с подшипниками на валу

Далее расточил отверстие внутри. Почти просадил – подшипник входит с легким трением. Чтобы улучшить ситуацию – просверлил на боку отверстие и наварил над ним гайку М3, чтобы немного поджать подшипник.

Набил подшипники солидолом, зажал гайкой М5, собрал центр и прикрутил к пиноли.

Время пробовать.

Снимаю стружку с маленькой болваночки из капролона.
Снимаю стружку с маленькой болваночки из капролона.

Выводы

Работать будет, но надо потестировать.