Добавить в корзинуПозвонить
Найти в Дзене
e_Lectra

Can адаптер ЗМЗ 409 Про Газель Некст, Газель NN

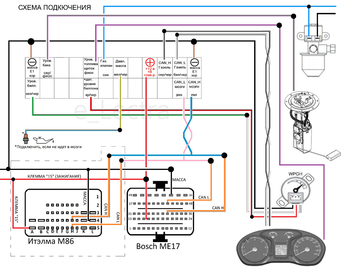
Адаптер предназначен для совмещения работы щитка приборов ГАЗели Next и ЭБУ ЗМЗ 409. Адаптер считывает показания с CAN шины двигателя и передаёт их на щиток приборов ГАЗели по CAN шине. Отображаемые параметры: Скорость, обороты двигателя, температура, мгновенный(л/ч) / средний(л/100км) расход, напряжение бортовой сети, уровень топлива на бензине или на ГБО, аварийное давление масла, работа двигателя на ГБО, чек. Плавная регулировка спидометра, тахометра, температуры ДВС и расхода выполняется настройкой резисторов. При правильном подключении адаптера к CAN шине ГАЗели потухнет значок и будет отображаться напряжение борт. сети. Адаптер необходимо установить в сухом месте – в салоне, либо в пластиковом корпусе EFI(мозгов). ЭБУ(мозги) ГАЗели удалить вместе с фишками. Подключение адаптера. (-)Масса Е1 (коричневый) — Подключается в параллель массе ЭБУ. ЗМЗ (250, 247) черный. Уров. бака (серый-фиолетовый) — Подключается к проводу идущему на датчик уровня топлива в бензобаке(на Нексте как пра

Адаптер предназначен для совмещения работы щитка приборов ГАЗели Next и ЭБУ ЗМЗ 409.

Адаптер считывает показания с CAN шины двигателя и передаёт их на щиток приборов ГАЗели по CAN шине.

Отображаемые параметры:

Скорость, обороты двигателя, температура, мгновенный(л/ч) / средний(л/100км) расход, напряжение бортовой сети, уровень топлива на бензине или на ГБО, аварийное давление масла, работа двигателя на ГБО, чек.

Плавная регулировка спидометра, тахометра, температуры ДВС и расхода выполняется настройкой резисторов.

При правильном подключении адаптера к CAN шине ГАЗели потухнет значок и будет отображаться напряжение борт. сети.

Адаптер необходимо установить в сухом месте – в салоне, либо в пластиковом корпусе EFI(мозгов). ЭБУ(мозги) ГАЗели удалить вместе с фишками.

Подключение адаптера.

Схема подключения Can адаптера ЗМЗ 409 Про Газель Некст, Газель NN
Схема подключения Can адаптера ЗМЗ 409 Про Газель Некст, Газель NN
Распиновка адаптера. Вид на разъем (фишка со стороны проводов)
Распиновка адаптера. Вид на разъем (фишка со стороны проводов)

(-)Масса Е1 (коричневый) — Подключается в параллель массе ЭБУ. ЗМЗ (250, 247) черный.

Уров. бака (серый-фиолетовый) — Подключается к проводу идущему на датчик уровня топлива в бензобаке(на Нексте как правило фиолетовый). На битопливном(заводское ГБО) Эвотеке идет к ЭБУ Микас. На остальных идет напрямую к панели приборов, нужно разрезать.

Уров. баллона (зеленый-черный) — Подключается к датчику уровня газа. (как правило белый). При установке двухконтактного датчика уровня газа 0-90 Ом соединить с +дат. уровня баллона и установить джпамер 0-90.

Уров. топлива щиток (фиолетовый) — Подключается к проводу идущему к щитку приборов. (на битопливном(заводское ГБО) Эвотеке от ЭБУ Микас фиолетовый-белый). На остальных к отрезанному проводу к щитку приборов контакт 27.

+дат. уровня баллона. (красный-черный) — Питание датчика уровня газа (как правило красный) если заводской 3х контактный датчик АЕВ то установить джампер АЕВ (+5 вольт питание датчика).

Газ. клапан (синий) — Подключается в параллель к проводу управления газовым клапаном. На ГБО как правило синий.

(+)+12в +В глав. р. (красный) — Подключается в параллель к выходу питания с главного реле. ЗМЗ (155,156).

CAN_H Газель (серый-черный) — CAN шина Газели идет на панель приборов контакт 40.

CAN_L Газель (белый-черный) — CAN шина Газели идет на панель приборов контакт 30.

CAN_H мозги (голубой) — CAN шина ЭБУ двигателя ЗМЗ (132).

CAN_L мозги (розовый) — CAN шина ЭБУ двигателя ЗМЗ (144).

Давл. масла/MOPS (желтый-черный) — Идет на датчик аварийного давления масла.

Настройка параметров.

Настройка параметров
Настройка параметров
-5

Настройка напряжения:

Напряжение настраивать на заглушенном двигателе.

Сначала померить напряжение на аккумуляторе. Если показания на щитке отличаются от показаний на аккумуляторе, то настроить при помощи кнопки. Первое нажатие — это вход в режим настройки, последующие настройка напряжения. Каждое нажатие – это +0,1В и обновляется через 2 секунды. Нажимать до совпадения или близкого значения показаний.

Тест подключения адаптера:

Нажмите на кнопку “Настройка” и удерживайте – щиток будет отображать выбранные настройки согласно рисунку “Тест”.

С 2018г. значок “GAS” есть на битопливных ГАЗелях Next Евро 5.

Просмотреть все значки на щитке можно следующим способом: нажмите и удерживайте левую кнопку на щитке и включите зажигание.

На дизельных щитках работа на бензине отображается значком спирали накала. Работа на ГБО не отображается.