Найти в Дзене
Компания инженеров

Доработка системы охлаждения BlueWeld Prestige, Telwin Tecnica (Часть 1)

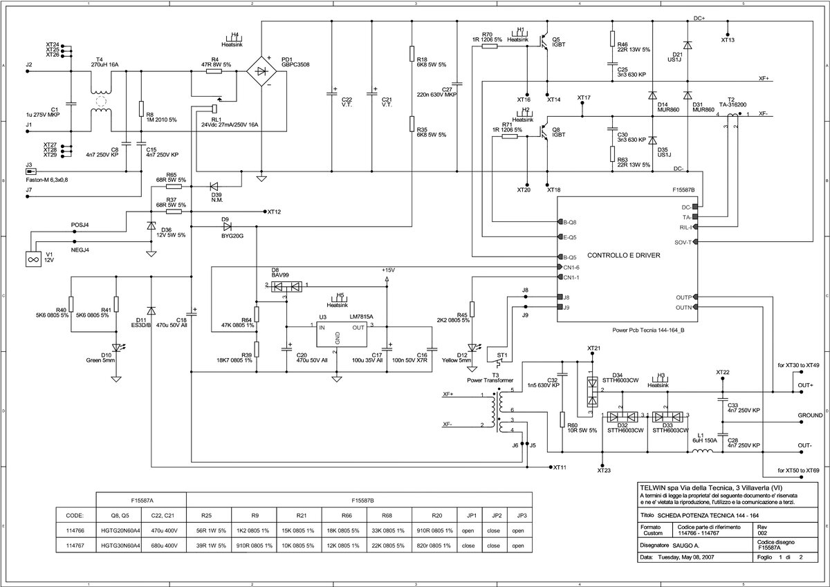
Большинству пользователей сварочных аппаратов семейства BlueWeld Prestige 144, BlueWeld Prestige 164, Telwin Tecnica 144, Telwin Tecnica 164 известно, что штатный вентилятор системы охлаждения аппарата работает довольно тихо, но при этом плохо охлаждает компоненты аппарата. При интенсивной работе аппарат зачастую перегревается. Я давно думал, как с минимальными доработками улучшить работу системы охлаждения в этом семействе аппаратов. Исходная предпосылка для моего варианта доработки: номинальное напряжение питания обмотки реле RL1 блокировки резистора R4 предзаряда конденсаторов С21, С22 - 24 вольта. Это напряжение указано на корпусе реле. Обмотка реле питается в аппарате от выпрямителя на диоде D11 (смотрим принципиальную схему аппарата) Следовательно, на конденсаторе фильтра С18 во время работы аппарата должно быть напряжение порядка 24 вольт. Я решил измерить это напряжение в различных режимах работы аппарата, для чего подключил два провода к выводам обмотки реле RL1 Внимание! Все

Большинству пользователей сварочных аппаратов семейства BlueWeld Prestige 144, BlueWeld Prestige 164, Telwin Tecnica 144, Telwin Tecnica 164 известно, что штатный вентилятор

Штатный вентилятор системы охлаждения аппарата. Фото автора.
Штатный вентилятор системы охлаждения аппарата. Фото автора.

системы охлаждения аппарата работает довольно тихо, но при этом плохо охлаждает компоненты аппарата. При интенсивной работе аппарат зачастую перегревается.

Я давно думал, как с минимальными доработками улучшить работу системы охлаждения в этом семействе аппаратов. Исходная предпосылка для моего варианта доработки: номинальное напряжение питания обмотки реле RL1 блокировки резистора R4 предзаряда конденсаторов С21, С22 - 24 вольта. Это напряжение указано на корпусе реле. Обмотка реле питается в аппарате от выпрямителя на диоде D11 (смотрим принципиальную схему аппарата)

Схема силовой части аппарата. Собственность компании Telwin.
Схема силовой части аппарата. Собственность компании Telwin.

Следовательно, на конденсаторе фильтра С18 во время работы аппарата должно быть напряжение порядка 24 вольт. Я решил измерить это напряжение в различных режимах работы аппарата, для чего подключил два провода к выводам обмотки реле RL1

Провода для измерения напряжения на обмотке реле RL1. Фото автора.
Провода для измерения напряжения на обмотке реле RL1. Фото автора.

Внимание! Все измерения придётся проводить при питании аппарата от сети 220 вольт, поэтому нужно быть предельно осторожным! Удар электрическим током никому из нас не нужен!

Подключаю аппарат к сети, сегодня (10 мая 2024 года) у нас напряжение необычайно высокое - 235 вольт. Напомню, что мой дом - последний на линии, до трансформатора расстояние порядка 500 метров.

На холостом ходу (аппарат включен в сеть) напряжение на обмотке реле RL1 - 25,2 вольта. При поджиге дуги напряжение неожиданно снизилось. Я варил электродом диаметром 3 мм, напряжение на обмотке реле при сварке было порядка 20,0 - 20,5 вольта.

Подсчитаем оценочно потребляемый схемой питания вентилятора ток. Напряжение питания штатного вентилятора всегда 12 вольт благодаря наличию в схеме стабилитрона D36. Тогда в режиме холостого хода падение напряжения на параллельно соединённых резисторах R37 и R65 составит 13,2 вольта. Отсюда ток, потребляемый схемой питания вентилятора, составляет примерно 0,4 ампера. Это максимальный ток, который потребляет схема питания вентилятора. Следовательно, мы можем подключить вентилятор, рассчитанный на напряжение 24 вольта и ток максимум 0,4 ампера напрямую к конденсатору С18, удалив штатную схему питания вентилятора. В режиме холостого хода вентилятор будет работать на повышенном напряжении, что нехорошо, конечно. Но больший поток воздуха от такого вентилятора обеспечит гораздо лучшее охлаждение компонентов аппарата.

Технически эта переделка не будет ни простая, ни быстрая. Эти слова очень любят блогеры, но в данном случае так не получится при всём желании. Потребуется:

1. Заменить штатный вентилятор на вентилятор такого же размера (92 х 92 х 25 мм), но рассчитанный на напряжение 24 вольта. Широко распространены вентиляторы 24 вольта на ток 0,3 ампера. Если удастся найти вентилятор на ток, близкий к 0,4 амперам - будет ещё лучше. Вентилятор нужно выбирать из надёжных, а также предварительно проверить, сможет ли он работать при повышенном напряжении. Если на вентилятор есть техническая документация (datasheet) - внимательно изучить её.

Технически заменить вентилятор трудно! Нужно выпаять крепёжные скобы вентилятора из платы, переставить крепёжные скобы на новый вентилятор, после чего впаять скобы вместе с вентилятором обратно в плату. При этом важно не расплавить пластмассовую раму вентилятора, поэтому нельзя допускать перегрева крепёжных скоб при пайке. Паять нужно быстро, применяя легкоплавкий припой ПОС-61.

2. Выпаять стабилитрон D36 и резисторы R37, R65.

3. Вместо резистора R65 впаять в плату проволочную перемычку.

На этом всё, можно включать аппарат в сеть. Вентилятор при поджиге дуги будет снижать обороты, об этом нужно помнить. На холостом ходу обороты вновь возрастут, и вентилятор обеспечит максимальный поток воздуха.

Такой вариант доработки системы охлаждения аппарата BlueWeld Prestige 164 вполне осуществим. А какие варианты по улучшению охлаждения аппарата предложите вы? Пишите в комментариях!

Публикации моих статей на Дзен не приносят мне никакого дохода. И ладно бы просто доход не приносили! Ведь подготовка материалов требует больших усилий и затрат времени. Поэтому, если вам интересно читать статьи по ремонту электроники, и вы хотите помочь развитию моего канала, то я буду весьма благодарен вашим пожертвованиям на карту Сбер 2202 2061 0277 2519