Добавить в корзинуПозвонить
Найти в Дзене
Немного ЭлектрОники

Какой нужен диммер для управления яркостью светодиодной ленты

Вариантов всего два.
1. Драйвер(диммер) который управляет напряжением на ленте. Таких большинство в продаже и они не дорогие. Платка небольшого размера.
2. Драйвер который управляет током ленты. Такие тоже может быть есть в продаже, не уточнял. Но они стоить будут дороже и данный вариант более заморочистый в техническом плане. Схема сложнее. Какой вариант более правильный? Второй. Почему? После подключения к ленте напряжения, можно заметить, что с течением времени лента нагревается и ток потребления лентой увеличивается. Если лента будет работать с частым перегревом, то со временем светодиоды начнут вылетать, это вопрос времени. Чтобы лента прожила долго и счастливо нужно во первых всегда использовать алюминиевый профиль для охлаждения ленты, во вторых драйвер который бы мог контролировать ток ленты и в случае его увеличения, его уменьшать. Драйвер по напряжению такого счастья делать не может.
Драйвера могут быть двух типов, линейные и ШИМ (PWM). Линейные это древность и низкое КПД

Вариантов всего два.
1. Драйвер(диммер) который управляет напряжением на ленте. Таких большинство в продаже и они не дорогие. Платка небольшого размера.
2. Драйвер который управляет током ленты. Такие тоже может быть есть в продаже, не уточнял. Но они стоить будут дороже и данный вариант более заморочистый в техническом плане. Схема сложнее.

Какой вариант более правильный? Второй. Почему?

После подключения к ленте напряжения, можно заметить, что с течением времени лента нагревается и ток потребления лентой увеличивается. Если лента будет работать с частым перегревом, то со временем светодиоды начнут вылетать, это вопрос времени. Чтобы лента прожила долго и счастливо нужно во первых всегда использовать алюминиевый профиль для охлаждения ленты, во вторых драйвер который бы мог контролировать ток ленты и в случае его увеличения, его уменьшать. Драйвер по напряжению такого счастья делать не может.

Драйвера могут быть двух типов, линейные и ШИМ (PWM). Линейные это древность и низкое КПД (в продаже не будет), силовой транзистор нагревается, но схема сверх простая. ШИМ это уже круто, токи могут быть большими, транзистор не нагревается, но схема сложнее немного и обычно еще ставят контроллер с прошивкой для разных режимов работы.

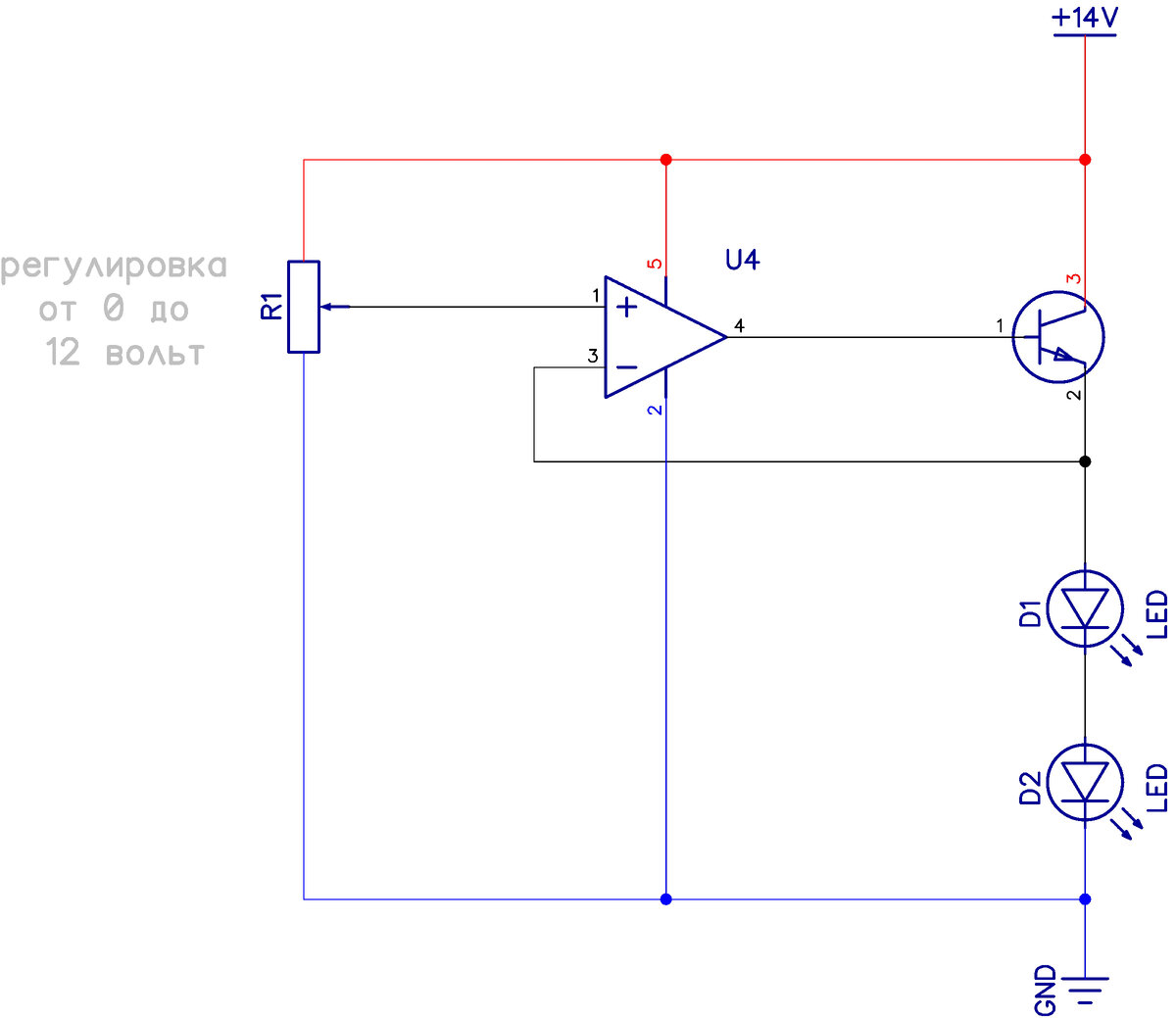
Линейный драйвер с управлением по напряжению на ленте

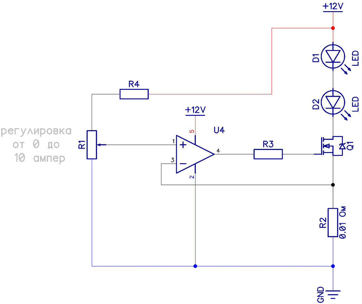
Линейный драйвер с управлением по току ленты

-2

Линейный драйвер с управление по току с микроконтроллером

Реальная схема работающего драйвера, прошивка в архиве
Реальная схема работающего драйвера, прошивка в архиве

ШИМ драйвер с управлением по току с микроконтроллером

Реально работающая схема, прошивка в архиве, ток до 5А
Реально работающая схема, прошивка в архиве, ток до 5А

ШИМ управление напряжением на ленте с микроконтроллером

-5

Я как раз делал себе подсветку на кухне и решил собрать себе драйвер на микроконтроллере Attiny24. Драйвер один сделал линейный по току на 1А , второй ШИМ по току на 4А. Если ленты не сильно мощные и находятся в профиле, то проще сделать ШИМ по управлению напряжением. Если ленты мощные и греются, то плюс драйвера по току в том, что он не даст увеличится току в ленте который мы задали изначально энкодером. Скажем так эдакий механизм контроля тока и недопущения его увеличения (соответственно меньше нагрев ленты).

Вот так выглядит платка ШИМ по току с микроконтроллером Attiny24A

-6
-7
-8

Плата ШИМ по току работает как от 12 так и от 24 вольта. Выходной ток максимум 5А. Если надо 10А то два резистора по 100К меняем на два по 50К и будет выходной ток до 10А. Максимальный выходной ток устанавливается подстроечником на плате. Предположим ваша лента на 24 вольта и потребляет она на холодную максимум 4А. Тогда вращая подстроечник добиваемся того чтоб на выводе микроконтроллера РА3 было 4 вольта. На этом все, драйвер не выдаст больше чем 4А в ленту. Энкодером можно плавно регулировать яркость ленты от 0 до 4А. Регулировка происходит через полевой транзистор с управлением по ШИМ. Частота ШИМ около 120 Гц. Частоту естественно можно увеличить если надо. Прошивка и весь исходный код скачиваем кому надо по ссылке. Регулировка ШИМ происходит с помощью PID регулятора в прошивке. Схемы придумал сам, ничего там нет особенного, классические из учебников. Первые самые две схемы в статье упрощенные и просто показывающие суть идеи. Резисторы R6, R8, R13, R14 должны быть точные не хуже 1%. Иначе будет погрешность по току, я не заморачивался сильно у меня погрешность ровно 0.1 А. Ну то есть если я выставляю выходной ток драйвера максимум 3А, драйвер выдает 2.9 А. на погрешность естественно так же влияет точность шунта в 0.01 Ом. Если он не точный, то точные резисторы не спасут. Плюс на точность влияет правильная разводка платы и нужный операционный усилитель. Обычный операционник общего применения тут не подходит. Надо что то из класса ZERO DRIFT. У меня такого не было (а если б и был, то не поставил бы, жаба задавит), поэтому поставил что то среднее. А что вы думали, в сказку попали? Я выше писал что управление по току, это легкий гемморой. Поэтому 99.9999% народу ставят ШИМ драйвера по напряжению. Если лента греется и диоды начинают моргать от нагрева, просто делают яркость ленты меньше и все.

Ссылка на скачивание схем, прошивок и исходного кода с печатками.