Найти в Дзене
Not_facebooked

Сварочный инвертор с интегрированным ККМ. Часть 12.

В предыдущих статьях рассматривались различные варианты корректоров коэффициента мощности (ККМ), пригодных для использования в составе сварочного инвертора: пассивные решения, активные ККМ с коммутацией тока входного формирующего дросселя на частоте первичной сети и активный ККМ классического повышающего типа с коммутацией на высокой частоте. Все эти варианты по разным причинам пока были отклонены. В настоящей статье обратимся к еще одному варианту – интегрированному решению, в котором силовая часть устройства и модуль управления ею используются и в качестве ККМ и в качестве инверторного источника сварочного тока (ИИСТ). Этот вариант ККМ-ИИСТ можно образно обозначить термином «два в одном флаконе» или коротко «однофлак». Существует целое направление, посвященное разработке интегральных решений «DC-конвертер с интеграцией ККМ». Опубликована масса статей на эту тему, в частности, можно ознакомиться с обзором [1]. Преимущественно предлагаются решения малой и реже средней мощности. В

В предыдущих статьях рассматривались различные варианты корректоров коэффициента мощности (ККМ), пригодных для использования в составе сварочного инвертора: пассивные решения, активные ККМ с коммутацией тока входного формирующего дросселя на частоте первичной сети и активный ККМ классического повышающего типа с коммутацией на высокой частоте. Все эти варианты по разным причинам пока были отклонены. В настоящей статье обратимся к еще одному варианту – интегрированному решению, в котором силовая часть устройства и модуль управления ею используются и в качестве ККМ и в качестве инверторного источника сварочного тока (ИИСТ). Этот вариант ККМ-ИИСТ можно образно обозначить термином «два в одном флаконе» или коротко «однофлак».

Существует целое направление, посвященное разработке интегральных решений «DC-конвертер с интеграцией ККМ». Опубликована масса статей на эту тему, в частности, можно ознакомиться с обзором [1]. Преимущественно предлагаются решения малой и реже средней мощности. Внутри этого направления существует отдельная «ветка», посвященная «однофлакам», предназначенным для питания газоразрядных ламп. То есть такой нагрузки, которой требуется питание стабильным током. Среди таких драйверов газоразрядных ламп нашлось схемотехническое решение, которое может представлять интерес в рамках обсуждаемой проблемы «сварочный однофлак» [2].

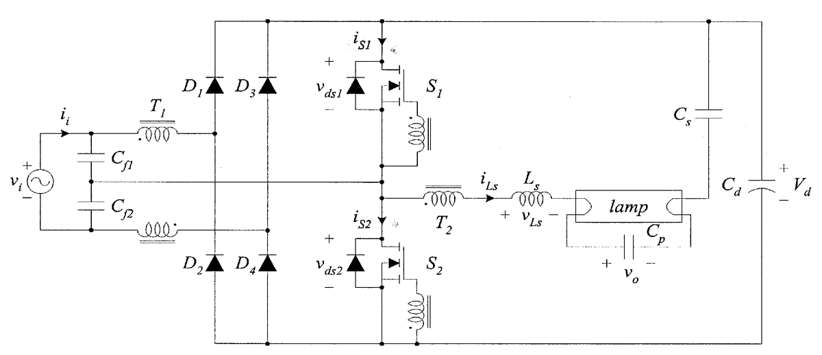
Упрощенная схема устройства из работы [2] показана на рис.1. На следующем рис.2 приведена модификация преобразователя из [3], в которой двухобмоточный магнитосвязанный дроссель фильтра и емкостный делитель перенесены со стороны первичной сети на сторону постоянного тока (за входным выпрямителем). Еще одна разновидность подобного решения предлагается в [4].

Рис.1. Интегрированное решение PFC-DC-AC-Converter из работы [2].
Рис.1. Интегрированное решение PFC-DC-AC-Converter из работы [2].
Рис.2. Интегрированное решение PFC-DC-DC-Converter из работы [3].
Рис.2. Интегрированное решение PFC-DC-DC-Converter из работы [3].

Попробуем приспособить топологию из приведенных статей к нашей задаче. Определимся какую именно: по рис.1 или рис.2.

Достоинства схемы на рис.1: ток дросселя ККМ-секции протекает через минимально возможное количество силовых ключей – один диод входного моста и один силовой транзистор; схема максимально простая; в качестве boost-индуктивностей используются индуктивности рассеивания двухобмоточного дросселя. В обмотках магнитосвязанного дросселя происходит компенсация и сложение токов boost-дросселей на частоте коммутации Fsw в результате чего индукция в магнитопроводе дросселя изменяется в соответствии с входным напряжением на частоте питающей сети и не содержит компоненты с частотой переключения силовых транзисторов. Недостатки: диоды моста должны быть категории Ultrafast и рассчитаны на большие импульсные токи; конденсаторы входного емкостного делителя для преобразователя мощностью около 5 кВт будут иметь номинал порядка 10 мкФ, то есть через них будет течь довольно большой реактивный ток, несколько снижающий общий коэффициент мощности (КМ) устройства; сложно получить индуктивности рассеивания заданной величины.

Достоинства схемы на рис.2: входной диодный мост из низкочастотных диодов; емкостной делитель не потребляет реактивную мощность; емкость конденсаторов делителя можно увеличить и за счет этого несколько уменьшить индуктивность магнитосвязанного дросселя, который совместно с указанными конденсаторами выполняет роль фильтра гармоник потребляемого от сети тока на частоте коммутации силовых транзисторов Fsw; в качестве boost-индуктивностей используются индуктивности рассеивания двухобмоточного дросселя. В обоих схемах включение транзисторов происходит «мягко» при обесточенном boost-диоде. Недостатки: сложно получить индуктивности рассеивания заданной величины, лучше использовать отдельные дроссели на несколько десятков мкГн; ток boost-дросселя протекает через один диод и транзистор, ток накачки конденсаторов емкостного делителя - через диоды моста. В обоих схемах выключение транзисторов «жесткое», требуется снаббер «на выключение», затягивающий фронт напряжения коллектор-эмиттер. Вообще говоря, все недостатки и достоинства (а есть и те и другие) данной топологии вытекают из режима работы boost-дросселей – с разрывным током…

Для построения модели «однофлака» выбрана схема на рис.2. Модель получившегося ККМ-ИИСТ приведена на рис.3. Модель содержит минимум необходимых элементов, можно сказать, что это «концепт-модель», назначение которой: изучить перспективу данной топологии в качестве "однофлака". В случае если перспектива будет просматриваться можно проработать модель в подробностях.

Рис.3. Модель в Micro-CAP 12 интегрированного ККМ-ИИСТ  на основе силовой части из работы [2].
Рис.3. Модель в Micro-CAP 12 интегрированного ККМ-ИИСТ на основе силовой части из работы [2].

Пояснения по модели. В качестве силовых транзисторов используются IRG4PC50UD. Ls1, Ls2 – boost-индуктивности в составе повышающего ККМ. Индуктивности L1, L2 – магнитосвязанный дроссель фильтра гармоник Fsw. Диоды D16, D17 препятствуют разряду конденсатора Cd по шине питания Vdc на делитель С5, С6. Силовой трансформатор: L3, L4, L5 и индуктивность рассеивания L6. Преобразователь управляется ШИМ-контроллером Х17 при отключенной обратной связи как по току нагрузки R_out так и по напряжению Vdc. Обратные связи не используются для того, чтобы увидеть поведение и возможности преобразователя в чистом виде и в самом тяжелом режиме: напряжение питания Vin установлено минимальным (за минимальное напряжение сети принято Vin=180V AC, за максимальное – 265V AC), силовые транзисторы переключаются с максимальным коэффициентом заполнения, принятым равным 0,9 (для обоих ключей полумоста), ток нагрузки – максимальный, равный 150А, частота коммутации Fsw – минимальная, равная 20 кГц. Пояснения по выбору Fsw будут даны ниже.

Описанным преобразователем можно управлять как ШИМ так и ЧИМ способом. Оптимально использовать оба типа модуляции. В простейшем варианте средний ток нагрузки и напряжение питания полу-моста Vdc регулируется с помощью ШИМ. Требуется два канала обратной связи. Вместе с этим (независимо от Vdc и тока нагрузки) желательно изменять Fsw пропорционально напряжению сети Vin. У обсуждаемой модели Fsw=Const. По результатам предварительного моделирования минимальное значение Fsw выбрано равным 20 кГц при минимальном напряжении сети 180 В и индуктивности boost-дросселей Ls1, Ls2 равной 40 мкГн. Тогда при максимальном напряжении сети 265 В Fsw должна быть порядка 55 кГц. При выбранных Ls1, Ls2, Fsw min при минимальном Vin и токе нагрузки 150 А напряжение на шине Vdc не должно падать ниже амплитудного значения напряжения питающей сети (то есть 254 В) или быть выше 400 В. «Осциллограммы» токов и напряжений в характерных точках схемы показаны на рис.4 и 5. Условия измерений описаны выше: Vin=180V AC, Fsw=20 kHz, R_out=0.19 Ohm, Iload=150A DC, обратная связь ШИМ-контроллера отключена.

Рис.4. Vin – напряжение первичной сети 180В/50Гц, I(R5) – ток, потребляемый конвертером от первичной сети, V(Vload) – напряжение на нагрузке, I(R_out) – ток нагрузки, V(Vdc) – напряжение на шине питания полу-моста.
Рис.4. Vin – напряжение первичной сети 180В/50Гц, I(R5) – ток, потребляемый конвертером от первичной сети, V(Vload) – напряжение на нагрузке, I(R_out) – ток нагрузки, V(Vdc) – напряжение на шине питания полу-моста.
Рис.5. V(Gate) – затворное напряжение «нижнего» сдвоенного транзистора полумоста, V(Drain) -  напряжение на коллекторе «нижнего» транзистора, I(R7) – ток коллектора «нижнего» сдвоенного транзистора, I(D17) – ток одного из boost-диодов.
Рис.5. V(Gate) – затворное напряжение «нижнего» сдвоенного транзистора полумоста, V(Drain) - напряжение на коллекторе «нижнего» транзистора, I(R7) – ток коллектора «нижнего» сдвоенного транзистора, I(D17) – ток одного из boost-диодов.

Рассчитаем (вернее сказать - оценим) КМ и КПД изучаемого преобразователя. Получились следующие цифры:

Активная мощность потерь на входном диодном мосте: 48,6 Вт;

Активная мощность потерь на boost-диодах D16, D17: 103,2 Вт;

Активная мощность потерь на диодах вторичного выпрямителя D25, D26: 200 Вт;

Активная мощность потерь на транзисторах полу-моста: 141 Вт;

Суммарная мощность активных потерь в полупроводниках: 493 Вт.

Активная мощность в нагрузке: 4334 Вт;

Суммарная потребляемая активная мощность: 4827 Вт;

Полная потребляемая мощность от сети: 5103 ВА;

Тогда получаем КПД=0,90 и КМ=0,95. Эти результаты не учитывают потери в моточных изделиях ("МС 12" не позволяет это сделать) и в конденсаторах Cd, C5 - C8. Автор оценивает эти потери суммарно в 200 Вт. Тогда более реалистичные показатели были бы: КПД=0,86 и КМ=0,98. Осталось осознать полученные результаты – они «плохие» или «хорошие»?..

Для этого изучим КМ и КПД промышленных сварочных инверторов ММА нижнего ценового диапазона со сварочным током 140 – 200 А без ККМ на входе по информации из технических паспортов. Достоверность заявленных производителем цифр не известна. К сожалению большая часть производителей не приводит интересующие нас параметры, либо приводит, но не сообщает при каком режиме они получены. Примеры промышленных ИИСТ:

1. ESAB Rogue 180i Pro. Имеет встроенный ККМ, КПД=0,82, КМ=0,99 при напряжении питания от 115 до 230 В (!). Сильный результат. Скорее всего внутренний ККМ выполнен отдельным модулем.

2. «Калибр» СВИ-160АП. КПД=0,85, КМ=0,93. Не ясно за счет чего такой высокий КМ…

3. «Сварог» ARC160. КПД=0,85, КМ=0,93.

4. Kemppi MinArc 150. КПД=0,80, КМ=0,60 при питающем напряжении 187 – 253 В. Производитель известный, результат скромный, зато честный.

5. EWM Pico 160 CEL. КПД=0,83, КМ=0,99 в диапазоне напряжения питания 220В +15-40%. Устройство явно имеет внутренний ККМ.

6. «Зубр» Мастер СА-160. КПД=0,85, КМ=не известно.

7. Champion IW-180/8.2ATL. КПД=0,85, КМ=0,7.

8. ZX7-20. КПД=0,85, КМ=0,75.

Из приведенного списка можно считать типовыми КПД=0,85 и КМ=0,7 для ИИСТ без ККМ.

На этом фоне обсуждаемый «однофлак» выглядит совсем не плохо и имеет право на жизнь. Единственное обстоятельство, которое портит картину – большой коммутируемый силовыми ключами ток. Исправить этот недостаток можно (во всяком случае в теории) следующими способами:

а) использовать сдвоенный (из двух идентичных модулей) вариант;

б) придумать топологию «однофлака» с входным дросселем в режиме безразрывного тока;

г) считать любую топологию "однофлака" нецелесообразной в качестве сварочного инвертора, оптимальным считать вариант раздельных ККМ и собственно сварочного инвертора. От "однофлаков отказаться";

Пунктами а) - г) займемся в следующей статье. Других вариантов вроде бы нет.

Литература.

1. G. Moschopoulos. Single-Phase Single-Stage Power-Factor-Corrected Converter Topologies. IEEE TRANSACTIONS ON INDUSTRIAL ELECTRONICS, VOL. 52, NO. 1, FEBRUARY 2005.

2. Hyun-Lark Do et al. Single-Stage Line-Coupled Half-Bridge Ballast With Unity Power Factor and Ripple-Free Input Current Using a Coupled Inductor. IEEE TRANSACTIONS ON INDUSTRIAL ELECTRONICS, VOL. 50, NO. 6, DECEMBER 2003.

3. Tsai-Fu Wu et al. A Single-Stage Fast Regulator With PFC Based on an Asymmetrical Half-Bridge Topology IEEE TRANSACTIONS ON INDUSTRIAL ELECTRONICS, VOL. 52, NO. 1, FEBRUARY 2005.

4. Akira Nabae et al. Novel Sinusoidal Converters With High Power Factor. Proceedings of 1994 IEEE Industry Applications Society Annual Meeting. DOI: 10.1109/IAS.1994.377506.