Найти в Дзене

"Секретная" схема ИНДУКТОФОНА

схема ИНДУКТОФОНА
схема ИНДУКТОФОНА

Недавно не канале Дмитрий Компанец вышла статья про ИНДУКТОФОН который , яко-бы не могут собрать и повторить радиолюбители.

В ней утверждается, что найти СХЕМУ ИНДУКТОФОНА практически невозможно. Поиск по сети Интернет выдал мне вот такую схему с описанием

СХЕМУ ИНДУКТОФОНА
СХЕМУ ИНДУКТОФОНА

Оказывается сделать ИНДУКТОФОН совсем не сложно и надо только уметь собирать усилитель низкой - звуковой частоты и наматывать проволоку вокруг комнаты и уметь сделать катушку тонкого провода на феррите для приема звукового сигнала.

сделать ИНДУКТОФОН
сделать ИНДУКТОФОН

Вот как на самом деле можно легко сделать ИНДУКТОФОН из проволоки и даже без транзисторов.

Оказывается, что в промышленности уже была такая схема для беспроводного прослушивания телевизоров и магнитофонов на головные телефоны наушники

головные телефоны наушники
головные телефоны наушники

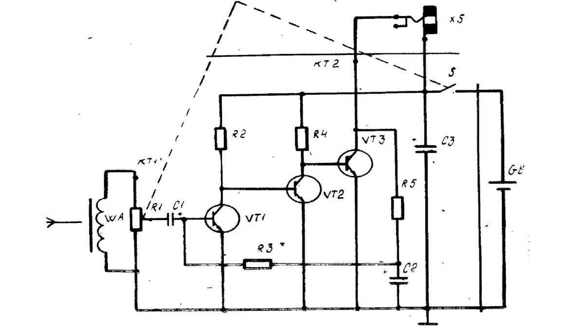
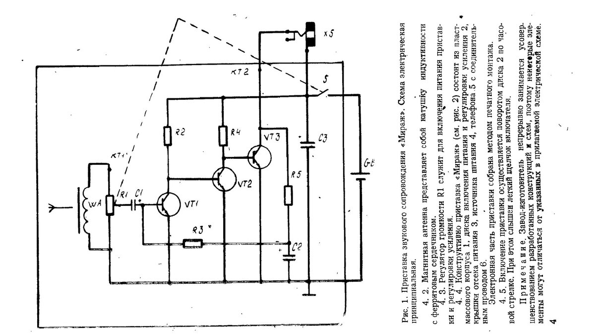
Называлось такое устройство "Мираж" и его документацию можно найти и сейчас в сети интернет.
Вот выдержка из инструкции к этому радиоустройству беспроводной передачи звука на расстояние.

-5

Вот теперь , зная такую схему, я соберу свой собственный ИНДУКТОФОН в своей комнате,,,, только не знаю зачем он мне нужен - старого телевизора и магнитофона у меня всё равно нет ... .

Молодой изобретатель
Данила Дмитриевич