Найти в Дзене

Самодельный гидравлический пресс из домкрата

Если вы задумались о создании пресса из домкрата, но не знаете с чего начать, то достаточно следовать инструкции, представленной ниже. В первую очередь нужно определить подходит ли модель вашего домкрата для создания самодельного пресса. Из каких домкратов можно сделать пресс Чтобы изготовить гидравлический пресс своими руками, лучше использовать гидравлический домкрат бутылочного или стаканного типа. Реечно-винтовой домкрат не подходит для таких целей, так как потеря усилия может составлять до 25%. Гидравлический домкрат для пресса должен иметь грузоподъемность около 20 тонн. Лучше, конечно, выбрать модели подъемников с большей грузоподъемностью. Необходимые инструменты и материалы Чтобы сделать пресс из домкрата, нужно заранее подготовить чертежи. В интернете легко найти нужную вам схему. Если кто-то из ваших знакомых уже имеет опыт конструирования подобных устройств, то лучше обратиться к ним за помощью. Перечень необходимых инструментов: Подготовьте необходимые материалы: Уделите
Оглавление

Если вы задумались о создании пресса из домкрата, но не знаете с чего начать, то достаточно следовать инструкции, представленной ниже.

В первую очередь нужно определить подходит ли модель вашего домкрата для создания самодельного пресса.

Из каких домкратов можно сделать пресс

Чтобы изготовить гидравлический пресс своими руками, лучше использовать гидравлический домкрат бутылочного или стаканного типа.

Реечно-винтовой домкрат не подходит для таких целей, так как потеря усилия может составлять до 25%.

Гидравлический домкрат для пресса должен иметь грузоподъемность около 20 тонн. Лучше, конечно, выбрать модели подъемников с большей грузоподъемностью.

Бутылочный домкрат
Бутылочный домкрат

Необходимые инструменты и материалы

Чтобы сделать пресс из домкрата, нужно заранее подготовить чертежи. В интернете легко найти нужную вам схему.

Если кто-то из ваших знакомых уже имеет опыт конструирования подобных устройств, то лучше обратиться к ним за помощью.

Перечень необходимых инструментов:

  • сварочный аппарат и электроды 4 мм;
  • ножовка по металлу;
  • УШМ и набор толстостенных отрезных кругов по стали (диски с алмазным покрытием тоже подойдут);
  • слесарная линейка (или строительная рулетка);
  • стальной уголок 50х50 равнополочный;
  • лазерный уровень ( можно воспользоваться гидроуровнем);
  • слесарные тиски, мощные струбцины;

Подготовьте необходимые материалы:

  • гидравлический домкрат;
  • швеллер 8 и выше длиной 4 м;
  • толстостенный профиль м квадратным или прямоугольным сечением;
  • стальная полоса (толщина более 10 мм);
  • отрезок трубы длиной 10-15 мм (диаметр должен быть равен размеру штока домкрата);
  • лист металла 250х100 мм толщиной 9-10 мм;
  • 2 пружины, они нужны для возвращения упора в прежнее положение (можно взять пружины от автокресел, дверей).
Уделите особое внимание безопасности при работе. Позаботьтесь о наличии защиты: сварочной маски, защитных очков, респиратора. Работайте в комбинированных перчатках.

Процесс сборки

Учтите, что отклонение от размеров, указанных в чертеже, могут привести к плохому результату.

В первую очередь нужно собрать прочную несущую конструкцию, которая выдержит оказываемую нагрузку.

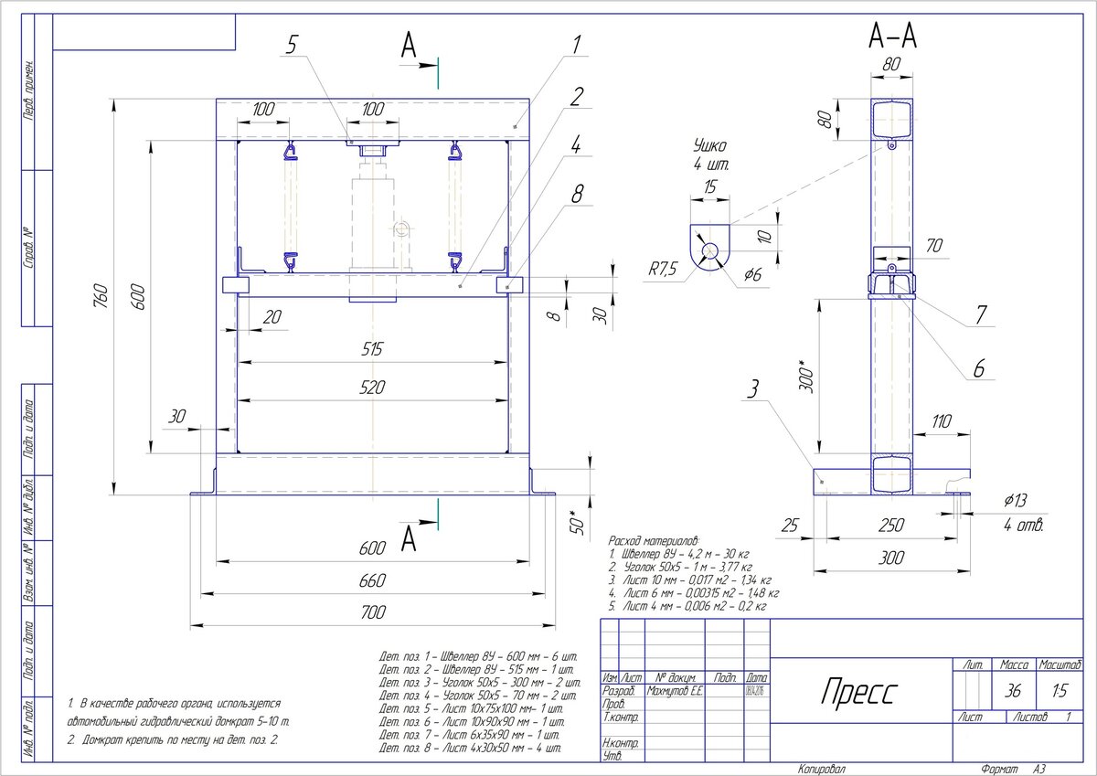
Чертеж гидравлического пресса
Чертеж гидравлического пресса

Шаг 1. Для изготовления платформы под пресс нужно использовать стальные П-образные профили с толстыми стенками. В качестве альтернативы можете использовать квадратный или прямоугольный профилированный прокат. Перед началом сборки основания убедитесь в наличии 4-х отрезков П-образного профиля или профиля с квадратным сечением.

Все размеры сверяйте с чертежом. Заготовленный профиль соединяется друг с другом при помощи электросварки. Сварные швы нужно проделать со всех сторон, чтобы обеспечить нужную жесткость конструкции.

Шаг 2. После сбора основания, нужно приступить к сборке нижнего упора и вертикальных стоек. Их можно сделать из профильной трубы.

Учтите, что длина заготовок для вертикальных стоек должна быть равна сумме высоты корпуса домкрата, длины максимального выхода его штока и толщины съемного упора. Нижний упор выполняется из отрезка профиля размером с длину опорного основания.

Жесткая единая конструкция в виде рамы собирается из заготовленных частей: платформы, вертикальных стоек и нижнего упора. Между всеми элементами конструкции обязательно должен быть угол 90°. Чтобы рама была жесткой и устойчивой к большим нагрузка, нужно приварить стальные пластины по диагонали к боковым стойкам и основанию.

Для того, чтобы с прессом из домкрата можно было работать, нужно предусмотреть съемный упор, который двигаясь по вертикальным направляющим будет создавать нужное давление на обрабатываемый предмет. Для этого сварите друг с другом с двух сторон несколько стальных пластин толщиной более 1 см.

Чтобы легко снять упор при необходимости, нужно проделать в нем несколько отверстий, через которые он будет соединяться с основанием домкрата.

На них также можно установить направляющие пластины, чтобы исключить боковой люфт съемного упора. Длина упора должна быть меньше боковых пластин минимум на 100 мм.

Шаг 3. Необходимо собрать фиксатор штока домкрата. Для этого по центру нижней поверхности основания опоры нужно приварить трубу высотой 10-15 мм. Ее диаметр должен быть равен линейному размеру поперечного сечения штока.

Затем потребуется собрать устройство для возвращения домкрата в исходное положение. Для этого понадобятся 2 пружины. Закрепить их можно разными способами, но они должны располагаться на равном расстоянии от центра опорного основания, чтобы предотвратить появление перекосов во время работы.

Когда все элементы собраны, можно переходить к установке гидравлического домкрата.

Для этого съемный упор нужно опустить вниз, а в образовавшийся просвет поместить домкрат, совместить его шток с фиксатором из трубы, которая приварена к нижней части платформы.

Гидравлический пресс своими руками
Гидравлический пресс своими руками

В конце нужно зафиксировать съемный упор и основание гидравлического домкрата.

И ваш пресс из домкрата готов к работе. Можно улучшить его внешний вид - удалить следы коррозии и покрасить.

Как уменьшить ход штока домкрата

У некоторых владельцев самодельного гидравлического пресса возникает вопрос о том, как уменьшить ход штока гидравлического пресса. Это позволяет сэкономить время в процессе работы. Есть несколько способов решить эту задачу:

  1. Установить на нижний неподвижный упор профиль квадратного или прямоугольного сечения;
  2. Сделать возможность регулировки высоты нижнего упора. Для этого на боковых стойках пресса делаются отверстия с нужным шагом на разной высоте. А упор просто крепится к ним;
  3. Набор сменных накладок для поверхности нижнего упора пресса.

Пресс из домкрата созданный своими руками всегда соответствует нужным вам техническим характеристикам и размерам. Кроме того, с помощью самодельных устройств в своей мастерской, вы сможете расширить спектр работ, которые не могли делать ранее из-за нехватки оборудования.

Понравилась статья? Поставьте лайк и подпишитесь на наш канал, чтобы не пропустить еще больше полезной информации!