Найти в Дзене
Старый радио любитель

Для начинающих. Трансивер "ДНР-КФ-SA612". Часть 1. Фильтры НЧ. Практика.

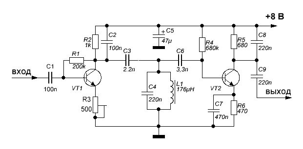
Приступаю к практической реализации фильтров НЧ. Начинаю с телеграфного. По сравнению с схемой модели появились некоторые изменения. Емкость конденсаторов С1 и С9 уменьшены с целью завала частот ниже 300 Гц. Второй каскад из эмиттерного повторителя превратился в усилитель с завалом на низких (благодаря С7) и высоких (благодаря С8) частотах. Самым трудным в LC-фильтрах является изготовление катушки, а в НЧ фильтрах это усугубляется относительно большой их индуктивностью. Тут уж без ферритовых сердечников не обойтись. В 80-х считали за счастье достать ферритовые кольца 2000НМ диаметром 16 - 20 мм, какие были описаны в книге В.Т. Полякова. Вот я отыскал древнюю платку с приемником прямого преобразования и ФНЧ с катушкой на таком кольце. Мотать приходилось с помощью челнока витков 150 - 250, в зависимости от необходимой индуктивности. Занятие это сродни медитации :)), но катушки получаются отменными. Сейчас для таких катушек можно использовать дешевые сердечники от дядюшки Ху зеленого цве

Приступаю к практической реализации фильтров НЧ. Начинаю с телеграфного.

Рис. 1.
Рис. 1.

По сравнению с схемой модели появились некоторые изменения. Емкость конденсаторов С1 и С9 уменьшены с целью завала частот ниже 300 Гц. Второй каскад из эмиттерного повторителя превратился в усилитель с завалом на низких (благодаря С7) и высоких (благодаря С8) частотах.

Самым трудным в LC-фильтрах является изготовление катушки, а в НЧ фильтрах это усугубляется относительно большой их индуктивностью. Тут уж без ферритовых сердечников не обойтись. В 80-х считали за счастье достать ферритовые кольца 2000НМ диаметром 16 - 20 мм, какие были описаны в книге В.Т. Полякова. Вот я отыскал древнюю платку с приемником прямого преобразования и ФНЧ с катушкой на таком кольце.

Рис. 2.
Рис. 2.

Мотать приходилось с помощью челнока витков 150 - 250, в зависимости от необходимой индуктивности. Занятие это сродни медитации :)), но катушки получаются отменными. Сейчас для таких катушек можно использовать дешевые сердечники от дядюшки Ху зеленого цвета.

Рис. 3.
Рис. 3.

Правда, чтобы получить индуктивность 176 мГн нужно будет намотать около 245 витков на кольце диаметром 12,5мм.

Но есть и другие варианты. Самый лучший - это горшкообразные сердечники. В этом случае катушка находится внутри сердечника и экранирована от внешних воздействий.

Рис. 4.
Рис. 4.

В советское время такие катушки тоже применялись. Вот у меня сохранилась плата от какого-то прибора.

Рис. 5.
Рис. 5.

Такие сердечники можно купить и в России и у дядюшки, но ... дороговаты они. Раньше были дешевле :)), вот у меня пяток комплектов и оказалось. Мотать катушку просто, это не кольцо. Расчет можно сделать с помощью программы Coil64.

Выбираем вкладку "Фирменные сердечники", далее "Сердечники Амидон" и далее вкладку "Броневые сердечники". Выбираем подходящий типоразмер (у меня как раз внешний диаметр чашки 18мм).

Рис. 6.
Рис. 6.

Вводим в окошке вверху слева нужную индуктивность (обратите внимание. что она должна быть в мкГн, а не в мГн) и жмем кнопку "Экспортировать результат". В основном окне программы слева видим результат.

Рис. 7.
Рис. 7.

Количество витков - 247, максимальный диаметр провода - 0,45 мм. Можно взять провод потоньше, например, 0,33 мм или 0,15 мм. Индуктивность катушек, намотанных разным проводом будут отличаться, но очень незначительно.

Итак, катушка в горшке, горшок на плату и фиксирую винтом с гайкой. Устанавливаю транзисторы и обвязку.

Рис. 8.
Рис. 8.

Режим по постоянному току - практически один в один, как я уже не раз убеждался. Подключаю к входу генератор, а к выходу - осциллограф.

Рис. 9.
Рис. 9.

Резонансная частота оказалась равной 830 Гц - тоже полностью соответствует модели. А вот полоса пропускания - немного шире: если в модели на уровне -40 дБ ширина полосы была 214 Гц, то в натуре - почти 1 кГц, по уровню - 20 дБ в модели порядка 50 Гц, а в натуре - 300 Гц. Общее усиление блока - около 10 дБ.

Перехожу к ФНЧ.

Рис. 10.
Рис. 10.

Здесь схема по сравнению с моделью изменилась мало: только уменьшил ёмкость переходных конденсаторов С1 и С9. Теперь о катушках. Я мог бы использовать уже имеющийся у меня ФНЧ на катушках в броневых сердечниках, или, как их называет дядюшка Ху, магнитных баках.

Рис. 11.
Рис. 11.

Но я хочу показать вам еще одну возможную конструкцию катушек - дешевую и не требующую намотки челноком. Это Ш-образные (или Е-образные) ферритовые сердечники для импульсных трансформаторов питания. Вот такие:

Рис. 12.
Рис. 12.

О типоразмерах таких сердечников можно посмотреть здесь. Стоимость - копейки. Хочу толь предупредить, что маленькие сердечники, например Е10, при транспортировке могут ломаться. У меня из 10-ти половинок две были сломаны. Правда их можно склеить.

Рис. 13.
Рис. 13.

Расчет катушек на Е-сердечниках можно сделать в Coil64. Так же, каки при расчете катушки в броневом сердечнике, выбираем вкладку "Фирменные сердечники", далее "Сердечники Амидон" и далее вкладку "Сердечники Е-типа"

Рис. 14.
Рис. 14.

К сожалению, типоразмеров в программе мало, и начинаются они с А=19,3мм С таким сердечником катушка 76 мГн должна иметь 273 витка, а я на сердечнике с А=10 намотал 360 витков проводом 0,12.

Рис. 15.
Рис. 15.

Катушечки получаются очень аккуратненьким. Теперь из на плату.

Рис. 16.
Рис. 16.

Половинки сердечника стягиваю узкой полоской изоленты или скотча. Режимы по постоянному току как в модели. Подключаю генератор и осциллограф.

Рис. 17.
Рис. 17.

АЧХ почти как у модели, но померить затухание больше 40 дБ у меня не получается - мешают шумы осциллографа. Но и так видно, что все в порядке, даже удалось почувствовать один полюс затухания на частоте около 4 кГц.

Так что, хоть и не идеально, но реальные поделки совпадают с параметрами, полученными с помощью LTspice.

Хочу сказать о еще одном способе изготовления катушек для фильтра - с использованием готовых трансформаторов. Но для их изготовления нужно знать индуктивность обмоток.

Рис. 18.
Рис. 18.

В продаже имеются разнообразные трансформаторы на ферритовых сердечниках. Это и коэффициентом передачи 1:1 (крайний справа, индуктивность обмоток - по 46 мГн), 1:10 (красненькие, в середине, большая катушка - около 250 мГн, слева - ФНЧ на таких трансформаторах.

Всем здоровья и успехов!