Найти в Дзене
Старый радио любитель

Для начинающих. Трансивер "ДНР-КФ-SA612".

Итак, начинаю работу по созданию трансивера "Для начинающего радиолюбителя с кварцевым фильтром на основе SA612". Это будет QRP трансивер с выходной мощностью около 10 Вт с питанием от аккумулятора 12 В (собираюсь выйти с ним в поля, если получится, по крайней мере аккумулятор уже заказал). Гетеродин - аналоговый, возможно с цифровой шкалой на Ардуино. Конструкция, предположительно, будет состоять из нескольких блоков: основной платы, блока НЧ, блока ГПД, блока диапазонных ФНЧ и усилителя мощности. Количество диапазонов - для начала 4 (80, 20, 15 и 10 м). Выбор обусловлен тем, что растягивать в поле антенны на НЧ диапазоны занятие еще то - неоднократно приходилось вывешивать полноразмерный треугольник на 40 м. А сейчас, пока высокая солнечная активность, можно легко поставить VP2E на 15 или 10 метров (похожая стоит у меня в огороде и работает очень даже неплохо для высоты подвеса 3,5 м). Диапазоны можно выбрать и другие, главное, понять, как это сделать. Работать буду пробовать телеф

Итак, начинаю работу по созданию трансивера "Для начинающего радиолюбителя с кварцевым фильтром на основе SA612". Это будет QRP трансивер с выходной мощностью около 10 Вт с питанием от аккумулятора 12 В (собираюсь выйти с ним в поля, если получится, по крайней мере аккумулятор уже заказал). Гетеродин - аналоговый, возможно с цифровой шкалой на Ардуино. Конструкция, предположительно, будет состоять из нескольких блоков: основной платы, блока НЧ, блока ГПД, блока диапазонных ФНЧ и усилителя мощности.

Количество диапазонов - для начала 4 (80, 20, 15 и 10 м). Выбор обусловлен тем, что растягивать в поле антенны на НЧ диапазоны занятие еще то - неоднократно приходилось вывешивать полноразмерный треугольник на 40 м. А сейчас, пока высокая солнечная активность, можно легко поставить VP2E на 15 или 10 метров (похожая стоит у меня в огороде и работает очень даже неплохо для высоты подвеса 3,5 м). Диапазоны можно выбрать и другие, главное, понять, как это сделать. Работать буду пробовать телефоном. телеграфом и FT8.

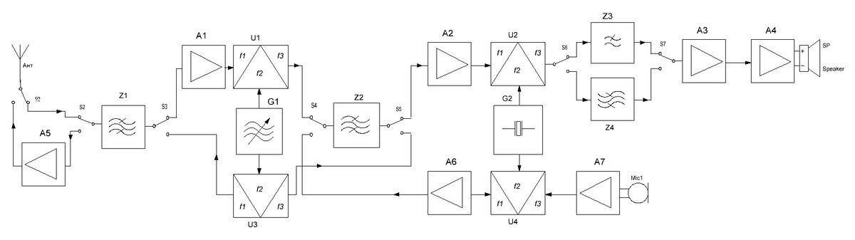
Переходим к блок-схеме.

Рис. 1.
Рис. 1.

В режиме приема сигнал от антенны проходит через полосовой фильтр соответствующего диапазона и поступает на вход отключаемого УВЧ, который на высокочастотных диапазонах будет весьма кстати, а в диапазоне 80 м он не нужен из-за высокого уровня шумов. Затем сигнал поступает на вход первого смесителя U1 на SA612, на смеситель также подается сигнал от ГПД G1. На выходе смесителя формируется сигнал первой ПЧ = 5 МГц. Почему именно 5 МГц - расскажу позже.

Этот сигнал проходит через кварцевый фильтр с полосой пропускания 2,1 кГц по уровню - 6 дБ. Выделенный фильтром Z2 сигнал поступает на вход УПЧ А2, а затем - на вход смесительного детектора U2 (SA612), куда подается еще сигнал от опорного кварцевого генератора G2. С его выхода сигнал НЧ поступает или на ФНЧ с частотой среза 2,1 кГц или на узкополосный телеграфный фильтр с полосой 300 Гц. Затем сигнал усиливается предварительным УНЧ А3 и подается на УМЗЧ А4.

В режиме передачи сигнал от микрофона усиливается усилителем А7 и подается на балансный модулятор, куда подается и сигнал от опорного кварцевого генератора. На выходе модулятора формируется сигнал DSB с подавленной несущей, который усиливается усилителем А6 и подается на вход кварцевого фильтра, подавляющего нерабочую боковую полосу. Сигнал SSB c его выхода подается на один из входов балансного смесителя U3, на другой вход которого подается сигнал ГПД. На выходе смесителя с помощью ДПФ Z1 выделяется высокочастотный сигнал выбранного диапазона и подается на усилитель мощности, а с его выхода - в антенну.

Общими для обоих трактов являются ДПФ, кварцевый фильтр, а также ГПД и кварцевый генератор, которые работают все время.

Конечно, схема стала сложнее, зато можно оптимизировать как смесители, так и детектор, и модулятор. Да и усиление в УПЧ тоже для каждого режима выбрать можно.

Я постараюсь в ходе работы описать процесс изготовления блоков и их наладки. Постараюсь использовать распространенные детали и комплектующие, но все сделать один в один совсем не обязательно, поэтому буду писать и о возможной замене.

Начал с корпуса. Слазил в подвал и выудил блок питания от древнего (286-го) компьютера, извлек оттуда плату и протер пыль веков :)). Постараюсь побыстрее наполнить его содержимым.

Всем здоровья и успехов!