Добавить в корзинуПозвонить
Найти в Дзене
Универ на диване

Плата печатная: подбор компонентов, разработка посадочных мест, трассировка, разработка документации и т.д. - Часть I

Здравствуйте, Дорогие друзья! В этой статье мы с Вами поговорим о том как выполнить трассировку ПП, сделать чертежи платы, чертежи узла печатного, перечни элементов и спецификации к ним. Дело это небыстрое в плане того, что материала будет немало. Поэтому я разделю эту статью на несколько частей и буду публиковать по мере написания. Итак, рассмотрим несложный пример того, как выполняется трассировка ПП. В данной части статьи мы скорее всего разберемся только с подготовкой к трассировке: найдём небольшую схему для примера в каком-нибудь старом журнале, определимся с компонентной базой и начнем делать заготовки в P-CAD. Поехали. Давайте найдем какую-нибудь простенькую схемку на примере которой я Вам смогу всё понятно и доступно объяснить. Заглянем в архив журнала Радио и поищем там что-нибудь интересное. Например в номере четвертом за 2000 год я нашел вот такую несложную принципиальную схемку (обратите внимание как она называется): Анализируем схему и саму статью (я это сделаю за Вас) и

Здравствуйте, Дорогие друзья! В этой статье мы с Вами поговорим о том как выполнить трассировку ПП, сделать чертежи платы, чертежи узла печатного, перечни элементов и спецификации к ним. Дело это небыстрое в плане того, что материала будет немало. Поэтому я разделю эту статью на несколько частей и буду публиковать по мере написания. Итак, рассмотрим несложный пример того, как выполняется трассировка ПП. В данной части статьи мы скорее всего разберемся только с подготовкой к трассировке: найдём небольшую схему для примера в каком-нибудь старом журнале, определимся с компонентной базой и начнем делать заготовки в P-CAD. Поехали.

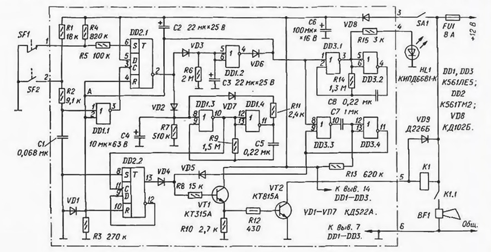
Давайте найдем какую-нибудь простенькую схемку на примере которой я Вам смогу всё понятно и доступно объяснить. Заглянем в архив журнала Радио и поищем там что-нибудь интересное. Например в номере четвертом за 2000 год я нашел вот такую несложную принципиальную схемку (обратите внимание как она называется):

Рисунок 1 – Схема принципиальная устройства «Простой автомобильный сторож» (Журнал «Радио» №10 за 2000 год, страница 33, URL: https://archive.radio.ru/web/2000/10/032/ , Дата обращения: 17.03.2024г.)
Рисунок 1 – Схема принципиальная устройства «Простой автомобильный сторож» (Журнал «Радио» №10 за 2000 год, страница 33, URL: https://archive.radio.ru/web/2000/10/032/ , Дата обращения: 17.03.2024г.)

Анализируем схему и саму статью (я это сделаю за Вас) и составляем перечень элементов:

Конденсаторы:

С1 – 68 нФ;

С2, С3 – 22 мкФ, 25В;

С4 – 10 мкФ, 63В;

С5, С8 – 220 нФ;

С6 – 100 мкФ, 16 В;

С7 – 1 мкФ;

Установочные изделия:

BF1 – ES626 (на плате только выводы для подключения смонтированного на провод разъема);

Микросхемы:

DD1, DD3 – К561ЛЕ5;

DD2 – К561ТМ2;

Предохранители:

FU1 – 8 Ампер;

Светодиоды:

HL1 – КИПД66В1-К (по усмотрению можно заменить аналогом);

Реле:

К1 – в статье рекомендовано РЭС22, но давайте подумаем: реле это очень габаритное, в его составе очень много контактов на переключение («разводить» посадочное место замучаешься!), хотя нам нужна только одна пара. Быстродействия от данного компонента не требуется. Важно только, чтобы сопротивление обмотки катушки было в районе 175 Ом, коммутируемый ток был не менее 2 Ампер (наша сирена имеет мощность 15 Вт, при питании ее от источника 12 В нам потребуется максимум 15/12=1,25 А) и коммутируемым постоянным напряжением не менее 14-20 Вольт. Выберем реле NRP18-C12DH производства NCR;

Переключатели:

SA1 – любой движковый или клавишный переключатель;

SF1, SF2 – обычные кнопочные выключатели без фиксации;

Резисторы:

R1 – 18кОм, 0.125 Вт;

R2 – 9.1 кОм, 0.125Вт;

R3 – 270 кОм, 0.125 Вт;

R4 – 820 кОм, 0.125 Вт;

R5 – 100 кОм, 0.125 Вт;

R6 – 2 Мом, 0.125 Вт;

R7 – 510 кОм, 0.125 Вт;

R8 – 15 кОм, 0.125 Вт;

R9 – 1.5 Мом, 0.125 Вт;

R10 – 2.7 кОм, 0.125 Вт;

R11 – 2.4 кОм, 0.125 Вт;

R12 – 430 Ом, 0.5 Вт;

R13 – 620 кОм, 0.125 Вт;

R14 – 1.3 Мом, 0.125 Вт;

R15 – 3 кОм, 0.125 Вт;

Диоды:

VD1 – VD7 – КД521;

VD8 – КД102Б;

VD9 – Д226Б;

Транзисторы:

VT1 – KT315A;

VT2 – KT815A;

Для того, чтобы работать в P-CAD нам понадобятся библиотеки компонентов. И нет, вы не угадали, если подумали, что мы будем их скачивать из сети. Создавать библиотеки мы будем сами. У меня на компьютере они присутствуют и в немалом объеме, но чтобы показать Вам весь процесс я создам новую директорию на диске Dи уже в ней мы с Вами будем работать.

Рисунок 2 – Пустая папка
Рисунок 2 – Пустая папка

Есть два способа трассировки ПП. Сначала я покажу Вам самый популярный, а затем тот, которым пользуюсь я.

Открываем пакет P-CAD Library Executive:

Рисунок 3 – Окно P-CAD Library Executive
Рисунок 3 – Окно P-CAD Library Executive

У меня уже есть подключенные библиотеки, у вас окошко Source Browser будет пустым. Для того, чтобы создать новые библиотеки жмем в рабочей области этого окна правой кнопкой мыши и выбираем в выпадающем меню пункт «New Library Set». Появляется новый подраздел. Называем его также, как и недавно созданную папку:

Рисунок 4 – Создаем новый каталог библиотек
Рисунок 4 – Создаем новый каталог библиотек

Теперь не закрывая окна Source Browser в окне Library Executive выбираем пункт главного меню Library. В выпадающем меню выбираем пункт «New…».

Рисунок 5 – Создаем новую библиотеку
Рисунок 5 – Создаем новую библиотеку

В открывшемся окошке «Library New» находим нашу папку, которую мы создали специально для хранения библиотек. Переходим в нее. В строке «Имя файла» пишем «Резисторы». Начнем с них.

Рисунок 6 – Создаем новую библиотеку
Рисунок 6 – Создаем новую библиотеку

Жмём сохранить. Теперь в окне Source Browser жмем правой кнопкой мыши на наш каталог и из выпадающего списка выбираем пункт «Add Library»:

Рисунок 7 – Добавляем библиотеку в каталог
Рисунок 7 – Добавляем библиотеку в каталог

В открывшемся окошке «Open» находим нашу директорию, выбираем нашу созданную ранее библиотеку и жмём «Открыть»:

Рисунок 8 – Подключаем созданную ранее библиотеку к каталогу
Рисунок 8 – Подключаем созданную ранее библиотеку к каталогу

Теперь мы можем наблюдать в окошке Source Browser, что наш каталог «LIBRARY_PCAD» перестал быть пустым.

Рисунок 9 – В каталоге появилась первая библиотека
Рисунок 9 – В каталоге появилась первая библиотека

Создадим аналогичным образом пустые библиотеки «Конденсаторы», «Микросхемы», «Разъемы», «Реле». Пока что этого нам должно хватить:

Рисунок 10 – Подключаем созданные библиотеки к каталогу
Рисунок 10 – Подключаем созданные библиотеки к каталогу

Закрываем Library Executive и открываем пакет P-CAD Symbol Editor:

Рисунок 11 – Окно P-CAD Symbol Editor
Рисунок 11 – Окно P-CAD Symbol Editor

Некоторые любят устанавливать темную тему при работе с данным окном. Для меня же удобнее работать на белой поверхности. Внизу окна в четвертом слева окошке (комбобокс «Grid Select») задаем расстояние между базовыми точками равным 1 (выделяем содержимое строки, жмем «1» и жмём Enter).

Рисунок 12 – Задаем параметры шага
Рисунок 12 – Задаем параметры шага

Зажимаем клавишу Ctrl и крутим колесиком мыши от себя, тем самым приближаем к себе рабочее поле. Зажимаем клавишу Ctrl и крутим колесиком мыши к себе – отдаляем участок рабочего поля (всё логично). Построим наш первый элемент (УГО элемента) – резистор. Для этого воспользуемся инструментом «Place Line»:

Рисунок 13 – Расположение инструмента Place Line на панели инструментов
Рисунок 13 – Расположение инструмента Place Line на панели инструментов

Сделать это очень просто: точки на рабочем поле – это узлы координатной сетки. Для того, чтобы начать построение фигуры нажимаем на одну из точек левой кнопкой мыши один раз. Выполнив клик по другой точке мы построим линию между этими точками. Чтобы завершить построение фигуры щелкаем правой кнопкой мыши. Размеры УГО резистора 10 мм на 4 мм. Строим прямоугольник 10 на 4:

Рисунок 14 – Заготовка УГО резистора
Рисунок 14 – Заготовка УГО резистора

Добавляем выводы. Для этого нажимаем левой кнопкой мыши на инструмент «Place Pin»:

Рисунок 15 – Расположение инструмента «Place Pin» на панели инструментов
Рисунок 15 – Расположение инструмента «Place Pin» на панели инструментов

При нажатии откроется вот такое окно:

Рисунок 16 – Окно Place Pin
Рисунок 16 – Окно Place Pin

В строках «Default Pin Name» и «Default Pin Des» указываем номер вывода (и туда, и туда вписываем единицу). В меню «Length» выбираем пункт «User» и в активированном edit-поле вписываем длину вывода (5mm):

Рисунок 17 – Изменения данных, которые необходимо внести в окне Place Pin
Рисунок 17 – Изменения данных, которые необходимо внести в окне Place Pin

Жмём ОК. Курсор теперь будет представлен в виде крестика, нажатие на одну из точек координатной сетки приведет к тому, что в данную точку будет установлен край вывода. Лучше всего при установке выводов удерживать левую кнопку мыши зажатой (как только отпустите, линия будет расположена). Если нужно развернуть вывод, то при нажатой левой кнопке мыши нажимаем кнопку Rна клавиатуре. Итак, располагаем выводы в УГО:

Рисунок 18 – УГО резистора в Symbol Editor
Рисунок 18 – УГО резистора в Symbol Editor

Сделаем номера выводов невидимыми. Для этого в меню инструментов переключаем курсор на «Select»(то есть на стрелочку):

Рисунок 19 – Переключаем тип курсора
Рисунок 19 – Переключаем тип курсора

Наводим мышь на первый вывод и выбираем его нажатием левой кнопки мыши. Он подсвечивается другим цветом (у меня желтым). Нажимаем правую кнопку мыши и в выпадающем меню выбираем пункт «Properties». Откроется такое окно:

Рисунок 20 – Окно Pin Properties
Рисунок 20 – Окно Pin Properties

Деактивируем "радиокнопки" у пунктов «Pin Name» и «Pin Des», жмём ОК. Повторяем эту же операцию для второго вывода. В результате получаем:

-21

Рисунок 21 - УГО резистора в Symbol Editor

Устанавливаем «точку привязки» на элемент, то есть помечаем ту точку, за которую потом будем передвигать наш компонент. Для этого выбираем инструмент «Place Ref Point» на панели инструментов и жмём на ту точку в рабочей области, где хотим разместить точку привязки. Я размещаю точку привязки на краешке левого вывода:

Рисунок 22 – Размещаем точку привязки
Рисунок 22 – Размещаем точку привязки

Теперь добавим к УГО надпись (обозначение на чертеже). Для этого в меню инструментов выбираем инструмент «Place Attribute»:

Рисунок 23 – Расположение инструмента Place Attribute на панели инструментов
Рисунок 23 – Расположение инструмента Place Attribute на панели инструментов

После выбора данного инструмента откроется следующее окно:

Рисунок 24 – Вид окна Place Attribute
Рисунок 24 – Вид окна Place Attribute

Для того, чтобы добавить обозначение к компоненту, в окне «Attribute Category» выбираем пункт «Component», а в окне «Name» пункт «Ref Des». Жмём ОК и располагаем заготовку обозначения на УГО так, как нам удобно.

Рисунок 25 – Добавляем обозначение
Рисунок 25 – Добавляем обозначение

Теперь сохраним наше УГО в библиотеке. Для этого жмём Symbol -> Save As. В открывшемся окошке жмём кнопку «Library» и находим библиотеку «Резисторы», которую создали ранее. Жмём «Открыть». Затем в edit-поле «Simbol» вводим название нашего элемента. Можно назвать его просто «Резистор». Жмём ОК. Если выскочит сообщение с предупреждением еще раз жмём ОК. Готово: УГО резистора добавлено в нашу библиотеку. Создаем таким же образом конденсатор и прикрепляем его к библиотеке «Конденсаторы». Напоминаю для тех, кто забыл: длина линий, обозначающих обкладки конденсатора – 8 мм, расстояние между этими линиями – 2 мм.

Рисунок 26 – УГО конденсатора в Symbol Editor
Рисунок 26 – УГО конденсатора в Symbol Editor

Теперь создадим образы микросхем. Некоторые разделяют компонент поблочно (DD1.1, DD1.2, DD1.3 и т.д. то есть, например, логическую микросхему изображают в виде отдельных элементов). С точки зрения построения схемы принципиальной это удобно. Что ж, поступим также. Сделаем заготовки УГО логических элементов. Начнем с элемента НЕ. Будем использовать отечественные графические обозначения. В основе УГО логического элемента здесь лежит прямоугольник со сторонами 10 и 15 мм. Строим его в Symbol Editor:

Рисунок 27 – Строим прямоугольник 10х15 в Symbol Editor
Рисунок 27 – Строим прямоугольник 10х15 в Symbol Editor

Расстояние между выводами рекомендуется делать равным 5 мм. Выводы – входы обычно располагают слева, выводы – выходы – справа. Расставляем выводы:

Рисунок 28 – Вставляем выводы
Рисунок 28 – Вставляем выводы

Добавим символьное обозначение. Для элемента НЕ оно заключается в установлении на выходе компонента кружочка (означает инверсию), а в левом верхнем углу – текстового обозначения в виде единицы (текстовое обозначение добавляется с помощью инструмента «Place Text». Найти его очень просто – он представлен в виде буквы А на панели инструментов). Построить кружок также несложно. Для этого мы можем воспользоваться инструментом «Place Arc». Данный инструмент позволяет строить дуги и окружности. Для того, чтобы построить окружность выбираем данный инструмент, наводим курсор на точку, которая будет лежать на расстоянии радиуса от центра будущей окружности, кликаем левой кнопкой мыши на эту точку. Затем переводим курсор на расстояние, равное радиусу окружности (в центр окружности) и снова нажимаем левую кнопку мыши. Готово: окружность построена.

Рисунок 29 – Добавляем к УГО символьные обозначения
Рисунок 29 – Добавляем к УГО символьные обозначения

Изменим длину выходного вывода на 4 мм и переместим его правее на 1 мм. Также подкорректируем правую сторону УГО компонента: уменьшим длину линии таким образом, чтобы она касалась окружности в ее нижней точке. Добавим линию сверху.

Рисунок 30 – Корректируем графическое обозначение
Рисунок 30 – Корректируем графическое обозначение

Добавляем к компоненту точку привязки и «Ref Des». Сохраняем наш элемент в библиотеке «Микросхемы» под именем «НЕ».

Теперь создадим УГО элемента И. Также как и для элемента НЕ сначала строим прямоугольник. У данного компонента два входа и один выход (если это не 3-И, 4-И, 6-И и т.д.). Символьное обозначение – амперсанд (устанавливается обычно в левом верхнем углу). Напоминаю также, что расстояние между соседними выводами рекомендуется делать равным 5 мм:

Рисунок 31 – Создаем УГО элемента И
Рисунок 31 – Создаем УГО элемента И

Добавляем Точку привязки и буквенно-цифровое обозначение. Сохраняем УГО в библиотеке «Микросхемы» под именем «И».

Графическое обозначение элемента ИЛИ отличается от УГО компонента И только символьным обозначением: вместо амперсанда нам нужно указать единицу. Делаем это, а затем пересохраняем УГО в библиотеке «Микросхемы» под именем ИЛИ:

Рисунок 32 – Корректируем и пересохраняем УГО
Рисунок 32 – Корректируем и пересохраняем УГО

Таким же образом из УГО элемента ИЛИ получаем графическое обозначение элемента «Исключающее ИЛИ» (проще говоря, элемента XORили сумматора по модулю два):

Рисунок 33 - Корректируем и пересохраняем УГО
Рисунок 33 - Корректируем и пересохраняем УГО

УГО элементов И-НЕ и ИЛИ-НЕ мы можем также не строить с нуля. Открываем графическое обозначение элемента НЕ, вносим в него обозначения и пересохраняем под нужным нам именем.

Обратите внимание: когда мы открываем сохраненный файл, P-CAD автоматически выставляет размер координатной сетки кратным 2.54 мм. Установить размер сетки кратным 1 мм и сместить обозначение в нужную нам точку простыми методами (то есть выделить элемент и перетянуть его в точку координатной сетки за точку привязки) не предствляется возможным. А значит и отредактировать элемент в таком случае не получится. Но! Сделать это всё-таки можно (и очень просто). Смотрите весь процесс:

Рисунок 34 - Корректируем УГО
Рисунок 34 - Корректируем УГО

Пересохраняем графическое обозначение под именем «ИЛИ-НЕ». Заменяем единицу в символьном обозначении элемента на амперсанд и пересохраняем УГО под именем «И-НЕ»:

Рисунок 35 - Корректируем и пересохраняем УГО
Рисунок 35 - Корректируем и пересохраняем УГО

Принцип построения, думаю у Вас затруднений не вызовет. Однако, давайте добавим еще в нашу библиотеку УГО триггер. Строим графическое обозначение синхронного D-триггера с динамическим управлением (именно такой тип применен в нашей схеме Рисунок 1):

Рисунок 36 – Создаем УГО D-триггера (шаг координатной сетки 0.5 мм)
Рисунок 36 – Создаем УГО D-триггера (шаг координатной сетки 0.5 мм)

Единственное, что на этом рисунке может быть Вам не понятно – это как получит «отрицание Q». Очень просто: так и пишем в окне Text Properties «~Q»:

Рисунок 37 – Текст с отрицанием
Рисунок 37 – Текст с отрицанием

Сохраняем элемент в библиотеке «Микросхемы» под именем «D_ТРИГГЕР_С_ДИН_УПР».

Создадим УГО еще нескольких электронного компонентов и перейдем к созданию посадочных мест и формированию полноценных компонентов. Создадим графическое обозначение диода:

Рисунок 38 – УГО диода (шаг координатной сетки 0.5 мм)
Рисунок 38 – УГО диода (шаг координатной сетки 0.5 мм)

Мы забыли создать библиотеки под диоды и транзисторы. Исправляем это:

Рисунок 39 – Создаем недостающие библиотеки в каталоге (Library -> New)
Рисунок 39 – Создаем недостающие библиотеки в каталоге (Library -> New)

Создадим теперь УГО биполярного корпусного NPNтранзистора:

Рисунок 40 – УГО биполярного NPN транзистора (разрешение координатной сетки 0.5 мм)
Рисунок 40 – УГО биполярного NPN транзистора (разрешение координатной сетки 0.5 мм)

Сохраняем обозначение в библиотеке «Транзисторы» под именем «БТ_NPN».

Создадим УГО для датчиков и реле. Делаем графическое обозначение ключей:

Рисунок 41 – УГО обыкновенного ключа
Рисунок 41 – УГО обыкновенного ключа
Рисунок 42 – Группа на переключение
Рисунок 42 – Группа на переключение

Создадим УГО обмотки реле:

Рисунок 43 – УГО обмотки реле
Рисунок 43 – УГО обмотки реле

С самым лёгким закончили. Теперь давайте разбираться из каких частей состоит печатный рисунок на плате. А состоять он может из дорожек, контактных площадок (они же КП – участки, на которых осуществляется монтаж компонентов) и печатных компонентов. О печатных компонентах говорить не будем. О дорожках поговорим, но позже. Сейчас же рассмотрим какие бывают КП. Контактные площадки бывают разные: для поверхностного монтажа и для монтажа в отверстие. Если Вы делаете ПП для какой-либо работы (курсовой или дипломной), то при разработке печатного рисунка Вам придется следовать ГОСТу Р53429-2009. Если же ПП делаете для себя, то в данном случае разработка печатного (некоторые еще добавляют сюда слово «проводящего») рисунка будет выполняться проще. Однако, предположу, что Вы делаете трассировку ПП для дипломной или другой учебной или квалификационной работы. Поэтому все наши действия подчиним стандартам.

Отсюда начинается наша основная работа.

Итак, первым делом мы должны определиться с компонентной базой. Делаем: копируем сюда наш список элементов и подбираем для них реальные электронные компоненты, которые можно приобрести (тоже реально, а не гипотетически). Заходим на сайт магазина радиодеталей, который есть в Вашем городе и смотрим что там есть подходящего. Если Вы – олигарх или в том случае, если Ваше изделие будет реализовано только на бумаге, то не заморачивайтесь и сразу заходите на «ЧИП и ДИП», он есть почти в каждом городе.

1. Конденсатор С1 – 68 нФ. Рабочее напряжение на схеме не указано. Тип – неполярный. Ёмкость маленькая. Можем выбрать в качестве него пленочный или керамический конденсатор. Лучше всего на эту роль подойдёт пленочный конденсатор:

Рисунок 44 – Карточка товара CBB210.068uF400V, Чип и Дип, URL: https://www.chipdip.ru/product0/9000447533 (Дата обращения:24.03.2024 г.)
Рисунок 44 – Карточка товара CBB210.068uF400V, Чип и Дип, URL: https://www.chipdip.ru/product0/9000447533 (Дата обращения:24.03.2024 г.)

Почему именно он? Всё просто: при разработке изделия мы должны учитывать не только габаритные и электрические параметры компонентов, но и их стоимость, удобство монтажа и доступность (то есть прежде чем включить что-то в перечень элементов мы должны задать себе ряд вопросов: «а смогу ли я вообще это где-нибудь купить?», «а долго я буду морочиться, припаивая эту штуку?» и, наверное, самое главное: «а ипотеку на электронные компоненты выдают?»).

2. Конденсаторы С2 и С3 – 22 мкФ, 25В (можно и больше, за это Вам никто голову не отрубит работу не отклонит). Конденсаторы полярные. Ёмкость – единицы микрофарад. Тут два варианта: алюминиевый электролит, либо тантал. Выберем электролитический алюминиевый конденсатор JRK1E220M02000500070000B в корпусе К50-35:

Рисунок 45 – Карточка товара JRK1E220M02000500070000B, Чип и Дип, URL: https://www.chipdip.ru/product0/3629 (Дата обращения: 24.03.2024 г.)
Рисунок 45 – Карточка товара JRK1E220M02000500070000B, Чип и Дип, URL: https://www.chipdip.ru/product0/3629 (Дата обращения: 24.03.2024 г.)

3. Конденсатор С4 – 10 мкФ, 63В. Полярный. Однозначно электролит (танталовый с такими электрическими параметрами будет стоить как всё наше устройство). Выбираем из того, что имеется в наличии в городе: конденсатор электролитический алюминиевый JRB1J100M02000500110000B в корпусе К50-35:

Рисунок 46 – Карточка товара JRB1J100M02000500110000B, Чип и Дип, URL: https://www.chipdip.ru/product0/9000565848 (Дата обращения: 24.03.2024 г.)
Рисунок 46 – Карточка товара JRB1J100M02000500110000B, Чип и Дип, URL: https://www.chipdip.ru/product0/9000565848 (Дата обращения: 24.03.2024 г.)

4. Конденсаторы С5, С8 – 220 нФ. Неполярный. Ёмкость – сотни нано Фарад. Однозначно плёночный (можно, конечно и SMD выбрать, но пусть уж все компоненты на нашей плате будут выводными). Находим подходящий: из присутствующих в наличии более чем в двух экземплярах есть только пленочный конденсатор китайского производства (как будто другие не в Китае производятся...) в корпусе К73-17.

Рисунок 47 – Карточка товара CBB210.22uF400V, Чип и Дип, URL: https://www.chipdip.ru/product/k73-17-0.22-mkf-400-v-5-10 (Дата обращения: 24.03.2024 г.)
Рисунок 47 – Карточка товара CBB210.22uF400V, Чип и Дип, URL: https://www.chipdip.ru/product/k73-17-0.22-mkf-400-v-5-10 (Дата обращения: 24.03.2024 г.)

5. Конденсатор С6 – 100 мкФ, 16 В. Полярный. Электролит. Ну этого добра везде полно, и я говорю сейчас не только о магазинах: возможно они есть и у Вас дома (как-нибудь организую статью или видеоролик о моих скромных запасах). Но не отвлекаемся, а снова идём на Чип и Дип. Двадцать секунд и мы находим конденсатор JRB1C101M02000500110000B:

Рисунок 48 – Карточка товара JRB1C101M02000500110000B, Чип и Дип, URL: https://www.chipdip.ru/product0/9000565888 (Дата обращения: 24.03.2024 г.)
Рисунок 48 – Карточка товара JRB1C101M02000500110000B, Чип и Дип, URL: https://www.chipdip.ru/product0/9000565888 (Дата обращения: 24.03.2024 г.)

6. Конденсатор С7 – 1 мкФ. Неполярный. Пусть будет плёночный. Рабочее напряжение? Любое (попробуйте найдите ниже 63 В не на заказ). Ищем. Находим:

Рисунок 49 – Карточка товара JRB1J010M02000500110000B, Чип и Дип, URL: https://www.chipdip.ru/product0/9000565818 (Дата обращения: 24.03.2024 г.)
Рисунок 49 – Карточка товара JRB1J010M02000500110000B, Чип и Дип, URL: https://www.chipdip.ru/product0/9000565818 (Дата обращения: 24.03.2024 г.)

С конденсаторами закончили. Переходим к резисторам. Все они у нас маломощные, более того, все на 0.125 Вт. А значит мы можем взять SMDрезисторы от 0805 и выше, либо использовать выводные компоненты. Используем выводные, потому как чип-резисторы нужного нам номинала не всегда есть в наличии.

1. Резистор R1 – 18кОм, от 0.125 Вт. В наличии компонентов с указанными параметрами нет, но имеется резистор на 18 кОм, мощностью 0.25 Вт и более. Его и используем:

Рисунок 50 – Карточка товара CF-25 (С1-4)0.25Вт18кОм, Чип и Дип, URL: https://www.chipdip.ru/product0/39768 (Дата обращения: 24.03.2024 г.)
Рисунок 50 – Карточка товара CF-25 (С1-4)0.25Вт18кОм, Чип и Дип, URL: https://www.chipdip.ru/product0/39768 (Дата обращения: 24.03.2024 г.)

2. Резистор R2 – 9.1 кОм, от 0.125Вт. Та же ситуация. В наличии имеются только резистор на 9.1 кОм, мощностью 0.25 Вт и более. Выбираем резистор с номинальной мощностью 250 мВт:

Рисунок 51 – Карточка товара CF-25 (С1-4)0.25Вт9.1кОм, Чип и Дип, URL: https://www.chipdip.ru/product0/28735 (Дата обращения: 24.03.2024 г.)
Рисунок 51 – Карточка товара CF-25 (С1-4)0.25Вт9.1кОм, Чип и Дип, URL: https://www.chipdip.ru/product0/28735 (Дата обращения: 24.03.2024 г.)

3. Резистор R3 – 270 кОм, от 0.125 Вт. На 1/8 Ватта снова в наличии ничего нет, но есть на 0.25 Вт:

Рисунок 52 – Карточка товара CF-25 (С1-4)0.25Вт270кОм, Чип и Дип, URL: https://www.chipdip.ru/product0/4180 (Дата обращения: 24.03.2024 г.)
Рисунок 52 – Карточка товара CF-25 (С1-4)0.25Вт270кОм, Чип и Дип, URL: https://www.chipdip.ru/product0/4180 (Дата обращения: 24.03.2024 г.)

4. Резистор R4 – 820 кОм, от 0.125 Вт. И вновь берем резистор на 0.25 Вт:

Рисунок 53 – Карточка товара CF-25 (С1-4)0.25Вт820кОм, Чип и Дип, URL: https://www.chipdip.ru/product0/33919 (Дата обращения: 24.03.2024 г.)
Рисунок 53 – Карточка товара CF-25 (С1-4)0.25Вт820кОм, Чип и Дип, URL: https://www.chipdip.ru/product0/33919 (Дата обращения: 24.03.2024 г.)

5. Резистор R5 – 100 кОм, от 0.125 Вт. Также, в наличии есть только резисторы с мощностью от 0.25Вт и выше. Выбираем резистор, подобный предыдущим:

Рисунок 54 - Карточка товара CF-25 (С1-4)0.25Вт100кОм, Чип и Дип, URL: https://www.chipdip.ru/product0/9549 (Дата обращения: 24.03.2024 г.)
Рисунок 54 - Карточка товара CF-25 (С1-4)0.25Вт100кОм, Чип и Дип, URL: https://www.chipdip.ru/product0/9549 (Дата обращения: 24.03.2024 г.)

6. Резистор R6 – 2 Мом, от 0.125 Вт. В наличии с мощностью меньше, чем 0.25 Вт, резисторов с требуемым сопротивлением нет. Снова берем на 0.25 Вт:

Рисунок 55 -  Карточка товара CF-25 (С1-4)0.25Вт2МОм, Чип и Дип, URL: https://www.chipdip.ru/product/cf-25-s1-4-0.25w-2-mom-5 (Дата обращения: 24.03.2024 г.)
Рисунок 55 - Карточка товара CF-25 (С1-4)0.25Вт2МОм, Чип и Дип, URL: https://www.chipdip.ru/product/cf-25-s1-4-0.25w-2-mom-5 (Дата обращения: 24.03.2024 г.)

7. Резистор R7 – 510 кОм, от 0.125 Вт. Думаю, что лучше просто прикреплю скрин:

Рисунок 56 - Карточка товара CF-25 (С1-4)0.25Вт510кОм, Чип и Дип, URL: https://www.chipdip.ru/product0/35256 (Дата обращения: 24.03.2024 г.)
Рисунок 56 - Карточка товара CF-25 (С1-4)0.25Вт510кОм, Чип и Дип, URL: https://www.chipdip.ru/product0/35256 (Дата обращения: 24.03.2024 г.)

8. Резистор R8 – 15 кОм, от 0.125 Вт. С мощностью 0.125 Вт опять только на заказ. Поэтому:

Рисунок 57 - Карточка товара CF-25 (С1-4)0.25Вт15кОм, Чип и Дип, URL: https://www.chipdip.ru/product0/62558 (Дата обращения: 24.03.2024 г.)
Рисунок 57 - Карточка товара CF-25 (С1-4)0.25Вт15кОм, Чип и Дип, URL: https://www.chipdip.ru/product0/62558 (Дата обращения: 24.03.2024 г.)

9. Резистор R9 – 1.5 Мом, от 0.125 Вт. И вновь выбираем резистор с мощностью 0.25 Вт:

Рисунок 58 - Карточка товара CF-25 (С1-4)0.25Вт1.5МОм, Чип и Дип, URL: https://www.chipdip.ru/product/cf-25-s1-4-0.25w-1.5-mom-5 (Дата обращения: 24.03.2024 г.)
Рисунок 58 - Карточка товара CF-25 (С1-4)0.25Вт1.5МОм, Чип и Дип, URL: https://www.chipdip.ru/product/cf-25-s1-4-0.25w-1.5-mom-5 (Дата обращения: 24.03.2024 г.)

10. Резистор R10 – 2.7 кОм, от 0.125 Вт. Увы, то же самое:

Рисунок 59 - Карточка товара CF-25 (С1-4)0.25Вт2.7кОм, Чип и Дип, URL: https://www.chipdip.ru/product0/48864 (Дата обращения: 24.03.2024 г.)
Рисунок 59 - Карточка товара CF-25 (С1-4)0.25Вт2.7кОм, Чип и Дип, URL: https://www.chipdip.ru/product0/48864 (Дата обращения: 24.03.2024 г.)

11. Резистор R11 – 2.4 кОм, от 0.125 Вт. Выбираем вновь из того, что есть в наличии:

Рисунок 60 - Карточка товара CF-25 (С1-4)0.25Вт2.4кОм, Чип и Дип, URL: https://www.chipdip.ru/product0/23454 (Дата обращения: 24.03.2024 г.)
Рисунок 60 - Карточка товара CF-25 (С1-4)0.25Вт2.4кОм, Чип и Дип, URL: https://www.chipdip.ru/product0/23454 (Дата обращения: 24.03.2024 г.)

12. Резистор R12 – 430 Ом, от 0.5 Вт.

Рисунок 61 - Карточка товара CF-25 (С1-4)0.5Вт430Ом, Чип и Дип, URL: https://www.chipdip.ru/product0/23847 (Дата обращения: 24.03.2024 г.)
Рисунок 61 - Карточка товара CF-25 (С1-4)0.5Вт430Ом, Чип и Дип, URL: https://www.chipdip.ru/product0/23847 (Дата обращения: 24.03.2024 г.)

13. Резистор R13 – 620 кОм, от 0.125 Вт. И вновь:

Рисунок 62 - Карточка товара CF-25 (С1-4)0.25Вт620кОм, Чип и Дип, URL: https://www.chipdip.ru/product0/23872 (Дата обращения: 24.03.2024 г.)
Рисунок 62 - Карточка товара CF-25 (С1-4)0.25Вт620кОм, Чип и Дип, URL: https://www.chipdip.ru/product0/23872 (Дата обращения: 24.03.2024 г.)

14. Резистор R14 – 1.3 Мом, от 0.125 Вт. В наличии ничего нет... Но: время доставки 5 дней.

Рисунок 63 - Карточка товара CF-25 (С1-4)0.25Вт1.3МОм, Чип и Дип, URL: https://www.chipdip.ru/product/cf-100-s1-4-1w-1.3-mom-5 (Дата обращения: 24.03.2024 г.)
Рисунок 63 - Карточка товара CF-25 (С1-4)0.25Вт1.3МОм, Чип и Дип, URL: https://www.chipdip.ru/product/cf-100-s1-4-1w-1.3-mom-5 (Дата обращения: 24.03.2024 г.)

15. Резистор R15 – 3 кОм, от 0.125 Вт. Как и ожидалось, в наличии есть только резисторы требуемого номинала с мощностью от 0.25 Вт:

Рисунок 64 - Карточка товара CF-25 (С1-4)0.25Вт3кОм, Чип и Дип, URL: https://www.chipdip.ru/product0/60281 (Дата обращения: 24.03.2024 г.)
Рисунок 64 - Карточка товара CF-25 (С1-4)0.25Вт3кОм, Чип и Дип, URL: https://www.chipdip.ru/product0/60281 (Дата обращения: 24.03.2024 г.)

Переходим к диодам:

1. Диоды VD1 – VD7 – КД521.

Рисунок 65 – Карточка товара КД521А, Чип и Дип, URL: https://www.chipdip.ru/product/kd521a (Дата обращения: 24.03.2024 г.)
Рисунок 65 – Карточка товара КД521А, Чип и Дип, URL: https://www.chipdip.ru/product/kd521a (Дата обращения: 24.03.2024 г.)

2.Диод VD8 – КД102Б.

Рисунок 66 – Карточка товара КД102Б, Чип и Дип, URL: https://www.chipdip.ru/product/kd102b (Дата обращения: 24.03.2024 г.)
Рисунок 66 – Карточка товара КД102Б, Чип и Дип, URL: https://www.chipdip.ru/product/kd102b (Дата обращения: 24.03.2024 г.)

3. Диод VD9 – Д226Б. Здесь лучше заменим компонент аналогом. Полных аналогов у компонента нет, но возможно использование вместо него диодов 1N4006 или 1N4007.

Рисунок 67 – Карточка товара 1N4006, Чип и Дип, URL: https://www.chipdip.ru/product/1n4006-2 (Дата обращения: 24.03.2024 г.)
Рисунок 67 – Карточка товара 1N4006, Чип и Дип, URL: https://www.chipdip.ru/product/1n4006-2 (Дата обращения: 24.03.2024 г.)

Переходим к выбору микросхем:

1. Микросхемы DD1, DD3 – К561ЛЕ5. Выбираем по наличию:

Рисунок 68 – Карточка товара К561ЛЕ5, Чип и Дип, URL: https://www.chipdip.ru/product/k561le5-2003-2005 (Дата обращения: 24.03.2024 г.)
Рисунок 68 – Карточка товара К561ЛЕ5, Чип и Дип, URL: https://www.chipdip.ru/product/k561le5-2003-2005 (Дата обращения: 24.03.2024 г.)

2. Микросхема DD2 – К561ТМ2.

Рисунок 69 – Карточка товара К561ТМ2, Чип и Дип, URL: https://www.chipdip.ru/product/k561tm2-2000-06 (Дата обращения: 24.03.2024 г.)
Рисунок 69 – Карточка товара К561ТМ2, Чип и Дип, URL: https://www.chipdip.ru/product/k561tm2-2000-06 (Дата обращения: 24.03.2024 г.)

Транзисторы:

1. Транзистор КТ315А:

Рисунок 70 – Карточка товара КТ315А, Чип и Дип, URL: https://www.chipdip.ru/product/kt315a (Дата обращения: 24.03.2024 г.)
Рисунок 70 – Карточка товара КТ315А, Чип и Дип, URL: https://www.chipdip.ru/product/kt315a (Дата обращения: 24.03.2024 г.)

2. Транзистор КТ815А:

Рисунок 71 – Карточка товара КТ815А, Чип и Дип, URL: https://www.chipdip.ru/product/kt815a-kremnij (Дата обращения: 24.03.2024 г.)
Рисунок 71 – Карточка товара КТ815А, Чип и Дип, URL: https://www.chipdip.ru/product/kt815a-kremnij (Дата обращения: 24.03.2024 г.)

Светодиоды:

1. Светодиод HL1 – КИПД66В1-К. Для данного компонента подбираем аналог. Номинальный ток – 10 мА, максимальное прямое напряжение – 2В, максимальное обратное напряжение – 3 В. По этим параметрам и ищем. Вполне подойдёт светодиод L53IT:

Рисунок 72 – Карточка товара L53IT, Чип и Дип, URL: https://www.chipdip.ru/product/l-53it (Дата обращения: 24.03.2024 г.)
Рисунок 72 – Карточка товара L53IT, Чип и Дип, URL: https://www.chipdip.ru/product/l-53it (Дата обращения: 24.03.2024 г.)

Переходим к поиску реле. Мы уже определились с тем, какой аналог рекомендуемого компонента будет применен в работе:

Рисунок 73 – Карточка компонента NRP18-C12DH, Чип и Дип, URL: https://www.chipdip.ru/product/nrp-18-c-12d-s-h (Дата обращения: 24.03.2024 г.)
Рисунок 73 – Карточка компонента NRP18-C12DH, Чип и Дип, URL: https://www.chipdip.ru/product/nrp-18-c-12d-s-h (Дата обращения: 24.03.2024 г.)

Переключатели:

1. В качестве SA1 выберем не кнопочный или движковый переключатель, как планировали ранее, а кое-что более надежное в плане защиты авто:

Рисунок 74 – Карточка компонента NP2-BG25, Чип и Дип, URL: https://www.chipdip.ru/product/np2-bg25 (Дата обращения: 24.03.2024 г.)
Рисунок 74 – Карточка компонента NP2-BG25, Чип и Дип, URL: https://www.chipdip.ru/product/np2-bg25 (Дата обращения: 24.03.2024 г.)

2. Переключатель SF1 – тип off-on. Подойдёт микропереключатель MSW-01A-10-S:

Рисунок 75 – Карточка товара MSW-01A-10-S, Чип и Дип, URL: https://www.chipdip.ru/product/msw-01a-10-s (Дата обращения: 24.03.2024 г.)
Рисунок 75 – Карточка товара MSW-01A-10-S, Чип и Дип, URL: https://www.chipdip.ru/product/msw-01a-10-s (Дата обращения: 24.03.2024 г.)

3. Переключатель SF2 – тип on-off. В качестве него выберем микропереключатель MSW-01A-20-S:

Рисунок 76 – Карточка товара MSW-01A-20-S, Чип и Дип, URL: https://www.chipdip.ru/product/msw-01a-20-s (Дата обращения: 24.03.2024 г.)
Рисунок 76 – Карточка товара MSW-01A-20-S, Чип и Дип, URL: https://www.chipdip.ru/product/msw-01a-20-s (Дата обращения: 24.03.2024 г.)

Для подключения переключателей к плате необходимо использовать разъемные соединители. Пусть это будут PLS-2(штырь на плату) и BLS-2(розетка на кабель):

Рисунок 77 – Карточка товара BLS-2, Чип и Дип, URL: https://www.chipdip.ru/product/bls-2 (Дата обращения: 24.03.2024 г.)
Рисунок 77 – Карточка товара BLS-2, Чип и Дип, URL: https://www.chipdip.ru/product/bls-2 (Дата обращения: 24.03.2024 г.)
Рисунок 78 – Карточка товара PLS-2, Чип и Дип, URL: https://www.chipdip.ru/product/pls-2 (Дата обращения: 24.03.2024 г.)
Рисунок 78 – Карточка товара PLS-2, Чип и Дип, URL: https://www.chipdip.ru/product/pls-2 (Дата обращения: 24.03.2024 г.)

Теперь, запомните: что бы Вы ни делали, всегда просчитывайте наперед свои шаги. Так как у нас имеются компоненты для монтажа на кабель, то нужен и сам кабель. Выберем для этой цели провод МГШВ с сечением проводника 1 мм:

Рисунок 79 – Карточка товара МГШВ 1.0 кв.мм (белый), Чип и Дип, URL: https://www.chipdip.ru/product/mgshv-1.0-kv.mm-belyj (Дата обращения: 24.03.2024 г.)
Рисунок 79 – Карточка товара МГШВ 1.0 кв.мм (белый), Чип и Дип, URL: https://www.chipdip.ru/product/mgshv-1.0-kv.mm-belyj (Дата обращения: 24.03.2024 г.)

Осталось подобрать предохранитель и держатель предохранителя (использовать держатель более удобно, так как для замены предохранителя не придется его выпаивать). Находим то, что нам нужно:

Рисунок 80 – Карточка товара FH-501-1, Чип и Дип, URL: https://www.chipdip.ru/product/fh-501-1 (Дата обращения: 24.03.2024 г.)
Рисунок 80 – Карточка товара FH-501-1, Чип и Дип, URL: https://www.chipdip.ru/product/fh-501-1 (Дата обращения: 24.03.2024 г.)

Ну и, разумеется, сам предохранитель. На 8 Ампер ничего в наличии нет, но на 7.5А автопредохранитель имеется (в данную схему вполне подойдёт):

Рисунок 81 – Карточка товара KLS5-269-008, Чип и Дип, URL: https://www.chipdip.ru/product/kls5-269-008 (Дата обращения: 24.03.2024 г.)
Рисунок 81 – Карточка товара KLS5-269-008, Чип и Дип, URL: https://www.chipdip.ru/product/kls5-269-008 (Дата обращения: 24.03.2024 г.)

Думаете, что разобрались со всем? Отнюдь. ПП будет выполнена на текстолите 1.5 мм марки FR-4 с толщиной слоя меди 18 мкм. С размером мы определимся позже. К «массе» изделие будет крепиться с помощью кольцевого наконечника:

Рисунок 82 – Карточка товара НКИ 2.5-5, Чип и Дип, URL: https://www.chipdip.ru/product/nki-2.5-5 (Дата обращения: 24.03.2024 г.)
Рисунок 82 – Карточка товара НКИ 2.5-5, Чип и Дип, URL: https://www.chipdip.ru/product/nki-2.5-5 (Дата обращения: 24.03.2024 г.)

Приступаем к конструкторскому расчету.

Начинается веселье: ищем даташиты на наши электронные компоненты (ну точнее я ищу, а вы смотрите).

1. Конденсаторы в корпусе К73-17:

Рисунок 83 – Параметры конденсаторов в корпусе К73-17, URL: https://static.chipdip.ru/lib/056/DOC000056460.pdf (Дата обращения: 25.03.2024 г.)
Рисунок 83 – Параметры конденсаторов в корпусе К73-17, URL: https://static.chipdip.ru/lib/056/DOC000056460.pdf (Дата обращения: 25.03.2024 г.)

2. Конденсаторы в корпусе К50-35:

Рисунок 84 – Параметры конденсаторов в корпусе К50-35, URL: https://static.chipdip.ru/lib/863/DOC018863811.pdf (Дата обращения: 25.03.2024 г.)
Рисунок 84 – Параметры конденсаторов в корпусе К50-35, URL: https://static.chipdip.ru/lib/863/DOC018863811.pdf (Дата обращения: 25.03.2024 г.)
Рисунок 85 - Параметры конденсаторов в корпусе К50-35 мини, URL: https://static.chipdip.ru/lib/649/DOC038649420.pdf (Дата обращения: 25.03.2024 г.)
Рисунок 85 - Параметры конденсаторов в корпусе К50-35 мини, URL: https://static.chipdip.ru/lib/649/DOC038649420.pdf (Дата обращения: 25.03.2024 г.)

3. Резисторы С1-4:

Рисунок 86 – Параметры резисторов С1-4, URL: https://static.chipdip.ru/lib/056/DOC000056035.pdf (Дата обращения: 25.03.2024 г.)
Рисунок 86 – Параметры резисторов С1-4, URL: https://static.chipdip.ru/lib/056/DOC000056035.pdf (Дата обращения: 25.03.2024 г.)

4. Диод КД521А.

Рисунок 87 – Параметры диода КД521А, URL:  https://static.chipdip.ru/lib/249/DOC000249247.pdf  (Дата обращения: 25.03.2024 г.)
Рисунок 87 – Параметры диода КД521А, URL: https://static.chipdip.ru/lib/249/DOC000249247.pdf (Дата обращения: 25.03.2024 г.)

5. Диод КД102Б.

Рисунок 88 – Параметры диода КД102Б, URL: https://static.chipdip.ru/lib/249/DOC000249206.pdf (Дата обращения: 25.03.2024 г.)
Рисунок 88 – Параметры диода КД102Б, URL: https://static.chipdip.ru/lib/249/DOC000249206.pdf (Дата обращения: 25.03.2024 г.)

6. Диод 1N6006.

Рисунок 89 – Параметры диоды 1N4006, URL: https://static.chipdip.ru/lib/007/DOC003007979.pdf (Дата обращения: 25.03.2024 г.)
Рисунок 89 – Параметры диоды 1N4006, URL: https://static.chipdip.ru/lib/007/DOC003007979.pdf (Дата обращения: 25.03.2024 г.)

7. Микросхемы К561ХХХ.

Рисунок 90 – Параметры микросхем К561ХХХ, URL: https://static.chipdip.ru/lib/031/DOC001031408.pdf (Дата обращения: 25.03.2024 г.)
Рисунок 90 – Параметры микросхем К561ХХХ, URL: https://static.chipdip.ru/lib/031/DOC001031408.pdf (Дата обращения: 25.03.2024 г.)

8. Транзистор КТ315А.

Рисунок 91 – Параметры корпуса транзистора КТ315А, URL: https://docs.yandex.ru/docs/view?tm=1711339487&tld=ru&lang=ru&name=kt315.pdf&text=кт315а%20характеристики&url=https%3A%2F%2Feandc.ru%2Fpdf%2Ftranzistor%2Fkt315.pdf&lr=66&mime=pdf&l10n=ru&sign=6b6a1cb2c0ac6964453390fa69ee9c12&keyno=0&nosw=1&serpParams=tm%3D1711339487%26tld%3Dru%26lang%3Dru%26name%3Dkt315.pdf%26text%3D%25D0%25BA%25D1%2582315%25D0%25B0%2B%25D1%2585%25D0%25B0%25D1%2580%25D0%25B0%25D0%25BA%25D1%2582%25D0%25B5%25D1%2580%25D0%25B8%25D1%2581%25D1%2582%25D0%25B8%25D0%25BA%25D0%25B8%26url%3Dhttps%253A%2F%2Feandc.ru%2Fpdf%2Ftranzistor%2Fkt315.pdf%26lr%3D66%26mime%3Dpdf%26l10n%3Dru%26sign%3D6b6a1cb2c0ac6964453390fa69ee9c12%26keyno%3D0%26nosw%3D1 (Дата обращения: 25.03.2024 г.)
Рисунок 91 – Параметры корпуса транзистора КТ315А, URL: https://docs.yandex.ru/docs/view?tm=1711339487&tld=ru&lang=ru&name=kt315.pdf&text=кт315а%20характеристики&url=https%3A%2F%2Feandc.ru%2Fpdf%2Ftranzistor%2Fkt315.pdf&lr=66&mime=pdf&l10n=ru&sign=6b6a1cb2c0ac6964453390fa69ee9c12&keyno=0&nosw=1&serpParams=tm%3D1711339487%26tld%3Dru%26lang%3Dru%26name%3Dkt315.pdf%26text%3D%25D0%25BA%25D1%2582315%25D0%25B0%2B%25D1%2585%25D0%25B0%25D1%2580%25D0%25B0%25D0%25BA%25D1%2582%25D0%25B5%25D1%2580%25D0%25B8%25D1%2581%25D1%2582%25D0%25B8%25D0%25BA%25D0%25B8%26url%3Dhttps%253A%2F%2Feandc.ru%2Fpdf%2Ftranzistor%2Fkt315.pdf%26lr%3D66%26mime%3Dpdf%26l10n%3Dru%26sign%3D6b6a1cb2c0ac6964453390fa69ee9c12%26keyno%3D0%26nosw%3D1 (Дата обращения: 25.03.2024 г.)

9. Транзистор КТ815А.

Рисунок 92 – Параметры корпуса ТО-126, URL: https://static.chipdip.ru/lib/366/DOC004366008.pdf (Дата обращения: 25.03.2024 г.)
Рисунок 92 – Параметры корпуса ТО-126, URL: https://static.chipdip.ru/lib/366/DOC004366008.pdf (Дата обращения: 25.03.2024 г.)

10. Реле NRP18-C12DH.

Рисунок 93 – Параметры корпуса реле NRP18-C12DH, URL: https://static.chipdip.ru/lib/399/DOC001399098.pdf (Дата обращения: 25.03.2024 г.)
Рисунок 93 – Параметры корпуса реле NRP18-C12DH, URL: https://static.chipdip.ru/lib/399/DOC001399098.pdf (Дата обращения: 25.03.2024 г.)

11. Штырь на плату PLS-2.

Рисунок 94 – Параметры компонента PLS-2, URL: https://static.chipdip.ru/lib/977/DOC005977245.pdf  (Дата обращения: 25.03.2024 г.)
Рисунок 94 – Параметры компонента PLS-2, URL: https://static.chipdip.ru/lib/977/DOC005977245.pdf (Дата обращения: 25.03.2024 г.)

На этом, пожалуй, первую часть статьи закончим. В следующей публикации мы выполним расчеты и создадим «посадочные места» компонентов в P-CAD. Возможно даже начнем трассировку ПП. Спасибо, что читаете. Удачи в учебе и труде!

Продолжение статьи здесь.

-95