Добавить в корзинуПозвонить
Найти в Дзене
Дача DIY

"Киберскважина". Часть 2: Принципиальная схема устройства

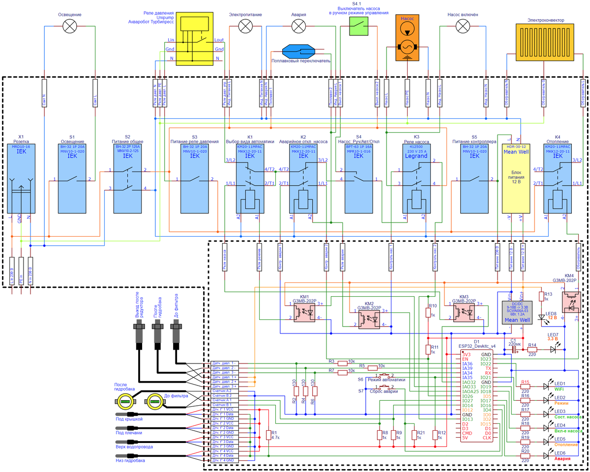
"Киберскважина" - серия статей о разработке DIY контроллера управления скважинным насосом и мониторинга состояния оборудования кессона с доступом по WiFi на базе микроконтроллера ESP32 под управлением умного дома Home Assistant. Файлы проекта доступны на GitHub. Для разработки принципиальных схем и печатных плат в домашних условиях я использую популярный бесплатный редактор EasyEDA. Есть как web-версия этого редактора, так и десктопное приложение, я пользуюсь вторым. Принципиальная схема контроллера и его обвязки получилась такая: Файл схемы в формате json для импорта в EasyEDA Эскиз рисовал для себя, поэтому без красоты и соблюдения ЕСКД. Схема состоит из трёх основных частей. Первая - это низковольтная часть, непосредственно самодельный контроллер, который конструктивно будет выполнен в виде модуля на DIN-рейку: Вторая - высоковольтная часть. Это ряд коммутационных модульных устройств, размещённых рядом с контроллером на DIN-рейке в электрическом щитке: Третья часть - внешние устройс

"Киберскважина" - серия статей о разработке DIY контроллера управления скважинным насосом и мониторинга состояния оборудования кессона с доступом по WiFi на базе микроконтроллера ESP32 под управлением умного дома Home Assistant. Файлы проекта доступны на GitHub.

Для разработки принципиальных схем и печатных плат в домашних условиях я использую популярный бесплатный редактор EasyEDA. Есть как web-версия этого редактора, так и десктопное приложение, я пользуюсь вторым.

Принципиальная схема контроллера и его обвязки получилась такая:

Файл схемы в формате json для импорта в EasyEDA

Эскиз рисовал для себя, поэтому без красоты и соблюдения ЕСКД. Схема состоит из трёх основных частей.

Первая - это низковольтная часть, непосредственно самодельный контроллер, который конструктивно будет выполнен в виде модуля на DIN-рейку:

-2

Вторая - высоковольтная часть. Это ряд коммутационных модульных устройств, размещённых рядом с контроллером на DIN-рейке в электрическом щитке:

-3

Третья часть - внешние устройства. Это датчики, реле давления Unipump, освещение, отопление, поплавковый выключатель, сигнальные лампы на корпусе электрощитка, выключатель ручного управления насосом и сам насос:

-4

Назначение узлов и принцип действия


Высоковольтная часть

Вся схема будет собрана внутри электрощитка, который будет установлен прямо в кессоне, рядом со скважиной. Внешнее электропитание 230В подаётся в кессон подземным кабелем из домового (бытовочного) электрощитка, в котором эта цепь защищена своим автоматическим выключателем и УЗО, поэтому в щитке кессона никаких дополнительных устройств защиты не требуется.

Внешнее электропитание поступает на щитовую розетку X1, выключатель освещения кессона S1 и общий выключатель электропитания оборудования кессона S2:

-5

Розетка и освещение кессона общим выключателем S2 не обесточиваются, чтобы можно было подключать электроинструмент и обслуживать и ремонтировать обесточенное электрооборудование кессона. В целях повышения электробезопасности общий выключатель питания S2 я применил двухполюсный.

С помощью выключателя S3 подаётся электропитание на резервную (внешнюю) систему автоматики - реле давления Unipump Акваробот Турбипресс:

-6

Схема переключения между основной (внутренней) и резервной (внешней) системами автоматики не требует обесточивания этого реле, и выключатель S3 предусмотрен только для обесточивания линии питания при демонтаже и ремонте/замене реле давления Unipump.

Контактор К1 выполняет роль переключателя между системами автоматики - основной или резервной:

-7

Он коммутирует сигнал управления включением скважинного насоса. По умолчанию включена именно резервная система автоматики (на внешнем реле давления Unipump). Чтобы включилась основная система автоматики, контроллер должен подать управляющий сигнал на обмотку контактора К1 и держать его всегда включенным. Это сделано для повышения живучести системы в целом - в случае какой-либо неисправности самодельного контроллера он не сможет выдать управляющий сигнал, и водопровод автоматически перейдёт на резервную систему управления.

Помимо автоматического перехода на резервную систему автоматики предусмотрен также и принудительный ручной режим её включения. Для этого я применил не обычные контакторы, а контакторы с ручным управлением - модуль контактора имеет рычажок с фиксатором, с помощью которого можно зафиксировать одно из положений контактора, и наличие или отсутствие напряжения на обмотке контактора никак не будет влиять на его переключение:

-8

Ручное принудительное включение резервной системы автоматики может потребоваться, если вдруг самодельный контроллер не просто выйдет из строя, а начнёт "дурить", выдавая неадекватные сигналы управления на скважинный насос, а обесточивать его полностью по какой-либо причине не захочется (например, продолжать следить за показаниями датчиков или заниматься диагностикой неисправности).

Контактор К2 выполняет функцию аварийного отключения скважинного насоса в случае возникновения различных проблем. Он отключает не сам насос, а лишь прерывает сигнал управления включением насоса, сохраняя возможность ручного включения насоса во время наличия сигнала аварии. Параллельно обмотке контактора К2 подключена сигнальная лампа "Авария", выведенная на корпус электрощитка:

-9

Контактором К2 управляют одновременно два источника - самодельный контроллер и поплавковый выключатель ("лягушка"). Контроллер может сгенерировать сигнал аварии по множеству причин, заложенных в алгоритм его прошивки. Поплавковый включатель независимо от контроллера следит за затоплением кессона и отключает насос в случае повышения уровня воды в нём, даже если контроллер неисправен.

Конечно, затопление кессона может произойти не только водой из скважины, которую качает насос через повреждение в водопроводе, но и грунтовыми водами. В любом случае факт включения контактора К2 отслеживается контроллером через отдельную пару его контактов и будет сгенерировано уведомление об аварии. А уж разбираться что именно случилось придётся самостоятельно.

Переключатель S4 трёхпозиционный, с его помощью насос можно безусловно выключить или выбрать режим его управления - ручной или автоматический:

-10

В автоматическом режиме насос управляется активной системой автоматики (внутренней или внешней), а в ручном любая автоматика игнорируется, и насос включается только вручную с помощью клавишного выключателя S4.1, установленного вне электрощитка в удобном месте кессона так, чтобы им можно было воспользоваться как находясь внутри кессона, так и снаружи от него, открыв только крышку кессона.

Ручной режим управления может понадобиться, когда обе системы автоматики вышли из строя или требуется именно ручное включение насоса, независящее от давления в системе (например, прокачка скважины мимо фильтра и гидроаккумулятора).

Контактор К3 непосредственно управляет электропитанием скважинного насоса. Это самый ответственный и часто срабатывающий контактор в схеме, поэтому Legrand:

-11

Вторая пара его контактов используется в контроллере для обратной связи и косвенного отслеживания действительного состояния насоса. Факт выхода из строя самого насоса, когда электропитание на него подано, но воду он не качает, контроллер узнает тоже косвенно - по состоянию датчиков давления и расхода воды и по обратной связи от контактора К3. Параллельно питанию скважинного насоса подключена сигнальная лампа "Насос включён", выведенная на корпус электрощитка.

Выключатель S5 подаёт электропитание на самодельный контроллер. Нужен при демонтаже и ремонте контроллера. С его же помощью можно производить жёсткую перезагрузку контроллера на этапе отладки:

-12

Контактор К4 управляет электроконвектором, включая отопление в кессоне при риске замерзания воды в системе:

-13

Как я уже упоминал выше, на корпус электрощитка планируется вывести три сигнальные лампы - индикатор общего электропитания, индикатор аварии и индикатор включения насоса. Аналогичные индикаторы на корпусе самого контроллера не видны при закрытом щитке.

Низковольтная часть

Контроллер конструктивно будет выполнен в виде DIN-реечного модуля и размещён в электрощитке. Он будет получать электропитание 12 В от модульного блока питания MEAN WELL HDR-30-12. Внутри него будет установлен понижающий преобразователь на 3.3 В MEAN WELL SCWN06A-03.

Все внешние датчики, а также обмотки управляемых контакторов и их контактные группы обратной связи будут подключаться непосредственно к контроллеру через винтовые клеммники.

На корпусе контроллера планируется установить две кнопки и восемь индикаторов.

-14

Кнопка S6 "Режим автоматики" с притяжечным резистором R12 будет дублировать переключатель в интерфейсе умного дома для выбора основной или резервной системы автоматики. В случае неисправности сервера умного дома Home Assistant или отсутствия WiFi-связи переключиться на другую систему автоматики можно будет с помощью этой кнопки.

Кнопка S7 "Сброс аварии" с притяжечным резистором R21 также будет дублировать соответствующую кнопку в интерфейсе умного дома. Планируется только ручной сброс факта фиксации любой аварийной ситуации, чтобы не пропустить никакие кратковременные проблемы. По длительному нажатию на эту кнопку будет производиться сброс всех параметров контроллера к исходным ("заводским") значениям. Это не тоже самое, что перезагрузка по питанию, так как при такой перезагрузке все текущие параметры контроллера сохраняются в его энергонезависимой памяти.

Назначение индикаторов следующее:
LED1 - наличие связи с сервером умного дома Home Assistant по WiFi;
LED2 - текущая системы автоматики, основная или резервная;
LED3 - состояние контактора электропитания насоса;
LED4 - команда контроллера на включение контактора электропитания насоса;
LED5 - работа электроконвектора отопления;
LED6 - индикатор аварии;
LED7 - наличие питания 3.3 В;
LED8 - наличие питания 12 В.

Твёрдотельные реле КМ1-КМ4 управляются непосредственно с пинов ESP32 без дополнительных ключей и притяжек. Я это предварительно проверил на макетной плате и замерил потребляемый этими реле управляющий ток, он составил 4.3 мА. Максимально допустимый ток пина ESP32 - 12 мА.

Все четыре датчика температуры DS18B20 включены в параллель. Я не люблю применять такие датчики по схеме с паразитным питанием (когда у них всего два провода) и использую трёхпроводные датчики. На линии данных один общий подтяжечный резистор R1.

Датчики расхода воды (счётчики воды) внутри себя имеют обычный геркон на замыкание. С помощью подтяжек на резисторах R8 и R9 в разомкнутом состоянии они генерируют сигнал логической единицы, а в замкнутом - нуля. Герконы обычно имеют дребезг, который, скорее всего, потребуется обрабатывать программно при получении входного сигнала на микроконтроллере.

Датчики давления - единственные устройства в системе с электропитанием 12 В. В цепи их токовой петли включены резисторы R2, R4 и R6 номиналом 130 Ом. Опытным путём я установил, что АЦП микроконтроллера ESP32 менее шумны при работе с максимальным ослаблением входного сигнала - 11 dB. В этом режиме в соответствии с даташитом на ESP32 диапазон измеряемых входных напряжений АЦП составляет от 0 до 2.45 В. При максимальном паспортном токе датчика давления 20 мА расчётное значение резистора получается 122.5 Ом (2.45 В / 0.02 А = 122.5 Ом). Выбираем ближайший номинал из пятипроцентного ряда - 130 Ом, высокая точность тут не нужна.

Резисторы R3, R5 и R7 номиналом 10 кОм на входах АЦП оцифровки сигнала датчиков давления также подобраны опытным путём таким образом, чтобы максимально снизить амплитуду шумов и при этом не убить сигнал полностью.

Фильтрующий электролитический конденсатор С1 номиналом 220 мкФ в цепи питания микроконтроллера также позволил существенно снизить шумы АЦП. Других целей у этого конденсатора в данной схеме нет, микроконтроллер прекрасно работает и без него.

Обратная связь от контакторов К2 и К3 подаётся на микроконтроллер аналогично сигналам с датчиков расхода воды - через подтяжечные резисторы R10 и R11. Эти сигналы, вероятно, тоже будут иметь дребезг, который потребуется программно обработать.

_______________________________________

В целом принципиальная схема устройства проста и не имеет каких-то специфичных решений. Должно работать. Но это не точно.