Добавить в корзинуПозвонить
Найти в Дзене
Юркий техник

Самодельный датчик присутствия с модулем HLK-2410b

Собрал себе для подключения датчика присутствия HLK-LD2410b к лампам с цоколем E14 внешнее устройство т.к. внутрь ламп, как в лампы с цоколем Е27, оно не помещается. Для подключения к сети 220В использую семистор BT319 подключенный через оптопару MOC3063: Убрал из неё С1 и R9, думаю они будут лишними при моём использовании. Буду использовать; - Датчик присутствия HLK-LD2410b - Блок питания на 5В - Оптопару MOC3063 - Семистор BT139 - 2 резистора на 390 Ом - макетка - 3-х контактный клемник - Пластиковый корпус Собрал все за часок на макетке, вот что получилось: Модули легли бутербродом Датчик подключил к лампам за потолком, туда же поместил датчик. Нагрузкой являются две светодиодные лампы в цоколе Е14 по 7Вт каждая. Датчик отлично отрабатывает через пластиковый потолок, пришлось даже убавить чувствительность, снаружи ничего не видно.

Собрал себе для подключения датчика присутствия HLK-LD2410b к лампам с цоколем E14 внешнее устройство т.к. внутрь ламп, как в лампы с цоколем Е27, оно не помещается.

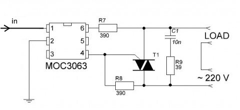
Для подключения к сети 220В использую семистор BT319 подключенный через оптопару MOC3063:

Схема подключения высоковольтной части
Схема подключения высоковольтной части

Убрал из неё С1 и R9, думаю они будут лишними при моём использовании.

Буду использовать;

- Датчик присутствия HLK-LD2410b

- Блок питания на 5В

- Оптопару MOC3063

- Семистор BT139

- 2 резистора на 390 Ом

- макетка

- 3-х контактный клемник

- Пластиковый корпус

Собрал все за часок на макетке, вот что получилось:

Вид сверху
Вид сверху
Вид снизу, со стороны датчика
Вид снизу, со стороны датчика

Модули легли бутербродом

Вид сбоку
Вид сбоку
Вид в корпусе
Вид в корпусе

Датчик подключил к лампам за потолком, туда же поместил датчик. Нагрузкой являются две светодиодные лампы в цоколе Е14 по 7Вт каждая. Датчик отлично отрабатывает через пластиковый потолок, пришлось даже убавить чувствительность, снаружи ничего не видно.