Найти в Дзене
Not_facebooked

Корректор коэффициента мощности: назад к пассивным ККМ! Часть 11.

В предыдущих статьях (части 9 и 10) был представлен авторский вариант активного корректора коэффициента мощности для сварочного инвертора. Но для какого, собственно говоря, инвертора? Стало понятно, что исходное "техзадание" было сформулировано не совсем корректно, не достаточно конкретно в части назначения предлагаемого активного ККМ. Фактически, предлагаемый АККМ может быть применен только во вновь разрабатываемом, изготавливаемом "с нуля" сварочном инверторе. Применить указанный АККМ в уже готовом, имеющемся у читателя инверторе не возможно из-за его высокого выходного напряжения, номинально +390В. Между тем, ККМ "общего применения" должен представлять собой самостоятельное изделие, подключаться между первичной сетью и промышленным/самодельным сварочным инвертором и обеспечивать выходное напряжение +300В во всем допустимом диапазоне напряжения первичной сети 230В/50Гц. Пассивные ККМ, к сожалению, не умеют стабилизировать сеть. При этом получить КПД>95% у АККМ весьма проблемат

В предыдущих статьях (части 9 и 10) был представлен авторский вариант активного корректора коэффициента мощности для сварочного инвертора. Но для какого, собственно говоря, инвертора? Стало понятно, что исходное "техзадание" было сформулировано не совсем корректно, не достаточно конкретно в части назначения предлагаемого активного ККМ. Фактически, предлагаемый АККМ может быть применен только во вновь разрабатываемом, изготавливаемом "с нуля" сварочном инверторе. Применить указанный АККМ в уже готовом, имеющемся у читателя инверторе не возможно из-за его высокого выходного напряжения, номинально +390В.

Между тем, ККМ "общего применения" должен представлять собой самостоятельное изделие, подключаться между первичной сетью и промышленным/самодельным сварочным инвертором и обеспечивать выходное напряжение +300В во всем допустимом диапазоне напряжения первичной сети 230В/50Гц. Пассивные ККМ, к сожалению, не умеют стабилизировать сеть. При этом получить КПД>95% у АККМ весьма проблематично, хотя и возможно. Выбор вариантов силовой части такого АККМ не велик: повышающе-понижающий конвертер с двумя ключевыми транзисторами (последовательно включенная понижающая и повышающая секция), SEPIC-, Cuk-, ZETA-конвертеры и повышающе-понижающий, инвертирующий однотранзисторный конвертер. Есть и другие топологии, но они из разряда необкатанной экзотики.

Первый из указанных вариантов требует сложного алгоритма управления ключами, кроме того не удалось найти промышленные интегральные ШИМ-контроллеры для такой топологии АККМ (в таком случае обычно используется либо микроконтроллер либо DSP), конвертер имеет более низкий КПД по сравнению с силовой частью на основе повышающего преобразователя (boost converter). Остальные виды конвертеров из перечня выше также проигрывают простому boost-конвертеру по совокупности силовых характеристик и требуют применения силовых транзисторов и диодов с обратным напряжением не менее 800В.

Эта невеселая ситуация заставила автора вновь обратиться к пассивным ККМ: еще раз рассмотреть существующие варианты. В результате был выбран в качестве наиболее перспективного кандидата вариант пассивного ККМ с фильтром-пробкой, настроенным на частоту третьей гармоники питающей сети (рис.1а).

Рис.1. Пассивный ККМ с фильтром-пробкой на 3-ю гармонику сетевой частоты.
Рис.1. Пассивный ККМ с фильтром-пробкой на 3-ю гармонику сетевой частоты.

Данный ККМ позволяет получить коэффициент мощности (далее - КМ) до 0,95 в узком диапазоне сопротивлений нагрузки, в режиме холостого хода (далее - ХХ) отсутствует циркуляция реактивной мощности через элементы фильтра-пробки, а также в режиме ХХ напряжение на выходе фильтра не превышает амплитудное значение сетевого напряжения. Такой ККМ имеет высокие надежность и КПД, который определяется только качеством использованных реактивных элементов. "Ложкой дегтя" является наличие неизбежного падения напряжения на фильтре-пробке, которое составило порядка 40В при моделировании подобного ККМ при мощности нагрузки 5кВт. Необходимо каким-либо образом скомпенсировать "недостачу" 40 Вольт на выходе ККМ для того, чтобы его можно было применить. Либо построить силовую часть "сварочника", рассчитанную на питание от +250 - +260В.

Это несложно сделать, добавив на выходе фильтра дополнительную "параллельную" емкость Cp, как показано на рис.1b. Величина емкости Cp подбирается такой, чтобы выходное напряжение ККМ при нагрузке 5кВт составляло 300В (можно получить напряжение и больше).

Но, решив одну проблему мы получаем взамен другую: на ХХ через модернизированный фильтр из-за емкости Cp теперь течет заметный реактивный ток, который приводит к циркуляции реактивной мощности через фильтр порядка 1000 ВАр. Полностью избавиться от реактивного тока нет возможности, но его можно снизить до приемлемых значений. Этого можно добиться с помощью дополнительной обмотки дросселя Lr [1]. На рис.2 показан простейший из вариантов подобного фильтра. За счет такого включения емкости Cp ток через нее снижается, напряжение на Cp повышается, необходимая емкость снижается, что приводит к снижению реактивного тока фильтра на ХХ.

Для расчета величин Cr и Lr использовалась методика, изложенная в [2] с последующей корректировкой при моделировании. Номинал Cp подбирался по достижению выходным напряжением значения +300В на нагрузке 20 Ом. Нагрузочный резистор 20 Ом эмулирует сварочный инвертор при токе 150А и КПД=0,95; нагрузка инвертора - штучный электрод. При таких условиях максимальная мощность нагрузки ККМ составит 4,5 кВт. Потери во входном выпрямителе и фильтре на модели не учитывались. Коэффициент мощности при моделировании также не учитывает эти активные потери.

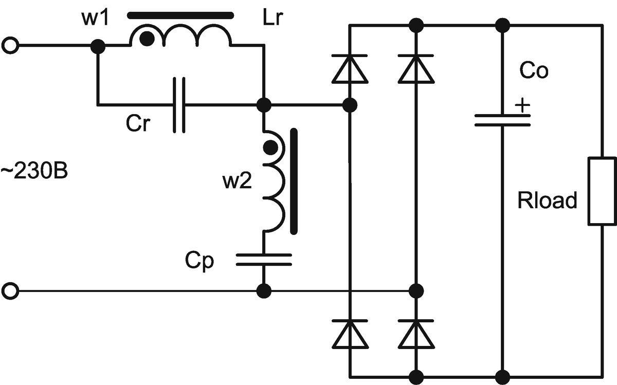
Рис. 2. Пассивный ККМ на основе фильтра-пробки и магнито-связанного дросселя.
Рис. 2. Пассивный ККМ на основе фильтра-пробки и магнито-связанного дросселя.

На рис. 3 показана модель пассивного ККМ, а на рис. 4 - "осциллограммы" токов и напряжений, иллюстрирующие работу устройства при нагрузке 20 Ом, мощности нагрузки 4500 Вт и напряжении первичной сети 230В, которое далее считается номинальным.

Рис. 3. Модель пассивного ККМ с магнито-связанным дросселем.
Рис. 3. Модель пассивного ККМ с магнито-связанным дросселем.
Рис. 4. "Осциллограммы" токов и напряжений ККМ на рис.3 при нагрузке 4500 Вт.
Рис. 4. "Осциллограммы" токов и напряжений ККМ на рис.3 при нагрузке 4500 Вт.

Резистор R6 100К выполняет роль нагрузки на ХХ. Аналогичные "осциллограммы в режиме ХХ показаны на рис. 5.

Рис. 5. "Осциллограммы" токов и напряжений ККМ на рис.3 в режиме холостого хода.
Рис. 5. "Осциллограммы" токов и напряжений ККМ на рис.3 в режиме холостого хода.

Короткий комментарий к рисункам №4 и 5. Номиналы Cr, Cp и Lr указаны на модели. Коэффициент трансформации двухобмоточного дросселя n=1. Рассматриваемый ККМ при напряжении питающей сети 230В эфф. обеспечивает на нагрузке 20 Ом напряжение 300В, мощность 4,5 кВт при КМ=0.95 при потребляемом от сети эффективном токе 20,62А. Амплитуда напряжения на Ср достигает 577В (при максимальной мощности в нагрузке - до 630В), что требует применения соответствующего конденсатора. В режиме ХХ напряжение на нагрузке устанавливается на уровне 354В, что можно считать хорошим результатом. При максимальном допустимом напряжении питающей сети 264В эфф. напряжение ХХ равно 406В, практически как у активного ККМ с силовой частью повышающего типа. При питании 230В эфф. и включении пассивного ККМ без токоограничивающего резистора выброс напряжения на нагрузке достигает 408В. Таким образом, наличие токоограничивающего резистора в составе подключаемого к ККМ сварочного инвертора (нагрузки вообще) обязательно. Реактивная мощность "потребляемая" ККМ на ХХ составляет 397 ВАр при потребляемом токе 1,73А, что можно считать допустимым компромиссом для ККМ такого типа.

На рис. 6 приведена нагрузочная характеристика данного ККМ. Можно отметить, что данный вариант пассивного ККМ обеспечивает КМ не менее 0,90 в диапазоне нагрузок от 13 до 40 Ом, что соответствует диапазону сварочного тока Iweld примерно от 150 до 75 Ампер. В нашем случае максимальный сварочный ток задан равным 150А и нагрузки меньше 20 Ом не рассматриваются как рабочие.

Рис. 6. Нагрузочная характеристика пассивного ККМ с двухобмоточным дросселем. Обозначения: Vн - напряжение на нагрузке, КМ - коэффициент мощности, Рн - мощность на нагрузке. Напряжение питания 230В.
Рис. 6. Нагрузочная характеристика пассивного ККМ с двухобмоточным дросселем. Обозначения: Vн - напряжение на нагрузке, КМ - коэффициент мощности, Рн - мощность на нагрузке. Напряжение питания 230В.

Можно отметить, что ККМ "не боится" короткого замыкания (КЗ): при нагрузке Rload=1 ом от первичной сети потребляется ток всего 36,08А. По совокупности своих характеристик, достоинств и недостатков, в принципе, такой ККМ может использоваться в практическом плане.

Теперь попробуем оценить что из себя будет представлять изучаемый ККМ в "железе". Основной элемент как по массо-габариту так и по стоимости - дроссель фильтра ККМ. В модели на рис. 3 использовался линейный магнитопровод, то есть идеальный. В следующем приближении был использован нелинейный магнитопровод с параметрами:

А=25, С=1m, Path=30,4 cm, Area=9 cm sq., K=25, MS=1,381E+006, GAP=1,4 cm. Параметры магнитопровода из электротехнической стали взяты из работы [3]. Средняя длина магнитной силовой линии и площадь поперечного сечения соответствуют магнитопроводу ПЛР21х45х85, который раньше применялся в трансформаторах ТС250. Магнитный зазор и количество витков в обмотках подбирались при моделировании до получения нагруженной индуктивности обмоток 18 мГн и разумного размаха индукции, который составил 1,25 Тл при Рн=4500 Вт. Эффективный ток основной обмотки I(Lr)=22,57A, I(Cr)=5,03A, I(Cp)=3,75A.

В результате сердечник ПЛР21х45х85 оказался формально минимально достаточным для дросселя при зазоре между половинами сердечника 7 мм и обмотками по 465 витков. Зададим плотность тока в обмотках 6А/мм кв., тогда основную обмотку нужно выполнить проводом диаметром 2,2 мм, а вспомогательную - 0,9 мм. расчетная длина провода обмотки составила 102 м. Тогда масса основной обмотки будет 3,42 кГ, вспомогательной - 0,57 кГ. Вес магнитопровода 1,86 кГ. С учетом веса двух каркасов и бандажа сердечника суммарный вес готового дросселя получается около 6 кГ. В качестве Cr и Cp можно попробовать самый доступный и недорогой вариант - пусковые конденсаторы, их общий вес ориентировочно не более 1 кГ. Еще необходимо отметить, что теоретически обмотки по 465 витков указанным выше проводом помещаются на каркасах сердечника ПЛР21х45х85, но совершенно впритык, без запаса, что означает, что при изготовлении реального дросселя на таком сердечники возможно не удастся обеспечить "теоретическую" плотность намотки и обмотки не поместятся. Поэтому лучше рассматривать в качестве сердечника дросселя следующий типоразмер магнитопровода, например, ПЛ25х50х80 или близкий с площадью поперечного сечения не менее 10 мм кв.

Теперь оценим экономику, то есть себестоимость ККМ при штучном производстве и приобретении необходимых материалов по розничным ценам. На момент написания статьи в наших краях килограмм медного обмоточного провода типа ПЭВ-1 или ПЭВ-2 стоит 2300 руб. Таким образом, обмотки дросселя обойдутся в 9200 руб. Магнитопровод приобретем в виде трансформатора ТС250 за 1000 руб. в состоянии б/у. Таким образом без конденсаторов и корпуса наш ККМ обойдется не менее чем в 10 000 руб. Многова-то... В той же местной рознице за 4290 руб. можно купить самый дешевый сварочный инвертор под штучный электрод под названием MTX MMA-180S, надо полагать, насквозь китайский. В диапазоне "до 10000 руб." набралось 37 (!!!) разных моделей сварочных инверторов. Надо признать, что все эти "сварочники" и без ККМ успешно отрабатывают свой функционал. Поэтому очевидно, что трудно найти человека, желающего заплатить порядка 10 000 руб. за ККМ, который при этом ничего принципиально нового в плане функционала ему не даст... Или как поется в известной песне: "Решайте сами - иметь или не иметь".

P.S.: после того, как был "перенастроен" движок Дзена и подправлены его алгоритмы обработки контента мой канал практически перестал показываться Дзеном. На сегодня я пишу практически в никуда. Дзен явно ориентируется на самый востребованный, массовый, ширпотребный контент, как и любое средство массовой информации. Похоже, надо делать выводы.

P.P.S: готов ответить на вопросы по теме "ККМ для сварочного инвертора" и выслушать критику, желательно доброжелательную.

Литература.

1. И. В. Волков, Ю. В. Маруня. Однофазно- трехфазные фильтры гармоник тока. Энергетика, энергосбережение, энергоаудит. Спец. выпуск Т.1, №8, с.241, 2013. https://www.researchgate.net/publication/339326358.

2. A.R. Prasad, P.D. Zlogas, S. Manlas. A NOVEL PASSIVE WAVESHAPING METHOD FOR SINGLE-PHASE DIODE RECTIFIERS. IEEE Transactions on Industrial Electronics, Volume: 37, Issue: 6, 1990. DOI: 10.1109/41.103457.

3. Ю. Зинин. Определение длины воздушного зазора в сердечнике для дросселей и трансформаторов. Компоненты и технологии, №5, с.82, 2009.