Найти в Дзене
PowerGood

Как работают электронные часы? Почему кварцевый резонатор для часов 32768 Гц?

В механических настенных/напольных часах мера отсчёта времени - это колебания механического маятника. Одно полное колебание маятника - одна секунда. Период колебаний маятника 1Гц. Зависимость механических/электрический колебаний от времени следующая: 1Гц=1/1с или, что одно и тоже 1Гц=с^-1. В механический наручных часах мера отсчёта времени - миниатюрный маятник колеблющийся на спиральной пружине с заданным периодом колебаний. Тогда что является мерой отсчёта времени в электронных часах? Сердцем кварцевых/электронным часов является кварцевый резонатор. Именно с его помощью идёт отсчёт секунд, минут и часов. Принцип работы кварцевого резонатора выходит за рамки этой статьи, и в русскоязычном интернете полно информации на тему. Скажу лишь только что кварцевый резонатор очень похож на камертон в микроминиатюре. Частота кварцевого резонатора электронных часов стандартизирована и равна 32768 Гц. И не менее интересен вопрос почему частота колебаний именно 32768 Гц? Ответ и очевиден и нет одн

В механических настенных/напольных часах мера отсчёта времени - это колебания механического маятника. Одно полное колебание маятника - одна секунда. Период колебаний маятника 1Гц. Зависимость механических/электрический колебаний от времени следующая:

1Гц=1/1с или, что одно и тоже 1Гц=с^-1.

В механический наручных часах мера отсчёта времени - миниатюрный маятник колеблющийся на спиральной пружине с заданным периодом колебаний.

Тогда что является мерой отсчёта времени в электронных часах?

Сердцем кварцевых/электронным часов является кварцевый резонатор. Именно с его помощью идёт отсчёт секунд, минут и часов. Принцип работы кварцевого резонатора выходит за рамки этой статьи, и в русскоязычном интернете полно информации на тему. Скажу лишь только что кварцевый резонатор очень похож на камертон в микроминиатюре.

Кварцевый резонатор электронных часов.
Кварцевый резонатор электронных часов.

Частота кварцевого резонатора электронных часов стандартизирована и равна 32768 Гц.

И не менее интересен вопрос почему частота колебаний именно 32768 Гц?

Ответ и очевиден и нет одновременно. Если часы электронные значит в них должна использоваться двоичная система счисления. Представим десятидневное число как 2 в степени: 2^15=32768. Таким образом, двоичный пятнадцати разрядный счётчик может даёт один импульс на выходе один раз в секунду если на его входе частоте сигнала на его входе 32768 Гц. Принцип работы двоичного пятнадцати разрядного счётчика выходят за рамки данной статьи.

Общее понятие о мере отсчёта электронных часов есть. Теперь осталось разобраться почему именно 32768 Гц. А что если взять 2 в степени 14:

2^14=16384 Гц.

16384 Гц попадает, в так называемый, слышимый диапазон звуковых частот. Ощущаться ухом такая частота будет как противный писк. Никому не хотелось бы чтобы часы пищали. Поэтому взяли ближайшую меньшую степень 2^15.

С нижней границей понятно, определились. А почему не взять для отсчёта времени кварцевый резонатор скажем на 1МГц? Ответ на этот вопрос и простой и нет. Да мы можем взять в качестве меры отсчёта времени резонаторы и на частотах находящихся в звуковом диапазоне (но это неудобно для человека) и на частотах больше 32768 Гц. Но для возбуждения возбуждения кварцевого генератора на высоких частотах потребуется больше энергии, и там где больше энергии там и больше сопутствующие потери энергии. И немаловажно что на этапе становления электронных часов кварцевые высокочастотные резонаторы имели большие габариты.

Таким образом граница снизу это слышимый звуковой диапазон, а граница сверху - большие энергозатраты на возбуждение кварца и сопутствующие потери. Поэтому и было принято именно ближайшая меньшая частота 2^15, чтобы часики работали долго от батарейки и при этом не пищали.

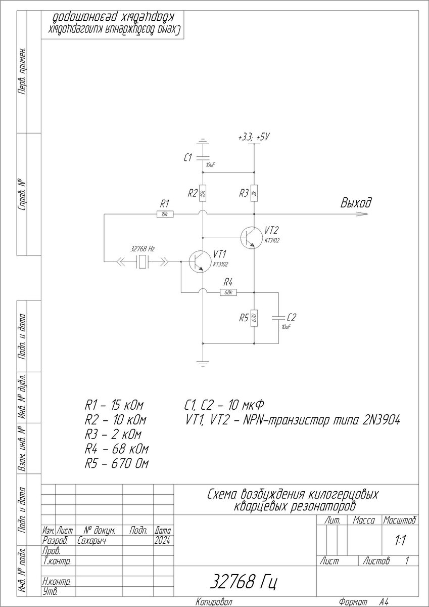
Далее нужен тестер для проверки резонаторов. Тестеры в мегагерцовых диапазонах есть у китайцев на АлиЭкспресс. А вот в килогерцовых диапазонах готовых тестеров нет. Пробороздив русскоязычные интернеты находим схему. Схему перерисовал в Компасе.

Принципиальная электрическая схема проверки кварцевых резонаторов в килогерцовом диапазоне.
Принципиальная электрическая схема проверки кварцевых резонаторов в килогерцовом диапазоне.

Пробуем её собрать на макетной платке и проверить.

Макетка собранная по схеме выше.
Макетка собранная по схеме выше.

На макетке собрал схему, выход подключил ко входу частотомера ESR-метра, и на осциллограф. Схема проверки часовых кварцевых резонаторов рабочая, картинка на экране красивая. Схема запускается как при питании от 3.3В так и от 5В.

Статья написана для самого себя, как записка на салфетке. Может быть будет кому-нибудь интересно...