Добавить в корзинуПозвонить
Найти в Дзене
Даст | DAST

Что такое бельепровод?

Бельепровод - это инновационный механизм, спроектированный для удобной и регулярной транспортировки белья по гравитационному принципу. Компания DAST предоставляет полный спектр услуг, включая проектирование, монтаж и обслуживание бельепроводов. Установка бельепровода от DAST позволяет значительно сократить операционные расходы за счет прямой транспортировки белья с этажей в прачечную, исключая необходимость в тележках и грузовых лифтах. Новейшие конструкции бельепроводов гарантируют безопасность использования и практически не требуют дополнительных затрат на обслуживание. Выбирая DAST, вы выбираете эффективное и инновационное решение для оптимизации вашего процесса обслуживания белья. ********************************************************
Мы проектно-инженерная компания DAST. Занимаемся проектированием, установкой и обслуживанием инженерных и климатических систем. Проводим бесплатные консультации! Также мы реализуем поставку оборудования и комплектующих по всей России.
Сайт компании:
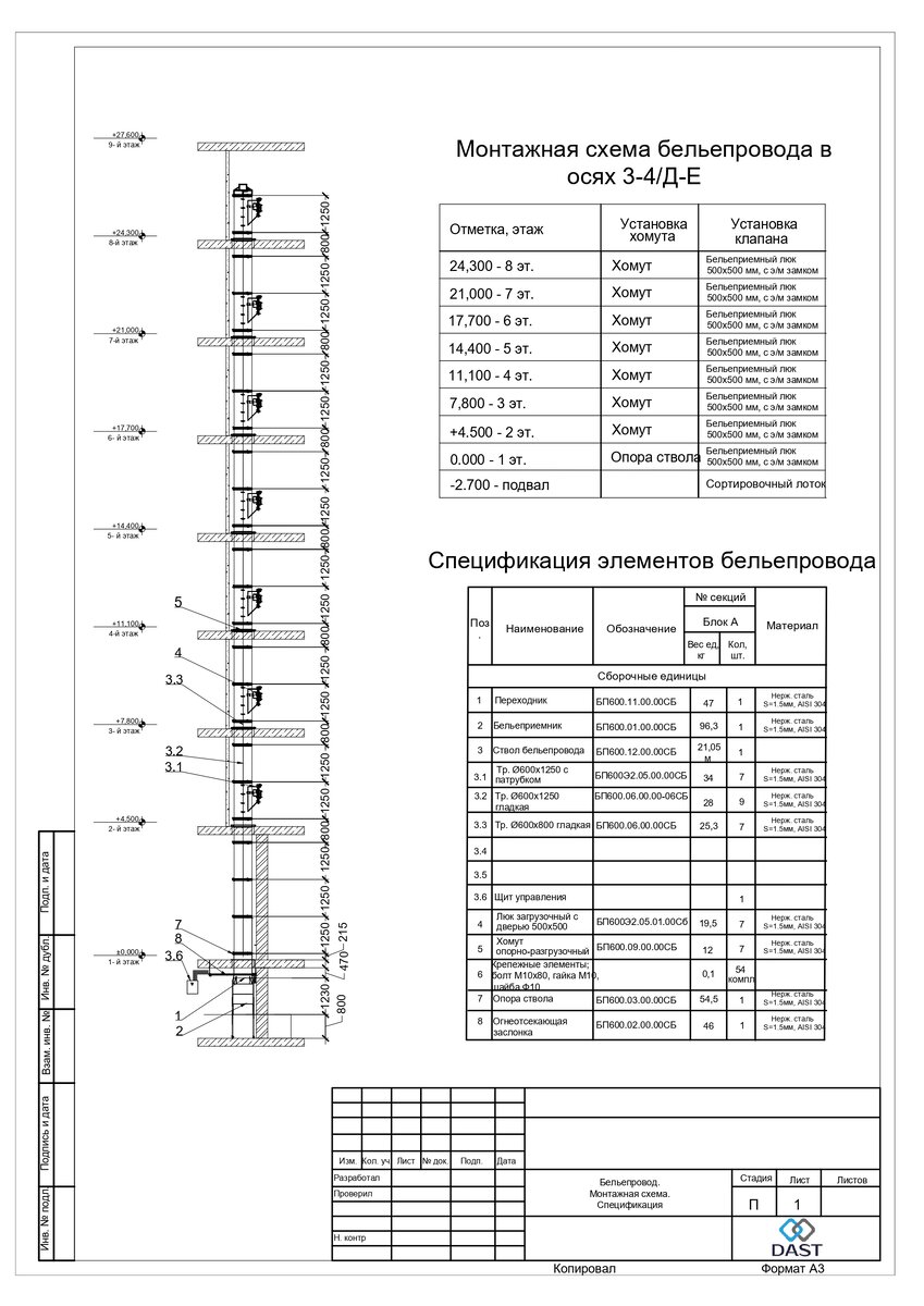
Проект бельепровода
Проект бельепровода

Бельепровод - это инновационный механизм, спроектированный для удобной и регулярной транспортировки белья по гравитационному принципу. Компания DAST предоставляет полный спектр услуг, включая проектирование, монтаж и обслуживание бельепроводов.

Установка бельепровода от DAST позволяет значительно сократить операционные расходы за счет прямой транспортировки белья с этажей в прачечную, исключая необходимость в тележках и грузовых лифтах. Новейшие конструкции бельепроводов гарантируют безопасность использования и практически не требуют дополнительных затрат на обслуживание.

Выбирая DAST, вы выбираете эффективное и инновационное решение для оптимизации вашего процесса обслуживания белья.

********************************************************
Мы проектно-инженерная компания DAST. Занимаемся проектированием, установкой и обслуживанием инженерных и климатических систем. Проводим бесплатные консультации! Также мы реализуем поставку оборудования и комплектующих по всей России.
Сайт компании:
https://dast.ru/.
Каталог:
https://dast.ru/catalog/.
Услуги:
https://dast.ru/services/montazh/.
Почта: info@dast.ru
*******************************************************
Спасибо за прочтение! Если вам понравился материал, то можете поставить лайк и подписаться на канал, чтобы не упустить новые статьи. Также будем рады комментариям и с удовольствием на них ответим!
Читайте также: