Добавить в корзинуПозвонить
Найти в Дзене
VAryaG

Кронштейн масляного фильтра - детали и узлы, момент затяжки 06F115397H

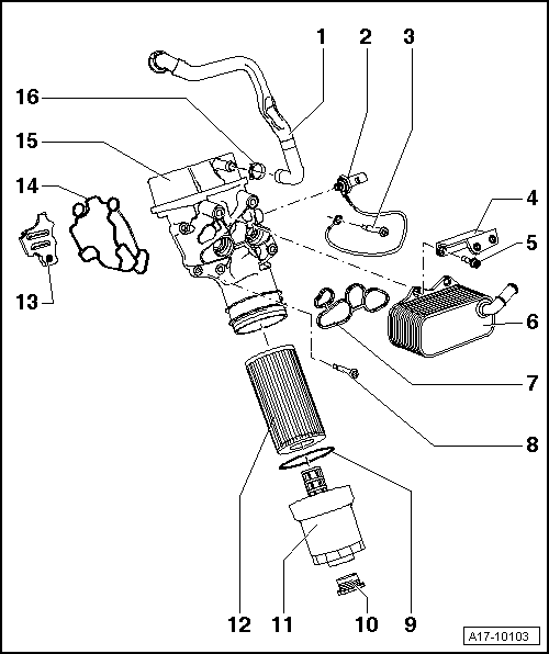
1 - Трубка ❏ вентиляции картера двигателя 2 - Датчик давления масла -F1- ❏ 1,4 бар, черный ❏ проверить → Глава ❏ Момент затяжки 21 Нм 3 - 15 Нм ❏ с проводом массы для датчика давления масла 4 - Кронштейн 5 - 15 Нм 6 - Масляный радиатор ❏ соблюдать указания → Глава ❏ проверить отсутствие соприкосновения с расположенными рядом узлами ❏ Схема подключения шлангов системы охлаждения → Глава ❏ снять и установить → Глава 7 - Прокладка ❏ заменить 8 - 15 Нм 9 - Уплотнительное кольцо ❏ заменить ❏ слегка смазать ❏ монтажное положение → Илл. 10 - Резьбовая пробка 11 - Корпус масляного фильтра ❏ снятие и установка с помощью ключа для масляных фильтров -3417- или насадки на 36, например, насадки 36 -T10125- ❏ Слить топливо из бака → Глава 12 - Элемент масляного фильтра ❏ Соблюдать интервалы замены → Выпуск803 13 - Маслоотделитель ❏ монтажное положение → Илл. 14 - Прокладка ❏ заменить 15 - Кронштейн масляного фильтра ❏ с редукционным клапаном, око

1 - Трубка

❏ вентиляции картера двигателя

2 - Датчик давления масла -F1-

❏ 1,4 бар, черный

❏ проверить → Глава

❏ Момент затяжки 21 Нм

3 - 15 Нм

❏ с проводом массы для датчика давления масла

4 - Кронштейн

5 - 15 Нм

6 - Масляный радиатор

❏ соблюдать указания → Глава

❏ проверить отсутствие соприкосновения с расположенными рядом узлами

❏ Схема подключения шлангов системы охлаждения → Глава

❏ снять и установить → Глава

7 - Прокладка

❏ заменить

8 - 15 Нм

9 - Уплотнительное кольцо

❏ заменить

❏ слегка смазать

❏ монтажное положение → Илл.

10 - Резьбовая пробка

11 - Корпус масляного фильтра

❏ снятие и установка с помощью ключа для масляных фильтров -3417- или насадки на 36, например, насадки 36 -T10125-

❏ Слить топливо из бака → Глава

12 - Элемент масляного фильтра

❏ Соблюдать интервалы замены

→ Выпуск803

13 - Маслоотделитель

❏ монтажное положение → Илл.

14 - Прокладка

❏ заменить

15 - Кронштейн масляного фильтра

❏ с редукционным клапаном, около 4 бар

❏ снять и установить → Глава

16 - Пружинный хомут

Монтажное положение успокоителя
Монтажное положение успокоителя
Монтажное положение уплотнительной манжеты
Учитывать положение сервисной метки на уплотнительной манжете -стрелка-.
Гладкая сторона должна быть обращена наружу.
Монтажное положение уплотнительной манжеты Учитывать положение сервисной метки на уплотнительной манжете -стрелка-. Гладкая сторона должна быть обращена наружу.