Найти в Дзене
Старый радио любитель

Приемник прямого усиления на КВ или AD8307 - заслуживает внимания.

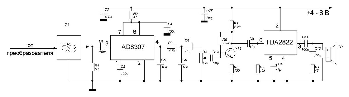
Наткнулся в кассетнице на маленькие микросхемки с восемью ножками. С трудом прочитал меленькие буковки: AD8307. Посмотрел в сети даташит и обрадовался. Это оказался логарифмический усилитель с усилением более 80 дБ, да еще и с детектором, да еще и с полосой 500 МГц. Применяется этот усилитель в различных приборах, но с такими параметрами и в приемнике его не грех использовать. По сути логарифмический усилитель эквивалентен усилителю с хорошей АРУ. А у AD8307 динамический диапазон, простирающийся примерно от –75 дБм (на сопротивлении 50 Ом синусоидальная амплитуда около ±56 мкВ) до +17 дБм (синусоидальная амплитуда ±2,2 В). Кроме таких уникальных параметров AD8307 требует минимальной обвязки, работает при напряжении от 2,7 до 5,5 В, потребляя ток около 7 мА. Я решил собрать простой приемник прямого усиления с этой микросхемой. В качестве УМЗЧ я взял уже готовую платку с микросхемой TDA2822, используя один канал. Получилась вот такая схема: Микросхема AD8307 была в корпусе SOIC, поэтому

Наткнулся в кассетнице на маленькие микросхемки с восемью ножками. С трудом прочитал меленькие буковки: AD8307. Посмотрел в сети даташит и обрадовался. Это оказался логарифмический усилитель с усилением более 80 дБ, да еще и с детектором, да еще и с полосой 500 МГц. Применяется этот усилитель в различных приборах, но с такими параметрами и в приемнике его не грех использовать.

По сути логарифмический усилитель эквивалентен усилителю с хорошей АРУ. А у AD8307 динамический диапазон, простирающийся примерно от –75 дБм (на сопротивлении 50 Ом синусоидальная амплитуда около ±56 мкВ) до +17 дБм (синусоидальная амплитуда ±2,2 В). Кроме таких уникальных параметров AD8307 требует минимальной обвязки, работает при напряжении от 2,7 до 5,5 В, потребляя ток около 7 мА.

Я решил собрать простой приемник прямого усиления с этой микросхемой. В качестве УМЗЧ я взял уже готовую платку с микросхемой TDA2822, используя один канал. Получилась вот такая схема:

Рис. 1.
Рис. 1.

Микросхема AD8307 была в корпусе SOIC, поэтому я использовал переходник на DIP. Собрал, попробовал - оказалось усиление по НЧ маловато. Поэтому я добавил каскад на аудио транзисторе 2SC1815, имеющего низкий уровень собственных шумов.

Рис. 2.
Рис. 2.

Вот все на монтажной плате.

Рис. 3.
Рис. 3.

Подключил питание (один Li-ion аккумулятор 4 В) и сразу в динамике появился шум и голоса, вещающие на разных языках. А это говорило о высокой чувствительности схемы. И я решил опробовать ее на КВ.

Взял стержень 150 ВН диаметром 10 мм, намотал контурную катушку проводом ПЭЛ 0,9 мм. Катушка связи - один виток проводника от витой пары. КПЕ - стандартный, от лампового приемника, 12 - 495 пФ.

Рис. 4.
Рис. 4.

Мне удалось выловить две станции, одна - на китайском языке, вторая - на английском, но тоже китайская. Эти станции я выловил в двух диапазонах. Включив генератор, и подключив к нему небольшую антенну. Оказалось, что это диапазоны 31 и 25 м.

Слышимость станций была превосходной, замирания практически не чувствовалось. Настройка на станции была острая. Ролик с видео выложу завтра.

Если к схеме на рис. 2 добавить пьезокерамический или кварцевый фильтр, то получится очень простой, высокочувствительный тракт ПЧ и НЧ для АМ приемника, малочувствительный к замираниям.

Рис. 5.
Рис. 5.

Конечно, с ПЧ, равной 455, 465 или 500 кГц получить высокую избирательность по зеркальному каналу на КВ получить затруднительно. Но станций-то в вещательных диапазонах мало, по сравнению с тем, что было раньше (эх, ностальгия !!!). Используя двойное преобразование (да и без него тоже) можно сделать приемник на авиадиапазон, чтобы слушать переговоры диспетчеров и пилотов. Для Москвы частоты можно взять здесь.

Вот такие идеи.

Всем здоровья и успехов!