Добавить в корзинуПозвонить
Найти в Дзене
НПП"Бинар"

Необходимость защиты электрических двигателей постоянного тока

Электрические двигатели постоянного тока, как и любые другие виды электрических машин, нуждаются в защите от различных негативных факторов, которые могут повлиять на их работу, срок службы и безопасность эксплуатации. Вот некоторые из причин, по которым необходима защита электрических двигателей постоянного тока: Для защиты от перегрузок нередко используют прибор СиЭЗ-ВБТ-П . Устройство предназначено для защиты любых электрических цепей и электродвигателей постоянного тока, а также для использования совместно с электродвигателем постоянного тока вместо концевых выключателей или для их дублирования. Основные технические характеристики : Схема подключения : Особенностью данного устройства является то, что устройство обеспечивает гальваническую развязку между цепью измерения тока и цепью управления, а также в случае применения вместо концевого выключателя не требует установки в рабочей зоне с неблагоприятными условиями и освобождает от необходимости проводить кабель к концевому выкл

Электрические двигатели постоянного тока, как и любые другие виды электрических машин, нуждаются в защите от различных негативных факторов, которые могут повлиять на их работу, срок службы и безопасность эксплуатации. Вот некоторые из причин, по которым необходима защита электрических двигателей постоянного тока:

  1. Перегрузка: Длительная работа двигателя при превышении номинальной нагрузки может привести к перегреву, снижению КПД и ускоренному износу механических частей. Чтобы предотвратить перегрузку, необходимо использовать устройства защиты от перегрузки, такие как реле или контроллеры тока.
  2. Короткое замыкание: Короткое замыкание в обмотках двигателя или проводке может вызвать большие токи, способные повредить изоляцию и вызвать пожар.
  3. Перенапряжение: Высокое напряжение может повредить изоляцию обмоток двигателя и привести к пробою или короткому замыканию.
  4. Недостаточное напряжение: Недостаток напряжения может привести к снижению скорости вращения двигателя, его перегреву и возможному выходу из строя.

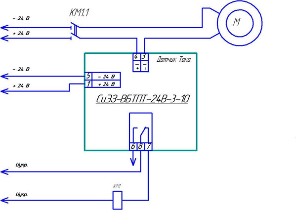
Для защиты от перегрузок нередко используют прибор СиЭЗ-ВБТ-П . Устройство предназначено для защиты любых электрических цепей и электродвигателей постоянного тока, а также для использования совместно с электродвигателем постоянного тока вместо концевых выключателей или для их дублирования.

Основные технические характеристики :

  1. Устройство обеспечивает отключение магнитного пускателя при увеличении тока электродвигателя свыше значения, установленного регулятором на передней панели устройства.
  2. В устройстве введена задержка срабатывания на время запуска двигателя 0,5-0,7 с для исключения ложных отключений.
  3. При уменьшении тока ниже установленного значения устройство переходит в исходное состояние с задержкой 0,2-0,3 с.
  4. Устройство предназначено для работы в цепи питания электродвигателей постоянного тока с номинальным (рабочим) током в диапазоне от 3 до 10 А (параметры могут быть изменены). При изменении температуры окружающей среды уход установленного уровня срабатывания устройства не превышает 10 %.
  5. Цепь датчика тока устройства гальванически изолирована от цепи питания.
  6. Сопротивление цепи датчика тока (+I, -I), без учёта сопротивления контактов — не более 0,005 Ом.
  7. Напряжение питания устройства – 24 В ± 10 % постоянного тока, ток потребления – не более 0,1 А (параметры могут быть изменены).
  8. Выходные контакты устройства обеспечивают коммутацию: постоянного напряжения 24 В, током не более – 5 А, переменного напряжения 240 В, током не более 5 А.
  9. Диапазон температуры окружающей среды -40 °С — +40 °С.
  10. Габаритные размеры, не более, – 35 х 80 х 90 мм.
  11. Масса, не более – 0,1 кг.

Схема подключения :

-2

Особенностью данного устройства является то, что устройство обеспечивает гальваническую развязку между цепью измерения тока и цепью управления, а также в случае применения вместо концевого выключателя не требует установки в рабочей зоне с неблагоприятными условиями и освобождает от необходимости проводить кабель к концевому выключателю в рабочую зону.

Устройство устанавливается непосредственно в щите управления и позволяет эффективно и надежно обеспечить отключение электрической цепи или электродвигателя, при достижении механизмом механического упора или превышения рабочей нагрузки электродвигателя или в электрической цепи.