Найти в Дзене

Проект "СКАЙ" одноэтажного дома до 200 м2 в стиле Райта с 4 спальнями, 2 ванными и гардеробными, постирочной, котельной и складом продуктов

Проект дома "рождён" полностью по ТЗ заказчика. Так планировка была полностью им разработана, я лишь "сгладил" углы. Конструктивно касаясь стен была проведена оптимизация с учётом планировки, т.е. мебелировки интерьера. Примеры внешнего вида мне также были продемонстрированы, поэтому всё реально было воплотить в проекте. Цветовая гамма - серая, смелая и модная. Отработаны цветовые нюансы на переходах гаммы. План дома много чего учитывает в комплексе, помимо кратной раскладки кирпича. Также в нашей концепции возможно подсветить тёмные места коридора - мансардными окнами, поэтому помимо отличного внешнего вида, заказчик обязан не испортить его дерзким интерьером, тем более уже заложены нерушимые его "точки". Как видно я изменил эту планировку процентов на 10. Предложил альтернативное мнение и оно было положительно оценено. Внутренние стены как и перегородки должны быть из "полнотелой глины", а наружка из "тёпло" керамики, керамоблоков 51 см с отделкой плиткой "логш-брик". Крыш
3D  Визуализация главного вида 1
3D Визуализация главного вида 1

Проект дома "рождён" полностью по ТЗ заказчика. Так планировка была полностью им разработана, я лишь "сгладил" углы. Конструктивно касаясь стен была проведена оптимизация с учётом планировки, т.е. мебелировки интерьера. Примеры внешнего вида мне также были продемонстрированы, поэтому всё реально было воплотить в проекте.

Цветовая гамма - серая, смелая и модная. Отработаны цветовые нюансы на переходах гаммы.

План дома много чего учитывает в комплексе, помимо кратной раскладки кирпича. Также в нашей концепции возможно подсветить тёмные места коридора - мансардными окнами, поэтому помимо отличного внешнего вида, заказчик обязан не испортить его дерзким интерьером, тем более уже заложены нерушимые его "точки".

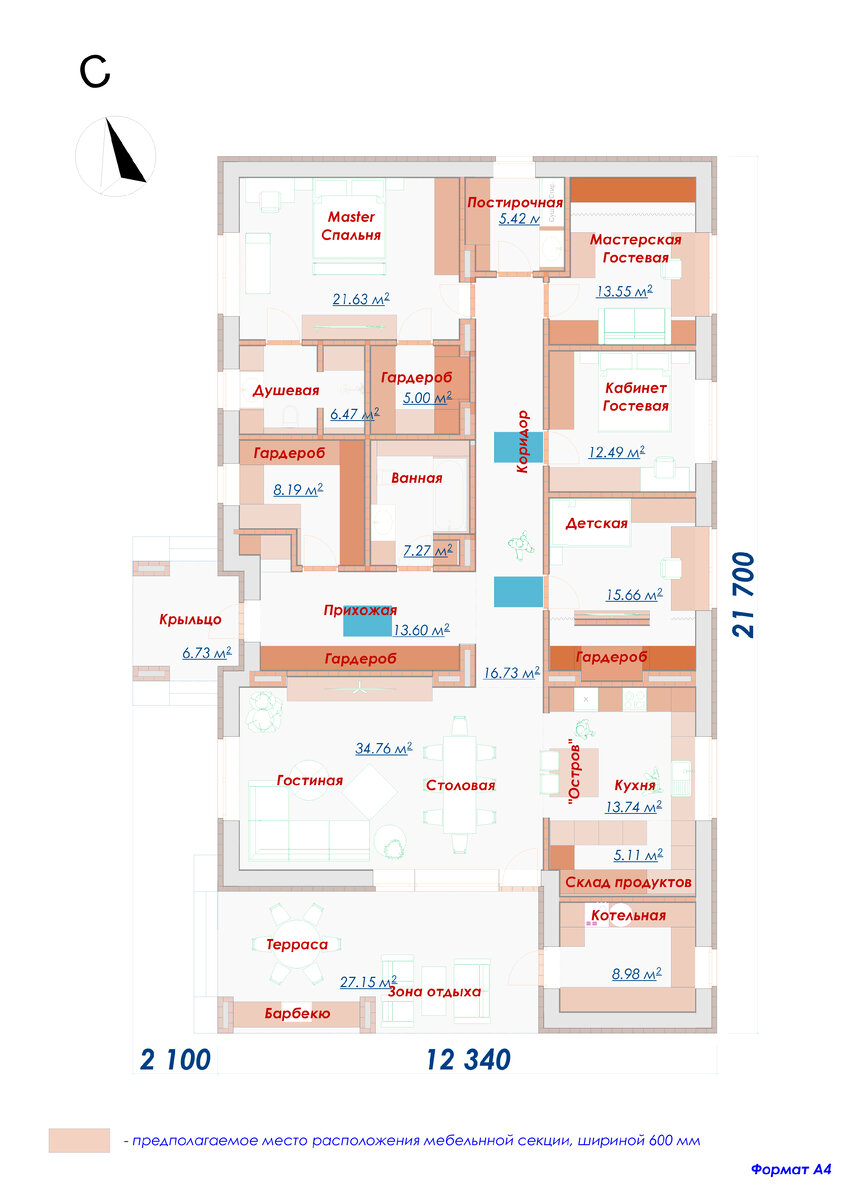
А вот с этой планировкой в виде концепции пришёл заказчик
А вот с этой планировкой в виде концепции пришёл заказчик

Как видно я изменил эту планировку процентов на 10. Предложил альтернативное мнение и оно было положительно оценено.

Внутренние стены как и перегородки должны быть из "полнотелой глины", а наружка из "тёпло" керамики, керамоблоков 51 см с отделкой плиткой "логш-брик". Крышу, "топлю" из ЦПЧ, пока что она мне больше по нраву.

Подсветил всё что можно было и что хотел, чтобы раскрылись все уголки дома и их текстура.

Если мои проекты по духу, то их можно приобретать практически бесплатно, не дороже денег на ОЗОНе (по ссылке переход в каталог магазина). Даже если не подойдут мои проекты, то очень много конкурентных (низких) цен от прочих компаний.