Добавить в корзинуПозвонить
Найти в Дзене
НПП"Бинар"

Необходимость защиты асинхронного электрического двигателя

Асинхронные электродвигатели – это наиболее распространенный тип двигателей, используемых в промышленности и быту. Они обладают рядом преимуществ, таких как простота конструкции, надежность и экономичность. Однако, для обеспечения долгосрочной и безопасной работы асинхронного двигателя, необходимо обеспечить его защиту от различных внешних воздействий. Одна из главных угроз для асинхронного двигателя – это перегрузка. Она может возникнуть из-за неправильного выбора мощности двигателя или увеличения нагрузки на него. В результате перегрузки двигатель может перегреться и выйти из строя. Еще одна опасность для асинхронного двигателя – короткое замыкание. Оно может произойти из-за нарушения изоляции проводов или неправильной коммутации. Короткое замыкание вызывает резкое увеличение тока и может привести к повреждению двигателя. Также асинхронный двигатель может быть поврежден из-за обрыва фазы или повышенного напряжения в сети. Кроме того, необходимо учитывать механические нагрузки на двиг

Асинхронные электродвигатели – это наиболее распространенный тип двигателей, используемых в промышленности и быту. Они обладают рядом преимуществ, таких как простота конструкции, надежность и экономичность. Однако, для обеспечения долгосрочной и безопасной работы асинхронного двигателя, необходимо обеспечить его защиту от различных внешних воздействий.

Одна из главных угроз для асинхронного двигателя – это перегрузка. Она может возникнуть из-за неправильного выбора мощности двигателя или увеличения нагрузки на него. В результате перегрузки двигатель может перегреться и выйти из строя.

Еще одна опасность для асинхронного двигателя – короткое замыкание. Оно может произойти из-за нарушения изоляции проводов или неправильной коммутации. Короткое замыкание вызывает резкое увеличение тока и может привести к повреждению двигателя.

Также асинхронный двигатель может быть поврежден из-за обрыва фазы или повышенного напряжения в сети.

Кроме того, необходимо учитывать механические нагрузки на двигатель, такие как вибрации, удары и т.д.

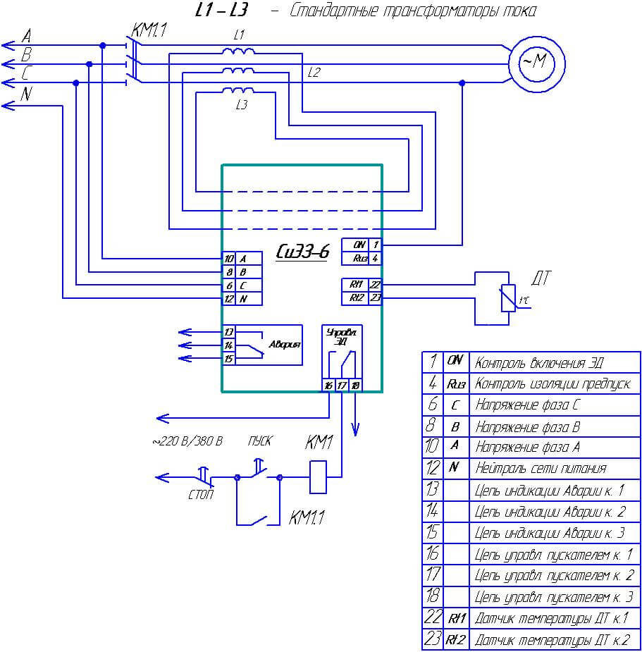
Одним из современных и эффективных приборов защиты является СиЭЗ-6

Устройство защиты электродвигателей СиЭЗ–6 предназначено для защиты 3-х фазных электродвигателей с номинальными (рабочими) токами 0,3 ÷ 999 А мощностью 0,2 ÷ 500 кВт (в диапазоне 0,2 ÷ 2,2 кВт с прямым включением, в диапазоне 2,2 ÷ 500 кВт с применением стандартных трансформаторов тока) по следующим параметрам аварийных режимов:

  • контроль наличия и чередования фаз электросети;
  • обрыв фазы;
  • перегрузки по току (заклинивание ротора, увеличение тока электродвигателя сверх номинального (рабочего) значения из-за электрических или технологических перегрузок);
  • предпусковой контроль сопротивления изоляции;
  • защита по минимальному току («Сухой ход», изменение нагрузки ниже минимальной);
  • перегрев электродвигателя.

Включается прибор по следующей схеме:

СиЭЗ-6 обеспечивает:

  • индикацию токов по трем или одной фазам по выбору;
  • цифровую установку номинального (рабочего) тока защиты;
  • индикацию вида аварии;
  • индикацию токов аварийных режимов при срабатывании защиты;
  • установку токо-временной характеристики защиты в зависимости от режимов работы электродвигателя и его технических характеристик

-3

  • установку времени задержки контроля токо-временной характеристики защиты на время пуска электродвигателя в зависимости от режимов работы электродвигателя и его технических характеристик;
  • цифровую установку тока защиты по минимальному току;
  • возможность включения и отключения необходимых параметров защит;
  • управление по релейному выходу пускателем электродвигателя;
  • подключение внешней индикации по релейному выходу аварийной сигнализации;
  • режим автоматической разблокировки устройства (снятие режима «Авария») при необходимости по истечении заданного времени.

Таким образом, защита асинхронного электродвигателя является важным аспектом его эксплуатации. Она позволяет продлить срок службы двигателя, предотвратить аварийные ситуации и обеспечивает безопасность персонала.