Найти в Дзене
Наука и техника

Боремся с грызунами с помощью ультразвука

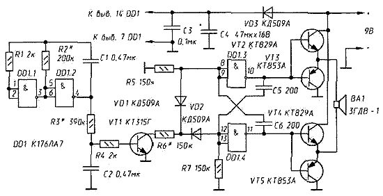
В поисках ультразвука, оказывающего отпугивающее воздействие на животных того или иного вида, нередко строят генераторы, так или иначе варьирующие частоту излучения. Принципиальная схема одного из таких генераторов показана на рисунке ниже. На элементах DD1.3, DD1.4, R5, R7, С5, С6 собран симметричный мультивибратор, частоту которого можно изменять в пределах 25...50 кГц. На эмиттерных повторителях (транзисторы VT2-VT5) собран усилитель мощности, к выходу которого подключен излучатель - высокочастотная динамическая головка ВА1. Частота возбуждения мультивибратора зависит не только от номиналов входящих в него резисторов и конденсаторов F=1/(R5·C6+R7·C5)), но и от состояния транзистора VT1. Частота возбуждения минимальна, если этот транзистор закрыт, максимальна, если открыт; она увеличивается от минимума до максимума по мере открывания VT1. Режим работы транзистора VT1 периодически изменяется. Этот период зависит от постоянной R2C1 T=2R2·Cl), задающей частоту возбуждения генератора,

В поисках ультразвука, оказывающего отпугивающее воздействие на животных того или иного вида, нередко строят генераторы, так или иначе варьирующие частоту излучения. Принципиальная схема одного из таких генераторов показана на рисунке ниже.

На элементах DD1.3, DD1.4, R5, R7, С5, С6 собран симметричный мультивибратор, частоту которого можно изменять в пределах 25...50 кГц. На эмиттерных повторителях (транзисторы VT2-VT5) собран усилитель мощности, к выходу которого подключен излучатель - высокочастотная динамическая головка ВА1.

Частота возбуждения мультивибратора зависит не только от номиналов входящих в него резисторов и конденсаторов F=1/(R5·C6+R7·C5)), но и от состояния транзистора VT1. Частота возбуждения минимальна, если этот транзистор закрыт, максимальна, если открыт; она увеличивается от минимума до максимума по мере открывания VT1.

Режим работы транзистора VT1 периодически изменяется. Этот период зависит от постоянной R2C1 T=2R2·Cl), задающей частоту возбуждения генератора, выполненного на элементах DD1.1 и DD1.2, и постоянной R3C2, преобразующей меандр выходного напряжения этого генератора в «трапецевидный» ток в базе транзистора VT1.

Таким образом промодулированный высокочастотный генератор будет излучать ультразвуковые колебания в диапазоне частот 25...50 кГц, пробегая его «туда и обратно» за 1/6... 1/9 с.

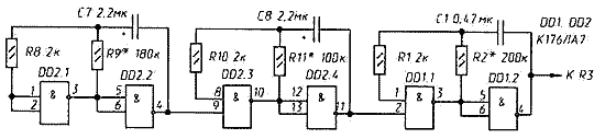
Полагая, что грызуны могут привыкнуть к такому упорядоченному излучению, автор предлагает еще один способ сканирования ультразвукового диапазона - тремя инфранизкочастотными генераторами с рассогласованными частотами.

-2

В устройстве могут быть использованы резисторы типа МЛТ-0,125. Конденсаторы С1-СЗ, С5 и С6 - любые керамический, С4 - любой оксидный. Диоды VD1-VD3 - кремниевые импульсные или высокочастотные. Транзистор VT1 - любой из КТ315. Составные транзисторы VT2 и VT4 могут быть любыми из КТ829 или КТ972, a VT3 и VT5 - из КТ853 или КТ973.

Динамическая головка ВА1 - малогабаритная ЗГДВ-1 или 6ГДВ-4. Могут оказаться пригодными и другие высокочастотные «пищалки», но в любом случае сопротивление головки ВА1 должно быть не менее 4 Ом.

При напряжении источника питания 9 В и 8-омной нагрузке ток, потребляемый устройством, не превышает 0,5 А.

В устройстве может потребоваться лишь уточнить диапазон частот ультразвукового и частоты инфранизкочастотных генераторов. Это можно сделать по осциллографу или «на слух», предварительно понизив в 5-6 раз частоту ультразвукового мультивибратора - подключив, например, параллельно конденсаторам С5 и С6 конденсаторы емкостью по 1000 пФ.