Найти в Дзене
PRACTICAL ELECTRONICS

Зарядно-разрядный контроллер для АКБ

Радиолюбительство и Aliexpress Из-за изобилия разнообразных готовых электронных плат с Али, в сети всё чаще можно увидеть статьи на тему «как я сделал своими руками…». Составляет ли это конкуренцию радиолюбительству? Вопрос не однозначный, и рассуждая о нём, сначала надо дать определение самому термину «радиолюбитель». Можно ли сделать какое-либо устройство дешевле чем купить на Али? Наверное, да, при условии, что комплектующие брать там же… Но дело не в дешевизне. Качество, заявленные характеристики, а иногда и намеренная дезинформация многих разочаровывает. Я совсем не хочу сказать «что всё китайское…», есть и достойные вещи. Но позиционируя себя как «электронщики» некоторые даже не представляют, как устроена схема на той или иной плате. А ведь большинство функционала этих схем давно описаны на страницах отечественной научно-популярной литературы. Зная, как устроена схема, из чего состоит, её всегда можно модернизировать, переделать, объединить с другой и т.д. В статье представлена с
Оглавление

Радиолюбительство и Aliexpress

Из-за изобилия разнообразных готовых электронных плат с Али, в сети всё чаще можно увидеть статьи на тему «как я сделал своими руками…». Составляет ли это конкуренцию радиолюбительству? Вопрос не однозначный, и рассуждая о нём, сначала надо дать определение самому термину «радиолюбитель».

Можно ли сделать какое-либо устройство дешевле чем купить на Али? Наверное, да, при условии, что комплектующие брать там же… Но дело не в дешевизне. Качество, заявленные характеристики, а иногда и намеренная дезинформация многих разочаровывает.

Я совсем не хочу сказать «что всё китайское…», есть и достойные вещи. Но позиционируя себя как «электронщики» некоторые даже не представляют, как устроена схема на той или иной плате. А ведь большинство функционала этих схем давно описаны на страницах отечественной научно-популярной литературы. Зная, как устроена схема, из чего состоит, её всегда можно модернизировать, переделать, объединить с другой и т.д.

В статье представлена схема контроллера для зарядного устройства, причём практически для аккумуляторов любого типа, напряжения и тока. С небольшими переделками контроллер подойдёт и для основы построения мощного ЗУ для автомобильных аккумуляторов.

Схема электрическая

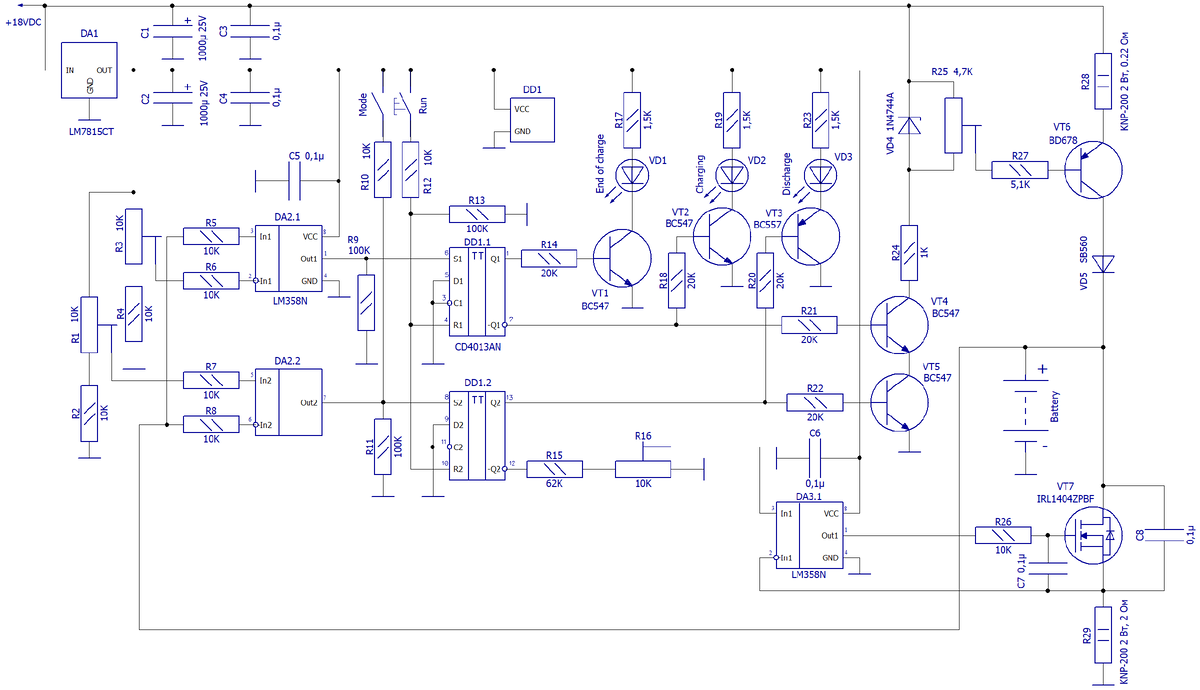
Схема электрическая принципиальная зарядно-разрядного контроллера для АКБ
Схема электрическая принципиальная зарядно-разрядного контроллера для АКБ

Параметры:

Диапазон напряжений: 1…15 В;
Ток заряда: 0…3 А;
Ток разряда: 200 мА…1 А.

Принцип работы

Схема функционально состоит из узлов: контроля и установки напряжения заряда, контроля и установки напряжения разряда, установки тока заряда, установки тока разряда.

Установка и контроль напряжения заряда

Опорное напряжение со стабилизатора DA1 15 В через делитель R3 сравнивается компаратором DA2.1 c напряжением на АКБ. Установка порога - R3. Как только напряжение на АКБ достигнет установленного уровня, DA2.1 переключит триггер DD1.1→закроется VT4→VT6→заряд окончен.

Установка и контроль напряжения разряда

Опорное напряжение со стабилизатора DA1 15 В через делитель R1 сравнивается компаратором DA2.2 c напряжением на АКБ. Установка порога - R1. При достижении порога переключится триггер DD1.2→откроется VT5→условие для работы узла заряда.

Пока уровень напряжения на АКБ не упал до установленного триггер DD1.2 запускает цепь разряда АКБ стабилизированным током. Установка тока разряда - R16. Ток стабилизирован в установленном режиме т.к. DA3.1 будет поддерживать равенство напряжений на резисторах R16 и R29.

Установка тока заряда производится опорным напряжением со стабилитрона VD4 подстроечным резистором R25 с источником тока на VT4, VT5.

Запуск в работу схемы производят кратковременным нажатием кнопки «Run»→на инверсных выходах триггеров высокий уровень. Если режим разряда не нужен, его блокируют переключателем «Mode».

Конструкция

Печатная плата для схемы зарядно-разрядного контроллера для АКБ
Печатная плата для схемы зарядно-разрядного контроллера для АКБ

Печатная плата односторонняя, из фольгированного стеклотекстолита. Схема контроллера рассчитывалась для входного напряжения в диапазоне 18…20 В. Выходные транзисторы применены: BD678 - составной (дарлингтона) в цепи заряда, и в разрядной цепи - n-mosfet IRL1404ZPBF. Для этих транзисторов должен быть предусмотрен теплоотвод. Разделяющий диод VD5 - Шотки.

Настройка сводится к установке порогов напряжения и токов заряда - разряда соответствующими резисторами под конкретный АКБ.