Найти в Дзене
PRACTICAL ELECTRONICS

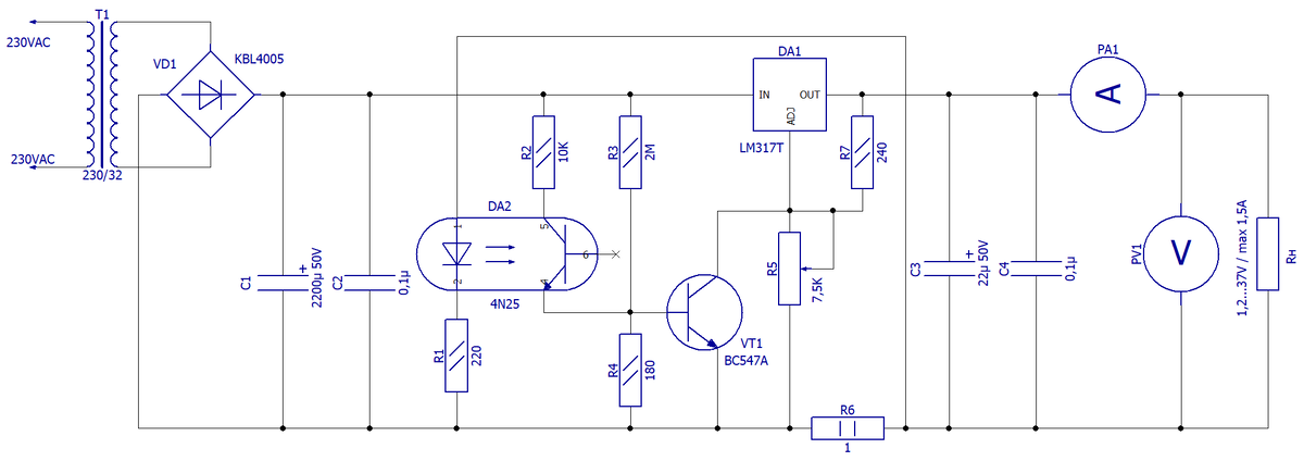
Блок питания LM317 с защитой от «КЗ»

Интегральные стабилизаторы В прошлом веке, в схематехнике маломощных регулируемых блоков питания, обычно применялся параметрический стабилизатор из стабилитрона и резистора, напряжение с которого снималось эмиттерным повторителем, а чтобы регулировать напряжение, параллельно стабилитрону подключали переменный резистор. Всё изменилось с появлением интегральных стабилизаторов напряжения, таких как LM7812, 7905 и т.п. Среди таких интегральных стабилизаторов были и те, которые обеспечивали регулируемый выход с минимальной обвязкой, состоящей из двух резисторов. Например, LM317T обеспечивает стабилизированное напряжение на выходе в пределах 1,2…37 В при токе 1,5 А. Т.е. одна LM-ка и считай готовый регулируемый блок питания. В этой статье рассмотрим схему регулируемого источника питания на LM317T, в котором применена небольшая доработка, позволяющая защитить нагрузку и саму микросхему от превышения предельно допустимого тока. Схема электрическая Принцип построения защиты на оптопаре Схема в
Оглавление

Интегральные стабилизаторы

В прошлом веке, в схематехнике маломощных регулируемых блоков питания, обычно применялся параметрический стабилизатор из стабилитрона и резистора, напряжение с которого снималось эмиттерным повторителем, а чтобы регулировать напряжение, параллельно стабилитрону подключали переменный резистор.

Всё изменилось с появлением интегральных стабилизаторов напряжения, таких как LM7812, 7905 и т.п. Среди таких интегральных стабилизаторов были и те, которые обеспечивали регулируемый выход с минимальной обвязкой, состоящей из двух резисторов. Например, LM317T обеспечивает стабилизированное напряжение на выходе в пределах 1,2…37 В при токе 1,5 А. Т.е. одна LM-ка и считай готовый регулируемый блок питания.

В этой статье рассмотрим схему регулируемого источника питания на LM317T, в котором применена небольшая доработка, позволяющая защитить нагрузку и саму микросхему от превышения предельно допустимого тока.

Схема электрическая

Схема электрическая принципиальная блока питания с защитой от «КЗ»
Схема электрическая принципиальная блока питания с защитой от «КЗ»

Принцип построения защиты на оптопаре

Схема включения является стандартной, поэтому рассмотрим лишь узел защиты.

В минусовой провод, последовательно с нагрузкой включен резистор R6, при протекании тока через нагрузку на нём будет падать некоторое напряжение. При выходном токе 1,5 А получим падение напряжение 1,5 В.

Вот это значение падения напряжения и используется для подачи на транзисторную оптопару DA2 - 4N25. Резистор R1 рассчитан чтобы порог открытия внутреннего транзистора оптопары был равен приложенному напряжению в 1,5 В.

Переход КЭ транзистора VT1 подключен параллельно переменному резистору R5, которым регулируется выходное напряжение. При закрытом транзисторе, сопротивление перехода велико, и он не влияет на работу схемы. Начальное напряжение на базе задаёт делитель R3R4.

Как только ток в нагрузке вырастет до величины 1,5 А, начнёт работать DA2. Откроется VT1. Сопротивление КЭ будет пропорционально уменьшаться (в зависимости от сопротивления нагрузки), шунтируя R5 таким образом, чтобы поддерживать ток в нагрузке 1,5 А. Напряжение при этом, на нагрузке будет падать.

Конструкция и детали

Печатная плата для схемы блока питания с защитой от «КЗ»
Печатная плата для схемы блока питания с защитой от «КЗ»

Схема не лишена своих недостатков, главным из которых является падение напряжения на R6. Величину этого падения мы как раз недосчитаемся на выходе. Но простота, низкая стоимость и отсутствие какой-либо наладки при исправных деталях, несомненный плюс данного решения.

Печатная плата выполнена из одностороннего фольгированного стеклотекстолита. Трансформатор Т1 должен обеспечивать ток больше чем 1,5 А при напряжении 32 В. Резистор R6 - проволочный, типа KNP, минимальной мощностью 2 Вт, лучше больше.