Добавить в корзинуПозвонить
Найти в Дзене
ЭЛЕКТРИКА

Как сделать приемник прямого преобразования и слушать эфир на коротких волнах

Простой приемник прямого преобразования
подобных схем в сети и журналах Радио полно - выбирай те что нравятся или попроще. Для тех кто дружит с микросхемами можно использовать схему на ТДА 7050
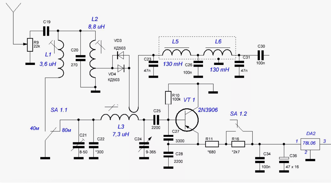
Давайте подумаем как сделать простой приемник прямого преобразования без генератора, который может принимать амплитудно модулированные сигналы, однополосные сигналы и морзянку. Лучше всего если этот приемник выполнен на одном транзисторе и может быть перестраиваемым. Приемники без внешних генераторов могут быть собраны буквально на коленке Приемники с генератором имеют преимущество и общая схема выглядит так Принцип работы приемника с генератором
Приемник работает на основе приема биений между двумя частотами: частотой принимаемого сигнала и частотой генератора.
Входной фильтр настроен на нужные частоты, а другие частоты подавляются.
Фильтр двух звеньев пропускает только нужные частоты и звук на предварительный усилитель. Удобнее всего для сборки приемника прямого преобразования использовать
Простой приемник прямого преобразования
Простой приемник прямого преобразования

Простой приемник прямого преобразования
подобных схем в сети и журналах Радио полно - выбирай те что нравятся или попроще. Для тех кто дружит с микросхемами можно использовать схему на ТДА 7050

-2


Давайте подумаем как сделать простой приемник прямого преобразования без генератора, который может принимать амплитудно модулированные сигналы, однополосные сигналы и морзянку. Лучше всего если этот приемник выполнен на одном транзисторе и может быть перестраиваемым.

Приемники без внешних генераторов могут быть собраны буквально на коленке

-3

Приемники с генератором имеют преимущество и общая схема выглядит так

-4

Принцип работы приемника с генератором

Приемник работает на основе приема биений между двумя частотами: частотой принимаемого сигнала и частотой генератора.
Входной фильтр настроен на нужные частоты, а другие частоты подавляются.
Фильтр двух звеньев пропускает только нужные частоты и звук на предварительный усилитель.

-5

Удобнее всего для сборки приемника прямого преобразования использовать внешний тактовый генератор - это сильно упрощает задачу стабилизации частоты приема и выбора принимаемого диапазона.

По сути вы просто сравниваете сигнал с вашей антенны с сигналом определенной частоты внешнего генератора - биения дадут вам звук вещания.

-6

Тестирование приемника

Вначале проверяется работа усилителя и фильтра без генератора.

-7

Затем включается генератор, и настраивается частота и амплитуда сигнала.
При включении диодов смесителя можно услышать щелчки и шипение.

-8

После настройки частоты и амплитуды сигнала, приемник готов к приему сигналов.

ЕСЛИ ВЫ НЕ ОЧЕНЬ ЛЮБИТЕ ВОЗИТЬСЯ С НАСТРОЙКОЙ КОНТУРОВ
просто возьмите готовую микросхему нужного диапазона и мрочьте себе голову

-9

Эта микросхема с простым обвесом обеспечивает и надежный прием и усиление для радио диапазона. А уж если вам приспичило реально заморочиться, то милости просим в "схемные дебри" из которых мало кто смог выбраться не утратив разума и логики =)

-10

Будьте проще и люди к вам потянутся!
И да прибудет с вами Электрическая сила!
ЭЛЕКТРИК от БОГА

-11