Добавить в корзинуПозвонить
Найти в Дзене

Пускозащитное реле компрессора холодильника.

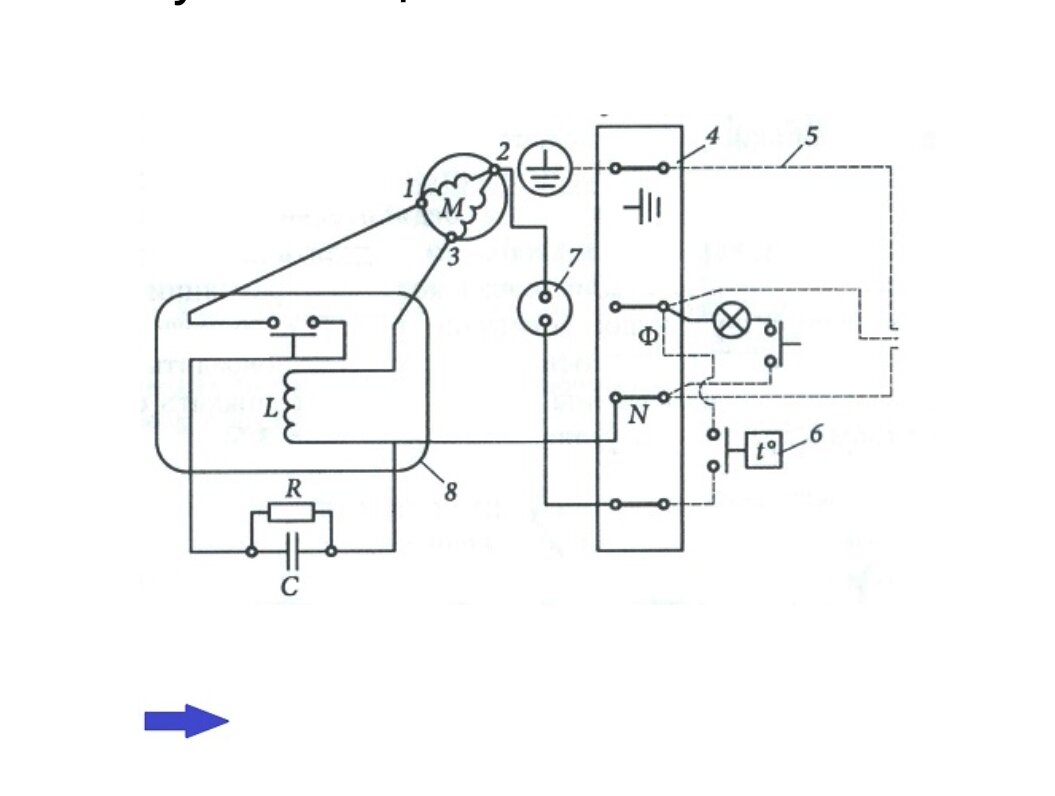
В условиях круглосуточного пользования холодильником и цикличной работы холодильного агрегата включать пусковую обмотку при запусках двигателя вручную не представляется возможным. Для этой цели в агрегатах бытовых холодильников установлено пусковое реле.  Типы режимов пуска электродвигателей м/компрессоров бытовых холодильников:  Тип 1 – RSCR - запуск через пускозащитное реле 8 и резистор R, работа через конденсатор С и рабочую обмотку. 1,2,3, - выводы обмоток электродвигателя, 4 – клеммная колодка, 5 – провод включения в сеть, 6 – терморегулятор, 7-реле тепловой защиты, 8 – реле

В условиях круглосуточного пользования холодильником и цикличной работы холодильного агрегата включать пусковую обмотку при запусках двигателя вручную не представляется возможным. Для этой цели в агрегатах бытовых холодильников установлено пусковое реле.

 Типы режимов пуска электродвигателей м/компрессоров бытовых холодильников:

 Тип 1 – RSCR - запуск через пускозащитное реле 8 и резистор R, работа через конденсатор С и рабочую обмотку.

1,2,3, - выводы обмоток электродвигателя, 4 – клеммная колодка, 5 – провод включения в сеть, 6 – терморегулятор, 7-реле тепловой защиты, 8 – реле