Недавно попалась мне на глаза моя же статья, опубликованная в 2003 году автором программы PIC программатор (2001-2005 pic16f84@yandex.ru). Статью приведу дословно, может кому будет интересно. Ссылка на исходную статью. Аппаратная часть подключалась к LPT порту. Эх... давно это было. “Некоторое время назад (в 2003г.), начиная изучать микроконтроллер PICF628, я решил немного :) переработать схему электрическую принципиальную программатора. Представляю Вашему вниманию то, что получилось. Схему (39КБ) можно посмотреть здесь. Предвидя некоторые вопросы сразу дам на них ответы. Возможно Вам будут интересны другие мои статьи.
Недавно попалась мне на глаза моя же статья, опубликованная в 2003 году автором программы PIC программатор (2001-2005 pic16f84@yandex.ru). Статью приведу дословно, может кому будет интересно. Ссылка на исходную статью. Аппаратная часть подключалась к LPT порту. Эх... давно это было. “Некоторое время назад (в 2003г.), начиная изучать микроконтроллер PICF628, я решил немного :) переработать схему электрическую принципиальную программатора. Представляю Вашему вниманию то, что получилось. Схему (39КБ) можно посмотреть здесь. Предвидя некоторые вопросы сразу дам на них ответы. Возможно Вам будут интересны другие мои статьи.
...Читать далее
Недавно попалась мне на глаза моя же статья, опубликованная в 2003 году автором программы PIC программатор (2001-2005 pic16f84@yandex.ru). Статью приведу дословно, может кому будет интересно. Ссылка на исходную статью. Аппаратная часть подключалась к LPT порту. Эх... давно это было.
Программа PIC программатор
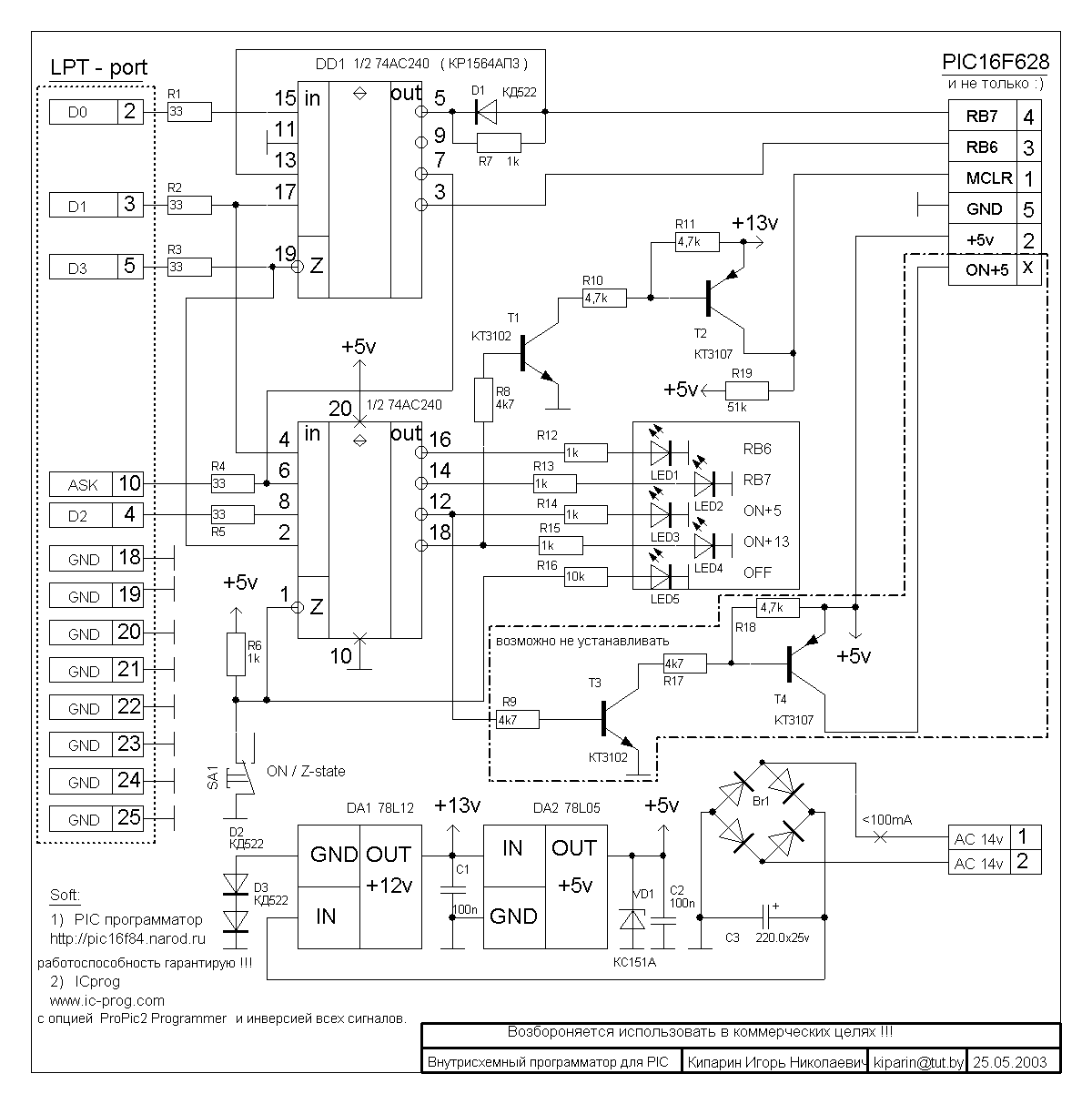
“Некоторое время назад (в 2003г.), начиная изучать микроконтроллер PICF628, я решил немного :) переработать схему электрическую принципиальную программатора. Представляю Вашему вниманию то, что получилось. Схему (39КБ) можно посмотреть здесь.
Схема аппаратной части программатора
Предвидя некоторые вопросы сразу дам на них ответы.
- Для чего это? – Для внутрисхемной отладки реально изготовленного устройства. Как это ни странно, но ни один из самодельных программаторов не позволяет этого сделать. Программировать отдельно микросхему – пожалуйста! А посмотреть, как изменяется EEPROM или как работает часть программного кода или что-нибудь ещё, возможно только перепрыгивая из кроватки устройства в кроватку программатора. Надолго ли Вас хватит, например, манипулируя корпусом SOIC?
- Какое влияние оказывает программатор в подключённом состоянии на работающую схему? – Практически никакого, только паразитная ёмкость шлейфа, соединяющего программатор со схемой. Поэтому настоятельно рекомендую не делать шлейф длиннее 10см.
- Как питать программатор и устройство? – В моем случае устройство питалось от программатора. Хотя, как показала практика, нет никаких проблем с параллельной работой двух КРЕНов даже если на одном из КРЕНов отсутствует напряжение питания на входе.
- Каковы нюансы схемы? – Основных нюансов не так уж и много, самое главное – не забывать заземлять вывод 10 PIC16F628. В моем случае заземление обеспечивалось автоматически через резистор 100к. Вывод 4 PIC16F628 должен! быть соединён с остальной частью схемы резистором не менее 4,7к, т.к. на этом выводе при программировании 13В! Не забывайте вручную отключать программатор тумблером SA1 при длительных перерывах в работе – при включении компьютер инициализирует LPT, в результате чего информация в PIC16F628 может разрушится, что решается очередным перепрограммированием.
- От чего в схеме программатора можно отказаться? – От индикации, в моем варианте использовалась индикация RB6 и RB7. От тумблера SA1- вывод 1 микросхемы DD1 необходимо заземлить. От формирователя включение +5В (ON+5 обведён штрих-пунктиром). Это для отладки, а для программирования в кроватке формирователь необходим – безопаснее для микросхемы.
- Каковы обязательные требования? – Номиналы резисторов, подключаемые к выводам 4, 12, 13 (на этих выводах обязательно должны быть резисторы) микроконтроллера PIC16F628 должны быть не менее 4,7к, 1к, 4,7к. Или эквивалентное сопротивление между выводами 12 и 13 не менее 4,7к. Длина шлейфа, соединяющего LPT порт с программатором не должна быть более 50см.
- Каково конструктивное исполнение программатора? – Все вместилось в квадратную коробочку от телефонной евро розетки на макетной плате навесным монтажом. Разъем для подключения кабеля, соединяющего программатор и компьютер – штатный. Разъем для подключения программатора к схеме – шлейфовый. Под него, под разъем питания и индикацию (SMD-светодиоды) в крышке телефонной евро розетки пришлось выпилить прямоугольные отверстия."
Возможно Вам будут интересны другие мои статьи.