Добавить в корзинуПозвонить
Найти в Дзене
Электроник ОПГЭ

Делаю импульсный источник питания для лампового усилителя. И, собственно, усилитель.

Когда-то , очень давно, задарил мне знакомый несколько ламп 6П36С с панельками и колпачками. Я планировал сделать усилитель двухтактный. Но все как то руки не доходили – не хватало энтузиазма :) . Недавно обратил на них внимание. Думаю – или уже выкинуть пора или что-то сделать с них. На двухтактный уже не замахнусь – это долго. Решил хоть однотактный в замен имеющемуся на рабочем месте . Там у меня на какой-то микросхеме типа «BA****» пяти-ваттной для древнего автомобильного плейера – лет 15 назад сделан. В первую очередь задумался о БП. Но трансформаторов анодных у себя не нашел, подходящей мощности. Если только покупать в сети или мотать самому. Но почитал на форумах – оказывается народ успешно делает такие источники из компьютерных. Варианта два – 1 перемотать имеющийся импульсный транс с доработкой схемы, - 2 добавить внешний импульсный трансформатор . Для начала решил попробовать вообще разобрать и перемотать – как это делается. Неисправных блоков у меня полно. Со второй попытки

Когда-то , очень давно, задарил мне знакомый несколько ламп 6П36С с панельками и колпачками. Я планировал сделать усилитель двухтактный. Но все как то руки не доходили – не хватало энтузиазма :) . Недавно обратил на них внимание. Думаю – или уже выкинуть пора или что-то сделать с них. На двухтактный уже не замахнусь – это долго. Решил хоть однотактный в замен имеющемуся на рабочем месте . Там у меня на какой-то микросхеме типа «BA****» пяти-ваттной для древнего автомобильного плейера – лет 15 назад сделан.

В первую очередь задумался о БП. Но трансформаторов анодных у себя не нашел, подходящей мощности. Если только покупать в сети или мотать самому. Но почитал на форумах – оказывается народ успешно делает такие источники из компьютерных. Варианта два – 1 перемотать имеющийся импульсный транс с доработкой схемы, - 2 добавить внешний импульсный трансформатор .

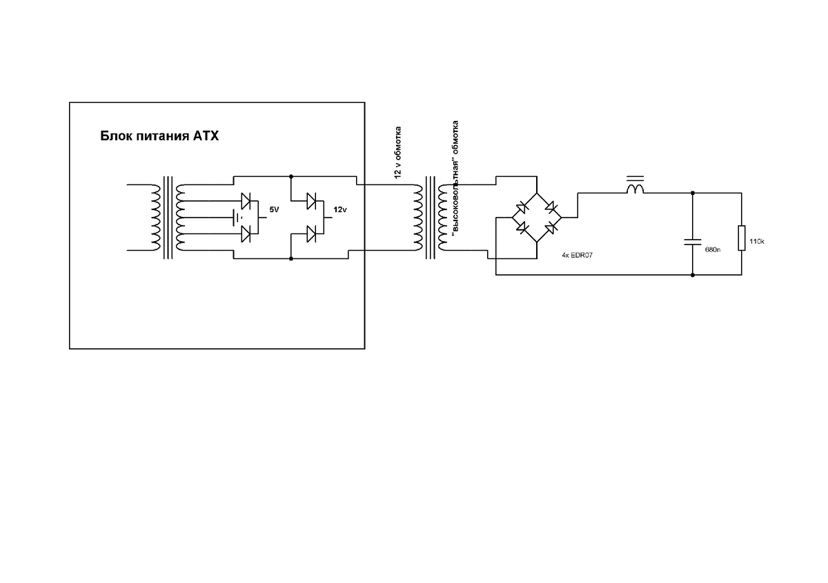
Для начала решил попробовать вообще разобрать и перемотать – как это делается. Неисправных блоков у меня полно. Со второй попытки сумел разобрать трансформатор ER-35A, не разрушив. Намотал , как считал нужным.

Подключил «наоборот» к двенадцати-вольтовой обмотке рабочего БП, низко-вольтовой обмоткой . Выпрямитель , для начала, сделал на ERD07 имеющихся у меня от разобранных ЭЛТ мониторов. Дроссель использовал от компьютерного же БП , оставив одну обмотку. Емкости, для фильтрации 30 кгц, со старых мониторов высоковольтные (относительно конечно).

-2

Получилось 220 с лишним постоянки на 100 кОм. Подключил в качестве нагрузки настольную лампу 60 ватт. Напряжение просело на 20 проц. Многовато. Толи намотка моя некачественная , толи трансформатор мелковат. А , вероятнее всего, и то и другое. Нашел трансформатор помощнее E140166 xpb-5 . Разбирать его не стал. Поскольку аналогичный я разбирал – намотать как заводской , я вряд ли сумею. По этой же причине решил выбрать второй метод доработки источника – внешний дополнительный трансформатор. Заметил, что есть немного свободного места между обмоткой и внешней частью сердечника. Решил, при необходимости, домотать туда дополнительные витки. Попутно с диодами стал разбираться. Пробные ERD07 – оказались фигней по характеристикам. Аж целых 1,5 микросекунды время переключения. Хотя вроде работают, не греются. Можно конечно купить какие ни будь “SUF30” , но у меня в наличии полно КД226 . Оказалось они вполне ничего для моих целей. 0,25 микросекунды переключение. По любому лучше ERD в несколько раз. Включил – напряжение на выходе менее 200. Решил пока оставить . Поскольку надо переделывать в базовом источнике стабилизированных 5 вольт на 6,3 вольта для питания накала ламп. А это поднимет и результирующее высокое. Также, при подключении накала ламп, высокое должно подняться из-за работы ШИМ. В БП напряжение регулируется скважностью импульсов генератора.

В моем источнике Colorsit 350u, контроллер 6105 . Оставляю в источнике 5(будет 6) и 12 (будет сколько выйдет). Минусовые и 3.3 в принципе не нужны. Переделываю простым способом.

Мне нужно поднять примерно на 20 проц. В резисторном делителе/сумматоре, который контролирует уровень 5 и 12, «нижний» резистор уменьшаю на 20 проц. R23 по схеме было 13К , поставил 11К.

Далее - есть входы контроллера по защите от перенапряжения V12,V5,V3.3 . Там просто ставлю делители резисторные уменьшающие на те же 20 процентов напряжение на выводах контроллера.

( Если лень считать - можно тупо резисторы отношением 1 к 4 . В сумме будет 5. Пятая часть и есть 20 процентов. Верхний меньше :) .)

А контроль отрицательных напряжений (NVP) отключаю и , как обычно, через резистор на общий провод. Тут ,почему-то , пришлось подобрать R30. Вышло 47К.

-3

Еще надо добавить резистор последовательно с вентилятором - напряжение же 12 вольт поднимется, чуть ли не до 15. На плате он предусмотрен, но стоит перемычка. Воткнул туда резистор порядка 100 Ом.(можно посчитать точно - зная нужное падение напряжения на нем и ток вентилятора ;) )

Резисторы делителей, напаял навесным монтажем.

-4

Эти переделки делаю по очереди, а не сразу – что бы знать от чего не заработает, если случится.

Получилось 6.2 вольта без нагрузки. А вместо 12 получилось 14 с копейками. На выходе высоковольтного уже стало больше 220 при подключённом накале ламп.

Теперь вернулся к внешнему дополнительному трансформатору. Намотал, в свободное пространство, сколько влезло, провод диаметром 0,5 мм . Влезло 13 витков. Еще подключил входное напряжение к части обмотки (на схеме ниже видно). В итоге получилось около 285 вольт, примерно, на 100 кОм нагрузке. Мне хватит. Большая мощность не планируется. Для подключения к компьютеру на рабочем месте – нескольких реальных ватт на канал, достаточно более чем.

итоговая схема
итоговая схема

Резистор R2 поставил, что бы не срабатывала защита при включении .

Собирал на картонке, буквально, в тестовом режиме.

Макет
Макет

Теперь надо собрать в нормальном, более-менее виде. Решил воспользоваться доисторическим методом. Поскольку в ЛУТах и прочей байде, нет ни какого смысла для такой мелочи .

Расставил детали на бумажке размером с будущую плату. Отметил точки под отверстия, нарисовал соединительные линии. Затем эту бумажку на фольгированный текстолит, накернил отверстия сквозь бумагу. Просверлил. Печатку рисовал маркировочной краской (чем на древних платах писали надписи). Спичкой- ни каких перьев и т.п. не нашел. Травил в "хлорном железе". Далее лудим-паяем.

-7

К этому времени уже определился с усилителем. Нашел какое-то шасси , и начал в нем механические работы по установке ламп и пр..Закрепил к задней панели блок питания . Просверлил в стенке БП отверстие и пропустил провода там, чтоб не торчали с наружи. Установил сделанный выпрямитель. Нагрузил на одну выходную лампу (она уже обвязана). Примерно 260 на аноде вышло при токе 70 мА.

Выпрямитель на месте
Выпрямитель на месте

Теперь собственно усилитель.

Схем в сети очень большое количество в широком доступе. Выбрал одну чисто по тому, что в ней не требуется высокого напряжения для входного каскада. Кто автор - не знаю.

Схема из общего доступа
Схема из общего доступа

Тут ни чего особенного не потребовалось. Дождался панелек под 6Н2П из интернет-магазина и начал делать. Поскольку у меня напряжение питания ниже рекомендованного, то чисто интуитивно, решил уменьшить сопротивление R9 до 470 Ом. Для улучшения АЧХ в низкочастотной части, тоже интуитивно, С5 - увеличил до 200 мкф, а С1 до 68. Трансформаторов "правильных" на выход у меня пока нет. Решил , чисто для пробы, воткнуть пока ТН9-127/220 . Включил в режиме на 127 вольт (есть описание в сети). Собрал один канал. Напряжение на катоде 32 вольта. Ток анода 70 мА. Подключил к компу.

Для проверки выбрал на яндексе подборку "шедевры мировой классики" - там частотный диапазон явно широкий. Один канал остался на старом усилителе, второй на новом ламповом.

Долго сравнивал. Да. Разница есть. И она очень большая. Не знаю в лампах ли дело или в плохом моем старом усилке, но офигенно круче звук. Явно шире частотный диапазон - сильно шире. Скорее всего и линейность не плохая. Легко различаются отдельные инструменты и слышно, к примеру , отдельные звуки движения смычка по струнам :))). Понятно, что поток цифровой и понятно , что цап в материнке свое добавляет. Но реально звук крутой .

И это на простые колонки. Давно когда-то, нашел у шоферов в боксе раздербаненные колонки. Выдрали от туда динамики в машины. Купил китайские коаксиальные недорогие подходящего размера, поставил. Выглядит ужасно, но мне пойдет.

Мои колонки
Мои колонки

Собрал второй канал. Там вообще трансформатор поставил совсем не "по фэншую" ТАН11 :). Вроде как временно. Вот уже неделю классику слушаю - даже уже нравится больше рока :) . Звук вроде нормальный. Слегонца был возбуд на очень низких частотах. Для устранения, пришлось увеличить резисторы R11 до 1,3К.

В рабочем режиме напряжение чуть больше 250 вольт получилось.

Рабочее напряжение
Рабочее напряжение

С питанием все нормально. По восемь часов в день , несколько дней - все работает.

Были нюансы. Смотрел осциллографом пульсации по питанию. Лезло явно 100 Гц. Вот такое чудо. Это через 2 высокочастотных трансформатора лезло с входного выпрямителя основного блока питания :) . Добавил туда емкость на 150 мкф 400 вольт.

-12

Стало точно лучше. А то в режиме молчания на анодах было около 5 вольт амплитуды, 100 гЦ частотой. На колонки уже было порядка 0.25 вольта. И это было слышно в паузах. Хороший такой чистый гул :) .

На перспективу планирую , всё таки, сделать выходные трансы с зазором. Думаю использовать трансформаторы от старых бесперебойников. Там Ш-образные сердечники. Их можно просто разобрать и собрать уже с зазором.

-13

Хотя , вроде , и сейчас звук неплохой. Вероятно потому, что мощность маленькая и подмагничивание оставляет достаточно ресурса для звука. Но обязательно попробую , для начала, один канал. Сравню - если будет существенная разница, то оба точно поменяю.

Добавлено 01.02.24

Сделал выходной трансформатор с зазором. В замен ТАН11 - его то точно надо было менять. С ним появлялось возбуждение на низкой частоте из-за которого пришлось уменьшить глубину ООС - что не есть хорошо.

Полазил по форумам людей хорошо сидящих в этой теме. Прикинул, что в моем случае надо зазор 0.2 мм , примерно. Но так как сердечник Ш (три места разрыва) и , как пишут люди, будет еще зазор от плохой сборки трансформатора, то сделал примерно 0.1 мм .

Собирал, тоже, по практике опытных людей : Сначала собрал без затяжки бандажа (слегка закреплен) . Кстати - напряжно немного сделать ровный торец сердечника. Потом подключил к усилителю , поставив рядом. Обязательно соединение тщательно изолируем, чтоб напряжением не взбодрило. В подключенном состоянии сердечник сам прижимается- электромагнит . Затем стянул аккуратно бандаж.

Процесс переборки трансформатора.
Процесс переборки трансформатора.

На трансформаторе оставил лишние выводы. Там и отводы есть от высоковольтной части и есть еще одна отдельная обмотка , которую можно использовать для включения в катод. Это есть варианты всевозможных ультралинейных режимов. Может когда и пригодится. Это трансформатор 762050021 от бесперебойников - информация о нем в сети есть .

Результат.

В общем конечно лучше чем ТАН11 . Но, ожидаемо , появился завал на НЧ. Вернул ООС на вариант который был у автора - стало получше. Ощутимой разницы со вторым каналом, где ТН9 установлен, не заметил, как ни старался. Возможно потому, что этот ТН какой-то слегка поврежденный. Что с ним делали не знаю, но там виден зазор в сердечнике после вмешательства (он там ШЛ).

Сверлить отверстия для монтажа пришлось на собранном усилителе. Придумал как обезопаситься от стружки. Магнит от HDD рядом держал :) .

Ловим стружку
Ловим стружку

Некоторые моменты по ходу. Изначально один канал был слегка потише. Полагал из-за неодинаковости колонок. Собирал то я их сам. Но... Стал подбирать лампы 6П36С из нескольких. Оказалось, что одна у меня была сильнее потрепана чем другая . В общем - выбрал, из имеющихся, две лампы одного года, без почернений на против отверстий в аноде, с хорошо сохранившимся гетером (то,что блестит сверху :) ) и все стало одинаково по каналам.

Накал у меня идет с основного источника , а высокое через трансформатор. Получается между ними ни какой связи. И что там будет между катодами и накалом, какое напряжение - не знает ни кто. Поэтому соединил минус накала с общим проводом усилителя через резистор 1 К (резистор на всякий случай). Тока там ни какого - это чисто гальваническая связь.

Монтаж в "подвале" просто навесной, по старинке.

Монтаж в подвале
Монтаж в подвале

Усилок работает хорошо. Я не музыкант, но по моим запросам, звук превосходный :) . Осталось как-то закрыть.

Дополнение. Окончательные доработки. Трансформаторы и конденсаторы

Сначала питание. 250 – маловато. На малой громкости нормально, но чуть погромче и явно чувствуются искажения. Явно сигнал выходит за пределы рабочего диапазона и где то ограничивается. Можно поднять ток , но я решил поднять напряжение питания. Разобрал внешний импульсный трансформатор. Как разбирать – полно инфы в сети. Если коротко – греешь, аккуратненько , паяльным феном до размягчения лака и потихоньку разъединяешь сердечник.

Снял все обмотки и намотал свои.

Первая обмотка двойным проводом 0,7 мм в два провода до заполнения. Влезло 10,5 витков. Далее изоляция скотчем аналогичным как был заводской (бывает в хозмагах) такой термостойкий коричневый пластик.

Вторая обмотка проводом 0,5 мм два слоя , получилось 72 витка . Между слоями изоляция . По изначальным прикидкам , планировал 70 витков , но намотал 72 . И эти 2 витка оказались лишними в общем то. Заизолировал, собрал транс на клей , как положено. Впаял в плату – 420 вольт на 100 кОм и 350 вольт на рабочую нагрузку. Многовато – вот они 2 витка лишних.

Поменял все конденсаторы в цепях питания на более высоковольтные. Пленочные на 630 вольт, а электролиты на 450 вольт нашел. Выставил ток ламп подбором резисторов автосмещения – по 70 миллиампер на выходных лампах.

Купил новые (неработавшие точнее) 6Н2П в онлайн магазине, нашел по 50 р. Старые были сильно потрёпанные и с разной крутизной. Одна была прям сильно много пожившая. Каналы стали более похоже работать и усиление поднялось. Проверяю в режиме "моно" .

Далее конденсаторы. В катодах решил увеличить. В первом каскаде С1 поставил по 1000 мкф 6,3 вольта. Просто таких полно с компов старых. В выходном каскаде С5 поставил на 470 мкф 200 вольт – это со старых БП компьютерных. Зашунтировал пленочными. По питанию, 350 вольт, стала срабатывать защита при включении, если емкость в фильтре выше 50 мкф . По хорошему надо бы плавный пуск, что бы дать время на разогрев накалов и последующее падение тока потребляемого от БП, но сделал проще. При включении , дополнительная емкость в 330 мкф 450 вольт, подключена через резистор 30 кОм - плавно заряжается. Затем тумблером перемыкаю этот резистор. Кстати – на слух разницы в звучании не заметил с этим конденсатором, но точно фон 100 гц полностью пропадает.

Диоды в выпрямителе. Изначально были КД226 . Решил получше купить – HER208 . По параметрам, вроде бы, существенно лучше. НО… сгорели через неделю . Поставил 226 назад.

Теперь выходные трансформаторы. Просто сетевые, без доработки, на выходе - конечно ерунда. Надо что-то менять. Мотать, конечно, лень, но покупать – ну очень дорого. Решил все таки попробовать мотать.( Не то что бы я новичок. Делал когда то , лет 40 назад , ламповые усилители. Тогда только такие и делали. Помню последний – то что сейчас называют, «двухтакт» PP на 6п14п с секционированными обмотками. ) Из железа - есть от бесперебойников несколько. Провод, от туда же. Заметил , что один самый старый транс , имеет темное железо в отличии от других. Начал разбирать – да железо темное и толщиной 0,34 пластина по микрометру. Перед разборкой замерил напряжения , что бы выяснить витки. Получилось 220-вольтовая обмотка, примерно 880 витков. Сердечник 32х32 мм. Смотал вторички . Первичку оставил. Нашел немного провода диаметром примерно 0,8 мм. Намотал выходную, сколько влезло в ряд, 44 витка . Далее изоляция и дополнительная первичка 0,5 проводом (с другого транса смотал) – 240 витков. Опять выходная 44 витка. Изоляция и еще первичка – 200 витков. Количество витков первички увеличилось в 1,5 раза. Индуктивность пропорциональна квадрату витков – значит она увеличилась в 2,25 раза . Это лучше чем ничего . Первичку пропитывал воском по месту. То есть – подогревал , немного, обмотку паяльным феном, потом клал пластиночку воска и грел феном , что бы воск протекал. Соединил обмотки первички последовательно, а вторички параллельно. Собрал железо с зазором 0,08. Проверил правильность соединения обмоток: подал на выходную обмотку 6 вольт переменки , померил по отводам входной обмотки напряжение. Кстати – наибольше напряжение на выходе , чуть больше 210 вольт было. Второй транс аналогично, но одинаково не получилось сделать. Там меньше витков первички влезло и сердечник из белого железа с пластинами толщиной 0,5 мм.

Установил на место , включил – все отлично работает.

-17

Решил закрыть корпус, что бы ни кого током не шарахнуло. А то многие заходят и "суют туда нос" - "А чё эта?!" (совсем народ одичал со смартфонами :) ) . При помощи шлиф-машинки, из корпусов разобранных бесперебойников , собрал конструкцию.

-18

Так и оставлю. Далее, надеюсь, сделать уже для дома. Корпус от киловаттного бесперебойника черный присмотрел. Лампы будут ГУ-29 - просто потому, что они у меня есть. А так-как, по основному назначению, они ныне бессмысленны , то хотя бы в УНЧ запихнуть.