Добавить в корзинуПозвонить
Найти в Дзене
Электроника, AVR, STM, PIC

Триггер Шмитта

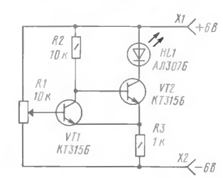
Как известно, это микросхемное устройство обычно используется для преобразования медленно изменяющегося напряжения в сигнал прямоугольной формы, когда двигатель переменного резистора R1 находится в нижнем положении в соответствии со схемой, транзистор VT1 закрыт.
Напряжение на его коллекторе высокое, в результате транзистор VT2 оказывается разомкнутым, а это значит, что на резисторе R3 загорается светодиод HL1, образуется перепад напряжения. Медленно перемещая двигатель с переменным сопротивлением вверх по цепи, можно будет достичь момента, когда транзистор VT1 резко откроется, а VT2 закроется. Это произойдет, когда напряжение на базе VT1 превысит падение напряжения на резисторе R3.
Индикатор погаснет. Если затем вы убавите обороты двигателя, спусковой крючок вернется в исходное положение - светодиод замигает. Это произойдет, когда напряжение на двигателе будет меньше напряжения выключенного светодиода.

Как известно, это микросхемное устройство обычно используется для преобразования медленно изменяющегося напряжения в сигнал прямоугольной формы, когда двигатель переменного резистора R1 находится в нижнем положении в соответствии со схемой, транзистор VT1 закрыт.

Напряжение на его коллекторе высокое, в результате транзистор VT2 оказывается разомкнутым, а это значит, что на резисторе R3 загорается светодиод HL1, образуется перепад напряжения.

Простой триггер Шмитта на двух транзисторах.
Простой триггер Шмитта на двух транзисторах.

Медленно перемещая двигатель с переменным сопротивлением вверх по цепи, можно будет достичь момента, когда транзистор VT1 резко откроется, а VT2 закроется. Это произойдет, когда напряжение на базе VT1 превысит падение напряжения на резисторе R3.

Индикатор погаснет. Если затем вы убавите обороты двигателя, спусковой крючок вернется в исходное положение - светодиод замигает. Это произойдет, когда напряжение на двигателе будет меньше напряжения выключенного светодиода.