Добавить в корзинуПозвонить
Найти в Дзене
Электроника, AVR, STM, PIC

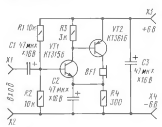
Двухкаскадный УЗЧ на транзисторах разной структуры

Он спроектирован с прямым подключением между каскадами и глубокой отрицательной обратной связью по постоянному току, что делает его режим независимым от температуры окружающей среды. Основой стабилизации температуры является резистор R4, который работает аналогично резистору R3 в предыдущей конструкции
Усилитель более "чувствителен” по сравнению с однокаскадным усилителем - коэффициент усиления по напряжению достигает 20. На входные разъемы можно подавать переменное напряжение с амплитудой не более 30 мВ, в противном случае возникнут искажения, которые прослушиваются в головном телефоне.
Проверьте усилитель, прикоснувшись к входному разъему X1 пинцетом (или просто пальцем) - в телефоне будет слышен громкий звук. Усилитель потребляет ток около 8 мА. Такая конструкция может быть использована для усиления слабых сигналов, например, от микрофона. И, конечно, это значительно усилит сигнал 34, который снимается с нагрузки детекторного приемника.

Он спроектирован с прямым подключением между каскадами и глубокой отрицательной обратной связью по постоянному току, что делает его режим независимым от температуры окружающей среды. Основой стабилизации температуры является резистор R4, который работает аналогично резистору R3 в предыдущей конструкции

Усилитель более "чувствителен” по сравнению с однокаскадным усилителем - коэффициент усиления по напряжению достигает 20. На входные разъемы можно подавать переменное напряжение с амплитудой не более 30 мВ, в противном случае возникнут искажения, которые прослушиваются в головном телефоне.

Проверьте усилитель, прикоснувшись к входному разъему X1 пинцетом (или просто пальцем) - в телефоне будет слышен громкий звук. Усилитель потребляет ток около 8 мА.

Рис. 2. Схема двухкаскадного усилителя ЗЧ на транзисторах разной структуры.
Рис. 2. Схема двухкаскадного усилителя ЗЧ на транзисторах разной структуры.

Такая конструкция может быть использована для усиления слабых сигналов, например, от микрофона. И, конечно, это значительно усилит сигнал 34, который снимается с нагрузки детекторного приемника.